下载后可任意编辑 绿色稻谷收购合同合同编号: 提示:种养方应事先就产品种养及收购条件、要求的合理性向农业技术指导部门咨询,并仔细分...
下载后可任意编辑稻谷购销合同书购方: (简称甲方)销方: (简称乙方)甲方因需向乙方购进早籼稻谷 公斤,为明确双方责任,签订有关条...
下载后可任意编辑委托加工稻谷合同 合同编号:委托方(以下简称甲方):受委托方(以下简称乙方):甲方委托乙方加工稻谷,本着友好合作、...
下载后可任意编辑 优质稻谷收购合同 收购方:(甲方) 泗洪县军峰米业有限公司 种植方:(乙方) 中国人民解放军 73071 部队农副业...
下载后可任意编辑五万吨粮食加工稻谷改扩项目可研报告目 录第一章 总论 ------------------------------------------------------1第一...
下载后可任意编辑收割稻谷作文 【篇一:收割稻谷】 “收割稻谷了!收割稻谷了!”稻谷们在稻田里面高呼着。于是,我们就下田去收割稻谷了...
2015 年 中 国 稻 谷 (大 米 )产 业 报 告 国 内 经 济 发 展 进 入 新 常 态 , 从 生 产 能 力 和 产 业...
下载后可任意编辑稻谷购销合同书购方: (简称甲方)销方: (简称乙方)甲方因需向乙方购进早籼稻谷 公斤,为明确双方责任,签订有关条...
下载后可任意编辑委托加工稻谷合同 合同编号:委托方(以下简称甲方):受委托方(以下简称乙方):甲方委托乙方加工稻谷,本着友好合作、...
年加工 6 万吨稻谷大米大米加工厂扩建项目可行性研究报告1 年加工 6 万吨稻谷大米大米加工厂扩建项目可行性研究报告ateur cyclist i...
稻谷最低收购价执行计划 第一条为认真贯彻落实中晚稻最低收购价政策,切实保护种粮农民利益,根据《中共中央国务院关于切实加强农业基础建...
五万吨粮食加工(稻谷)改扩建项目可行性研究报告1目录第一章总论------------------------------------------------------1第一节项目概况...
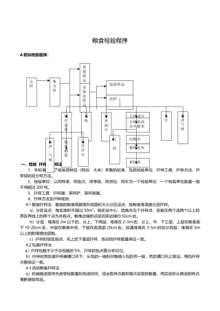
粮食检验程序A稻谷检验程序:一、检验扦样、分样法1、本标准规定了检验用样品(稻谷、大米)采集的标准,包括检验单位、扦样工具、扦样方法...
$number{01}稻谷加工工艺品质课件目录•稻谷加工工艺概述•稻谷的清理与干燥•稻谷的碾米与分级•精米加工与制品开发•副产品的利用与加工...
稻谷期货投资指南方正期货有限公司编印2008年11月目录一、稻谷的基本知识..........................................31、简述...............
高邮市金地家庭农场无公害农产品质量安全控制措施为使本农场水稻、小麦作物无公害生产的各项工作能规范有序开展,全面推进农业标准化生产,...
专业合同封面COUNTRACTCOVER20XXPERSONALRESUME甲方:XXX乙方:XXX2024年乙丙双方关于稻谷种植与收购的互助合作合同本合同目录一览第一条:...
此资料由网络收集而来,如有侵权请告知上传者立即删除。资料共分享,我们负责传递知识。绿色稻谷收购合同提示:种植方应事先就优质稻谷种植...
此资料由网络收集而来,如有侵权请告知上传者立即删除。资料共分享,我们负责传递知识。年糕专用稻谷基地收购合同收购方:(甲方)合同编号...
下载后可任意编辑稻谷买卖合同卖方(甲方)买方(乙方)根据《中华人民共和国合同法》、《粮食流通管理条例》及其他有关法律法规的规定,本...

