高铬铸铁加工新工艺与制作新方法专利技术手册主编:专利编写组出版发行:中国知识出版社2011年规格:全三卷16开精装+1张CD光盘定价:1180元...
技术交底记录表C2-1编工程名称交底日施工分项工程名称交底提要交底内容:室内铸铁排水道安装1范围本工艺适用于民用及一般工业建筑的室内铸...
工程名称交底部位工程编号日期交底内容:室内铸铁排水管道安装本章适用于民用及一般工业建筑的室内铸铁排水管道安装。1.材料要求1.1铸铁排...
工程名称交底部位工程编号日期交底内容:室内铸铁排水管道安装本章适用于民用及一般工业建筑的室内铸铁排水管道安装。1.材料要求1.1铸铁排...
技术交底记录表C2-1编号工程名称交底日期施工单位分项工程名称交底提要交底内容:室内铸铁排水管道安装1范围本工艺标准适用于民用及一般工...
合金铸铁件项目可行性研究报告(立项+批地+贷款)编制单位:北京中投信德国际信息咨询有限公司编制时间:二〇二四二〇二四年十一月咨询师:...
工程名称交底部位工程编号日期交底内容:室内铸铁排水管道安装本章适用于民用及一般工业建筑的室内铸铁排水管道安装。1.材料要求1.1铸铁排...
工程名称交底部位工程编日交底内容:室内铸铁排水道安装本章适用于民用及一般工业建筑的室内铸铁排水道安装。1.材料要求1.1铸铁排水及件规...
技术交底记录表C2-1编号工程名称交底日期施工单位分项工程名称交底提要交底内容:室内铸铁排水管道安装1范围本工艺标准适用于民用及一般工...
室内铸铁排水道安装1范围本工艺适用于民用及一般工业建筑的室内铸铁排水道安装工程。2施工准备2.1材料要求:铸铁排水及件规格品种应符合设...
卡箍式铸铁排水管在建筑中的应用摘要:根据收集到的大量资料,对新型排水管材--卡箍式铸铁排水管的基本情况作了介绍,并对设计采用这种管材...
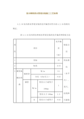
室内铸铁排水管道安装施工工艺标准4.2.16室内排水管道安装的允许偏差应符合表4.2.16的相关规定。表4.2.16室内排水和雨水管道安装的允许偏差...
技术交底表3-1工程名称松宇小区四2#施工部位地下铸铁道铺设安装施工班组唐秀利图水施:铸铁道安装准备:一、施工前要认真熟悉图纸、理解设...
工矿产品购销合同甲方:法定代表人:乙方:法定代表人:根据《中华人民共和国合同法》之规定,经甲乙双方充分协商,特订立合同,以便共同遵...
柔性排水铸铁管卡箍式连接工艺标准1、范围卡箍式离心排水铸铁管主要用于高层及超高层建筑的排水、雨水、及通气系统。本标准规定了柔性铸铁...
低碳钢和铸铁在拉伸和压缩时的力学性能根据材料在常温,静荷载下拉伸试验所得的伸长率大小,将材料区分为塑性材料和脆性材料。它是由试验来...

