电脑桌面
添加小米粒文库到电脑桌面
安装后可以在桌面快捷访问

非甲烷总烃方法验证VIP免费

非甲烷总烃方法验证_第1页
1/7
非甲烷总烃方法验证_第2页
2/7
非甲烷总烃方法验证_第3页
3/7
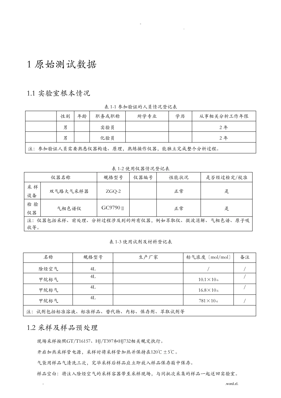
- . - .word.zl. 方法验证报告 方法名称: 固定污染源废气总烃、甲烷和非甲烷总烃的测定气相色谱法 工程: 非甲烷总烃 验证单位: 报告编写人: 审核人: 报告日期: - . - .word.zl. 1 原始测试数据 1.1 实验室根本情况 表 1-1 参加验证的人员情况登记表 表 1-2 使用仪器情况登记表 仪器名称 规格型号 仪器编号 性能状况 是否经过检定/校准 采 样设备 双气路大气采样器 ZGQ-2 正常 是 检 验仪器 气相色谱仪 GC9790Ⅱ 正常 是 注:仪器包括采样、前处理、分析过程涉及到的所有仪器,例如萃取仪、微波消解、气相色谱、原子吸收等。 表 1-3 使用试剂及材料登记表 1.2 采样及样品预处理 现场采样按照GT/T16157、HJ/T397和HJ732相关规定执行。 开启加热采样管电源,采样时将采样管加热并保持在120℃±5℃。 气袋用样品气清洗三次,完毕采样后样品应立即放入样品保存箱中保存。 样品空白:将注入除烃空气的采样容器带至采样现场,与同批次采集的样品一起送回实验室。 性别 年龄 职务或职称 所学专业 学历 从事相关分析工作年限 男 实验员 2 年 男 化验员 2 年 注:参加验证人员需要熟悉仪器构造、原理,熟练操作仪器,能独立完成整个分析过程。 名称 规格型号 生产厂家 标气浓度〔mol/mol〕 备注 除烃空气 4L / / 甲烷标气 4L 10.1×10-6 / 甲烷标气 4L 16.8×10-6 / 甲烷标气 4L 781×10-6 / 注:试剂包括标准溶液、标准样品、替代物、内标、保存剂、萃取试剂等 - . - .word.zl. 1.3 校准曲线的绘制 以100mL玻璃注射器〔预先放入一片硬质聚四氟乙烯小薄片〕为容器,按1:1的体积比,用标准气体〔高纯氮气〕将甲烷标准气逐级稀释,配置6个浓度梯度的校准系列。 由低浓度到高浓度依次抽取1.0mL校准系列,注入气相色谱仪,分别测定甲烷、总烃。以甲烷、总烃的浓度(mg/m3)为横坐标,以其对应的峰面积为纵坐标,分别绘制甲烷、总烃的校准曲线。 表 1-4 标准系列测定 1.4 方法检出限、测定下限测试数据 表 1-5 检出限和测定下限结果〔n=7〕 甲烷 测试日期:2018 年 8 月 27 日 mg/m3 1.20 12.00 27.89 55.78 111.57 195.25 标准曲线方程:Y=W=2.000936×10-4A 相关系数:R=0.99915 mg/m3 1.20 12.00 27.89 55.78 111.57 195.25 标准曲线方程:W=2.431048×10-4A 相关系数:R=0.99961 测试日期: 2018 年 8 月 27...

1、当您付费下载文档后,您只拥有了使用权限,并不意味着购买了版权,文档只能用于自身使用,不得用于其他商业用途(如 [转卖]进行直接盈利或[编辑后售卖]进行间接盈利)。
2、本站所有内容均由合作方或网友上传,本站不对文档的完整性、权威性及其观点立场正确性做任何保证或承诺!文档内容仅供研究参考,付费前请自行鉴别。
3、如文档内容存在违规,或者侵犯商业秘密、侵犯著作权等,请点击“违规举报”。

碎片内容

非甲烷总烃方法验证

精品文库+ 关注
实名认证
内容提供者

该用户很懒,什么也没介绍

相关文档

确认删除?
VIP
微信客服
  • 扫码咨询
会员Q群
  • 会员专属群点击这里加入QQ群
客服邮箱
回到顶部