电脑桌面
添加小米粒文库到电脑桌面
安装后可以在桌面快捷访问

建筑企业标准化评定标准VIP专享VIP免费

建筑企业标准化评定标准_第1页
1/19
建筑企业标准化评定标准_第2页
2/19
建筑企业标准化评定标准_第3页
3/19
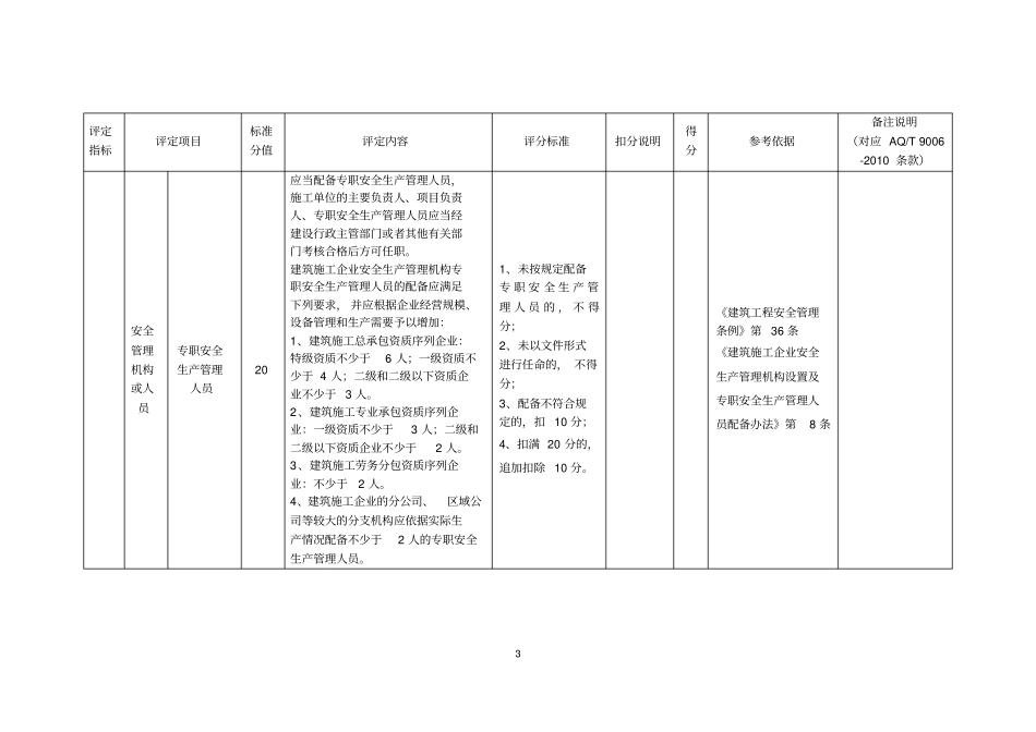
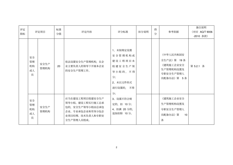
1 建筑企业安全生产标准化评定标准评定指标评定项目标准分值评定内容评分标准扣分说明得分参考依据备注说明(对应 AQ/T 9006 -2010 条款)安全生产基础管理资 质证照营业执照/ 取得营业执照。※无营业执照《中华人民共和国公司法》第 7 条/ 安全生产许可证取得安全生产许可证, 并在有效期内。※ 无 安 全 生 产 许可 证 或 许 可 证 超期 使 用 , 即 为 否决。《安全生产许可证条例》第 2 条消防验收意见书取得消防验收或消防验收意见。※ 无 消 防 验 收 或消防验收意见《中华人民共和国消防法》第 13 条2 评定指标评定项目标准分值评定内容评分标准扣分说明得分参考依据备注说明(对应 AQ/T 9006 -2010 条款)安全管理机构或人员安全生产管理机构20 依法设置安全生产管理机构,在企业主要负责人的领导下开展本企业的安全生产管理工作。1、未按规定设置安 全 管 理 机 构 或建 设 工 程 项 目 未组 建 安 全 生 产 领导 小 组 的 , 不 得分;2、未以文件形式进行设置的, 不得分;3、设置不符合规定的,扣 10 分;4、扣满 20 分的,追加扣除 10 分。《中华人民共和国安全生产法》第19 条《建筑施工企业安全生产管理机构设置及专职安全生产管理人员配备办法》第5 条第 5.2.1条安全管理机构或人员安全生产管理机构应当在建设工程项目组建安全生产领导小组。建设工程实行施工总承包的,安全生产领导小组由总承包企业、专业承包企业和劳务分包企业项目经理、技术负责人和专职安全生产管理人员组成。《建筑施工企业安全生产管理机构设置及专职安全生产管理人员配备办法》第10条3 评定指标评定项目标准分值评定内容评分标准扣分说明得分参考依据备注说明(对应 AQ/T 9006 -2010 条款)安全管理机构或人员专职安全生产管理人员20 应当配备专职安全生产管理人员,施工单位的主要负责人、项目负责人、专职安全生产管理人员应当经建设行政主管部门或者其他有关部门考核合格后方可任职。建筑施工企业安全生产管理机构专职安全生产管理人员的配备应满足下列要求, 并应根据企业经营规模、设备管理和生产需要予以增加:1、建筑施工总承包资质序列企业:特级资质不少于6 人;一级资质不少于 4 人;二级和二级以下资质企业不少于 3 人。2、建筑施工专业承包资质序列企业:一级资质不少于3 人;二级和二级以下资质企业不少于2 人。3、建筑施工劳务分包资质序列企...

1、当您付费下载文档后,您只拥有了使用权限,并不意味着购买了版权,文档只能用于自身使用,不得用于其他商业用途(如 [转卖]进行直接盈利或[编辑后售卖]进行间接盈利)。
2、本站所有内容均由合作方或网友上传,本站不对文档的完整性、权威性及其观点立场正确性做任何保证或承诺!文档内容仅供研究参考,付费前请自行鉴别。
3、如文档内容存在违规,或者侵犯商业秘密、侵犯著作权等,请点击“违规举报”。

碎片内容

建筑企业标准化评定标准

确认删除?
VIP
微信客服
  • 扫码咨询
会员Q群
  • 会员专属群点击这里加入QQ群
客服邮箱
回到顶部