电脑桌面
添加小米粒文库到电脑桌面
安装后可以在桌面快捷访问

建筑工地消防安全检查VIP专享VIP免费

建筑工地消防安全检查_第1页
1/3
建筑工地消防安全检查_第2页
2/3
建筑工地消防安全检查_第3页
3/3
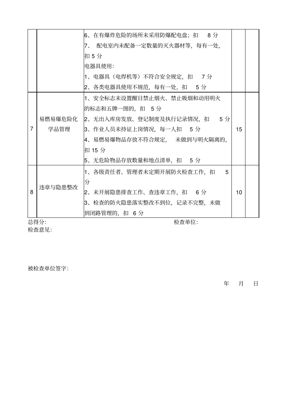
安徽华塑股份有限公司建筑工地消防安全检查评分标准施工单位:工程名称:序号检查内容检查要点标准分值应得分数1 消防制度、 组织机构建立与消防管理责任1、消防管理制度不健全,扣10 分2、现场未成立消防组织机构的,扣4 分3、现场总、分包未签订消防管理协议的,扣4 分4、未建立消防管理责任体系,未制定各级管理者的消防管理责任,扣 6 分5、各级责任者、 管理者未开展对职工消防宣传教育培训,扣 8 分10 2 预防及应急管理1、未制定施工现场防火安全方案及处置措施,扣8 分2、未制定火灾事故应急预案,扣10 分3、应急救援人员、物资管理混乱,扣6 分4、预案未开展初起灭火、人员逃生演练的,扣6 分5、未做应急预案演练、评估情况的,扣7 分10 3 消防安全重点部位管理情况1、未建立管理档案,扣4 分2、未按照管理落实控制措施(如安全标志、消防车道、疏散通道、安全出口、消防器材设置不规范,未有定期点检记录),每有一处,扣 4 分3、未开展定期检查、防火巡查,扣5 分4、在吸烟点外,随处吸烟,乱扔烟头,每一人,扣1 分10 4 动火管理一、未建立动火作业管理制度:1.无三级动火管理,扣 5 分2.无固定动火点管理,扣7 分二、现场动火作业消防防范措施不到位1、未办理动火许可证,扣15 分2、动火人员未取得特种作业操作证,扣5 分3、氧气、乙炔瓶无防倾倒措施,动火间距不符合规定,扣 6 分4、动火点附近有易燃物,未做隔离的,扣10 分。5、动火无监护人员,扣4 分6、涉及能源介质管道的动火作业,未采取相应的措施,扣 10 分7、其他制定的防火措施未落实,扣7 分8、24 米以上建筑物未设置消防立管的或器材不符合要求,扣 5 分15 5 消防设备设施管理1、未按照消防设备使用管理,消防设备监控、操作职责执行,扣 10 分2、无消防器材和其他灭火设施的配置清单,扣5 分3、消防设施器材设置不符合标准,重点部位消防器材配备不符合标准,扣5 分4、消防设备点检修维护管理:消防设备未做到定点检修维护到位,运行不正常,扣7 分5、消防器材管理: 移动式灭火器材未做到定点检修到位;应急照明、疏散标志等每有一处不完好的,扣3 分10 6 用电管理电气线路:1、有乱拉乱接现象,线路连接不牢固,每有一处,扣5分2、临时用电未获管理部门批准,扣15 分3、配电室防火措施:配电盘附近有堆放可燃物的;扣10分4、配电室的窗无防雨、 防水、防小动物进入的措施; 扣 7分5、高、低配电装置同在一室...

1、当您付费下载文档后,您只拥有了使用权限,并不意味着购买了版权,文档只能用于自身使用,不得用于其他商业用途(如 [转卖]进行直接盈利或[编辑后售卖]进行间接盈利)。
2、本站所有内容均由合作方或网友上传,本站不对文档的完整性、权威性及其观点立场正确性做任何保证或承诺!文档内容仅供研究参考,付费前请自行鉴别。
3、如文档内容存在违规,或者侵犯商业秘密、侵犯著作权等,请点击“违规举报”。

碎片内容

建筑工地消防安全检查

确认删除?
VIP
微信客服
  • 扫码咨询
会员Q群
  • 会员专属群点击这里加入QQ群
客服邮箱
回到顶部