电脑桌面
添加小米粒文库到电脑桌面
安装后可以在桌面快捷访问

工序报验单范本VIP免费

工序报验单范本_第1页
1/17
工序报验单范本_第2页
2/17
工序报验单范本_第3页
3/17
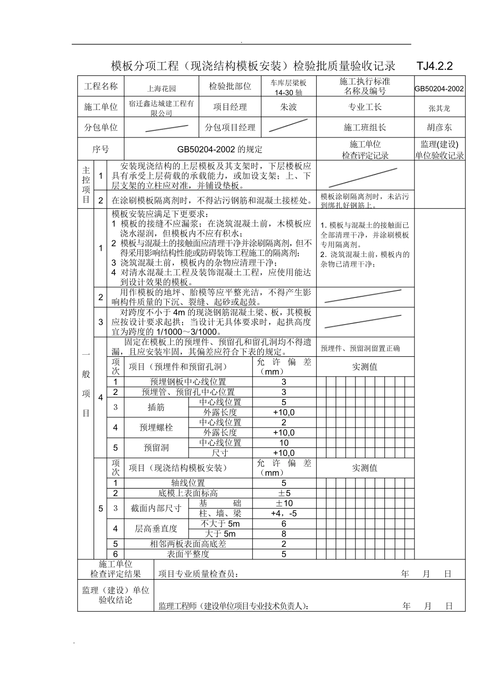
. . B .1.4 工程质量报验表 工程名称: 上海花园 编号:B .1.4 — 致: 沭阳正阳监理 (项目监理机构) 我方已完成 主体:柱、墙 模板安装 工作,经自检合格,请予以验收。 附件: □ 隐蔽工程质量检验资料 □√检验批质量检验资料 □√分项工程质量检验资料 □ 测量放线资料 □ 施工项目经理部(章): 项目经理或项目技术负责人(签字) 年 月 日 项目监理机构签收人姓名及时间 施工项目经理部签收人姓名及时间 监理验收及平行检验情况: 1.收到施工单位自检资料和验收记录表共 页,该项报验内容系共 次报验。 检查人(签字): 年 月 日 监理验收意见; □验收合格,可进行后续施工。 □验收不合格,不得进入下道工序施工,应于 月 日前整改完毕自检合格后重新报验。 项目监理机构(章): 专业监理工程师(签字): 年 月 日 注:本报验表分为隐蔽工程质量报验(B ..1.41)、检验批质量报验(B .1.42)、分项工程质量报验(B .1.43)、测量放线报验(B .1.44)及其他报验(B .1.4 )。 第五版表 江苏省住房和城乡建设厅监制 . . 模 板 分 项 工 程 ( 现 浇 结 构 模 板 安 装 ) 检 验 批 质 量 验 收 记 录 TJ4.2.2 工 程 名 称 上 海 花 园 检 验 批 部 位 车 库 层 梁 板14-30 轴 施 工 执 行 标 准 名 称 及 编 号 GB50204-2002 施 工 单 位 宿 迁 鑫 达 城 建 工 程 有限 公 司 项 目 经 理 朱 波 专 业 工 长 张 其 龙 分 包 单 位 分 包 项 目 经 理 施 工 班 组 长 胡 彦 东 序 号 GB50204-2002 的 规 定 施 工 单 位 检 查 评 定 记 录 监 理 (建 设 ) 单 位 验 收 记 录 主 控 项 目 1 安 装 现 浇 结 构 的 上 层 模 板 及 其 支 架 时 , 下 层 楼 板 应具 有 承 受 上 层 荷 载 的 承 载 能 力 , 或 加 设 支 架 ; 上 、 下层 支 架 的 立 柱 应 对 准 , 并 铺 设 垫 板 。 2 在 涂 刷 模 板 隔 离 剂 时 , 不 得 沾 污 钢 筋 和 混 凝 土 接 槎 处 。 模 板 涂 刷 隔 离 剂 时 , 未 沾 污到 绑 扎好钢 筋 上 。 一 般 项 目 1 模 板 安 装 应 满足下 更要求: 1 模 板 的 接 缝不 应 ...

1、当您付费下载文档后,您只拥有了使用权限,并不意味着购买了版权,文档只能用于自身使用,不得用于其他商业用途(如 [转卖]进行直接盈利或[编辑后售卖]进行间接盈利)。
2、本站所有内容均由合作方或网友上传,本站不对文档的完整性、权威性及其观点立场正确性做任何保证或承诺!文档内容仅供研究参考,付费前请自行鉴别。
3、如文档内容存在违规,或者侵犯商业秘密、侵犯著作权等,请点击“违规举报”。

碎片内容

工序报验单范本

您可能关注的文档

确认删除?
VIP
微信客服
  • 扫码咨询
会员Q群
  • 会员专属群点击这里加入QQ群
客服邮箱
回到顶部