电脑桌面
添加小米粒文库到电脑桌面
安装后可以在桌面快捷访问

新建泵房施工方案VIP免费

新建泵房施工方案_第1页
1/12
新建泵房施工方案_第2页
2/12
新建泵房施工方案_第3页
3/12
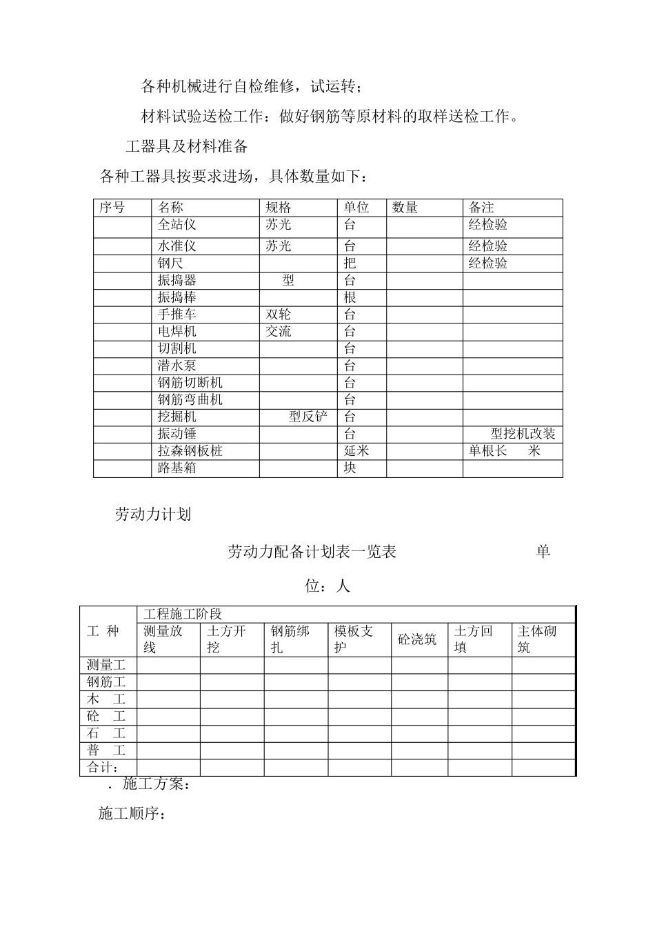
新建泵房施工方案 1.工程概况 本工程为XXX河段下游段防汛墙加固改造和底泥疏浚工程(底泥疏浚部分)的吹泥站部分。工程位于上海浦东新区老港镇清运河北港池西侧码头上。吹泥站共有7个分离池、2个泥浆池、1个尾水收集池、6台流量 900m3/小时的渣浆泵、7台流量 486m3/小时清水泵。 由于原设计采用的渣浆泵不能有效的将泥浆输送到泥库内,经过多次反复的试验改进仍未从根本上解决这个问题,因此设计最终决定将原有的4台东方泵业生产的渣浆泵换成 4台山东泰安泵厂生产的泥浆泵,2台泥浆泵进行串联,共新建4座泵房,电机部分仍使用原电机。每组泵房中的第一个泵房位于原地面以下约 3米深;第二个泵房位于原地面。 2.编制依据 2.1、上海市水利工程设计研究院提供施工图设计图纸。 2.2、国家及上海的现行设计及施工验收规范、质量评定标准、定额等文件和有关规定。 2.3、现场实际施工环境情况。 2.4、1S09001:2000质量标准文件及标准化现场施工的有关细则 3.施工技术准备 3.1技术准备: 3.1.1组织员工学习图纸,进行施工前的技术交底: 3.1.2组织特殊工种培训学习,进行上岗考核; 3.1.3对材料计算学习,提出材料计划; 3.1.4编制钢筋下料委托计划,申报钢筋备料计划: 3.1.5各种机械进行自检维修,试运转; 3.1.6材料试验送检工作:做好钢筋等原材料的取样送检工作。 3.2工器具及材料准备 各种工器具按要求进场,具体数量如下: 序号 名称 规格 单位 数量 备注 1 全站仪 苏光 RT352 台 1 经检验 2 水准仪 苏光 DSZ3 台 1 经检验 3 钢尺 50m 把 1 经检验 4 振捣器 50型 台 2 5 振捣棒 根 4 6 手推车 双轮 台 10 7 电焊机 交流 台 2 8 切割机 台 1 9 潜水泵 台 2 10 钢筋切断机 台 1 11 钢筋弯曲机 台 1 12 挖掘机 200型反铲 台 2 13 振动锤 台 1 450型挖机改装 14 拉森钢板桩 延米 77.2 单根长 12米 15 路基箱 块 80 4.劳动力计划 劳动力配备计划表一览表 单位:人 工 种 工程施工阶段 测量放线 土方开挖 钢筋绑扎 模板支护 砼浇筑 土方回填 主体砌筑 测量工 2 2 2 2 2 2 2 钢筋工 0 10 10 6 6 0 0 木 工 0 0 20 20 10 0 10 砼 工 0 0 10 10 2 0 2 石 工 0 0 0 0 0 0 20 普 工 10 15 15 15 20 20 20 合计: 12 27 57 53 40 22 54 5.施工方案: 施工顺序: 场地...

1、当您付费下载文档后,您只拥有了使用权限,并不意味着购买了版权,文档只能用于自身使用,不得用于其他商业用途(如 [转卖]进行直接盈利或[编辑后售卖]进行间接盈利)。
2、本站所有内容均由合作方或网友上传,本站不对文档的完整性、权威性及其观点立场正确性做任何保证或承诺!文档内容仅供研究参考,付费前请自行鉴别。
3、如文档内容存在违规,或者侵犯商业秘密、侵犯著作权等,请点击“违规举报”。

碎片内容

新建泵房施工方案

确认删除?
VIP
微信客服
  • 扫码咨询
会员Q群
  • 会员专属群点击这里加入QQ群
客服邮箱
回到顶部