电脑桌面
添加小米粒文库到电脑桌面
安装后可以在桌面快捷访问

建筑工程技术A卷含答案VIP免费

建筑工程技术A卷含答案_第1页
1/4
建筑工程技术A卷含答案_第2页
2/4
建筑工程技术A卷含答案_第3页
3/4
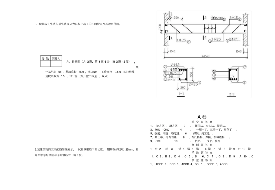
《建筑施工技术》课期终考试试卷A 1、零线即和的分界线,也就是不挖不填的线。2、常用的机械压实方法有、、等。3、预制桩强度达到设计强度时,方可起吊堆放,预制桩强度达到设计强度时方可运输。4、普通粘土砖实心墙的常用组砌形式有、和三种。5、现浇混凝土模板要求有足够的、、。6、混凝土浇筑工作应尽可能连续进行,如须间歇时,应在前层前,将下层混凝土浇筑完毕。如间歇时间过长,则应按处理。7、钢筋的塑性指标主要有和。8、钢筋连接方法主要有、、等几种。9、 预应力混凝土的强度等级一般不得低于10、一般抹灰的底层起作用,中层主要起作用,面层起作用1、当桩较密时,应由中间向两侧对称施打或由中间向四周施打。()2、施工脚手眼补砌时,灰缝应填满砂浆,不得用干砖填满。()3、混凝土预制桩浇注混凝土时, 应考虑施工方便,任意处均可以开始。 ()4、砖砌体每天砌筑高度不得超过1.5M,雨天不能超过去时1.2m。 ()5、砖基础砌筑时可采用多孔砖砌筑。 ()6、脚手架除保证有足够的强度外,其他可不考虑。()7、大放脚砌砖基础时,一般采用三顺一丁的方法砌筑。()8、砖缝应砂浆饱满,饱满度应为75%以上。()9、多孔砖在砌筑时墙体的最下面三皮砖应用实心砖来砌筑。()10、可采用井架将人货送到施工层。 ()1、从建筑施工的角度 , 可将土石分为八类 , 其中根据 ( ),可将土石分为八类。A 粒径大小 B. 承载能力 C. 坚硬程度 D. 孔隙率2、正铲挖土机挖土的特点是() A 后退向下,强制切土 B 前进向上,强制切土 C 后退向下,自重切土 D 直上直下,自重切土3、打桩的入土深度控制,对于承受轴向荷载的摩檫桩,应()A以贯入度为主,以标高作为参考 B仅控制贯入度不控制标高C以标高为主,以贯入度作为参考 D仅控制标高不控制贯入度4、砌砖墙留斜搓时,斜搓长度不应小于高度的() A 1/2 B 1/3 C 2/3 D 1/4 5、浇筑混凝土时,为了避免混凝土产生离析,自由倾落高度不应超过()A 1.5m B 2.0m C 2.5m D 3.0m 6、小于或等于 8M的梁应在混凝土强度达到设计强度的()时可拆除。A 50% B 70% C 75% D 100% 7、 钢 筋 弯 曲 180 ° 时 弯 曲 调 整 值 为 增 加 ()。A 4d B 3.25d C 6.25d D 2d8、量度差值是指() A 外包尺寸与内包尺寸间差值 B 外包尺寸与轴线间差值C 轴线与内包尺寸间差值 D 外包尺寸与中心线长度间差值9、当屋面坡度小于3%时,沥...

1、当您付费下载文档后,您只拥有了使用权限,并不意味着购买了版权,文档只能用于自身使用,不得用于其他商业用途(如 [转卖]进行直接盈利或[编辑后售卖]进行间接盈利)。
2、本站所有内容均由合作方或网友上传,本站不对文档的完整性、权威性及其观点立场正确性做任何保证或承诺!文档内容仅供研究参考,付费前请自行鉴别。
3、如文档内容存在违规,或者侵犯商业秘密、侵犯著作权等,请点击“违规举报”。

碎片内容

建筑工程技术A卷含答案

确认删除?
VIP
微信客服
  • 扫码咨询
会员Q群
  • 会员专属群点击这里加入QQ群
客服邮箱
回到顶部