电脑桌面
添加小米粒文库到电脑桌面
安装后可以在桌面快捷访问

建筑工程施工控制网的精度VIP免费

建筑工程施工控制网的精度_第1页
1/3
建筑工程施工控制网的精度_第2页
2/3
建筑工程施工控制网的精度_第3页
3/3
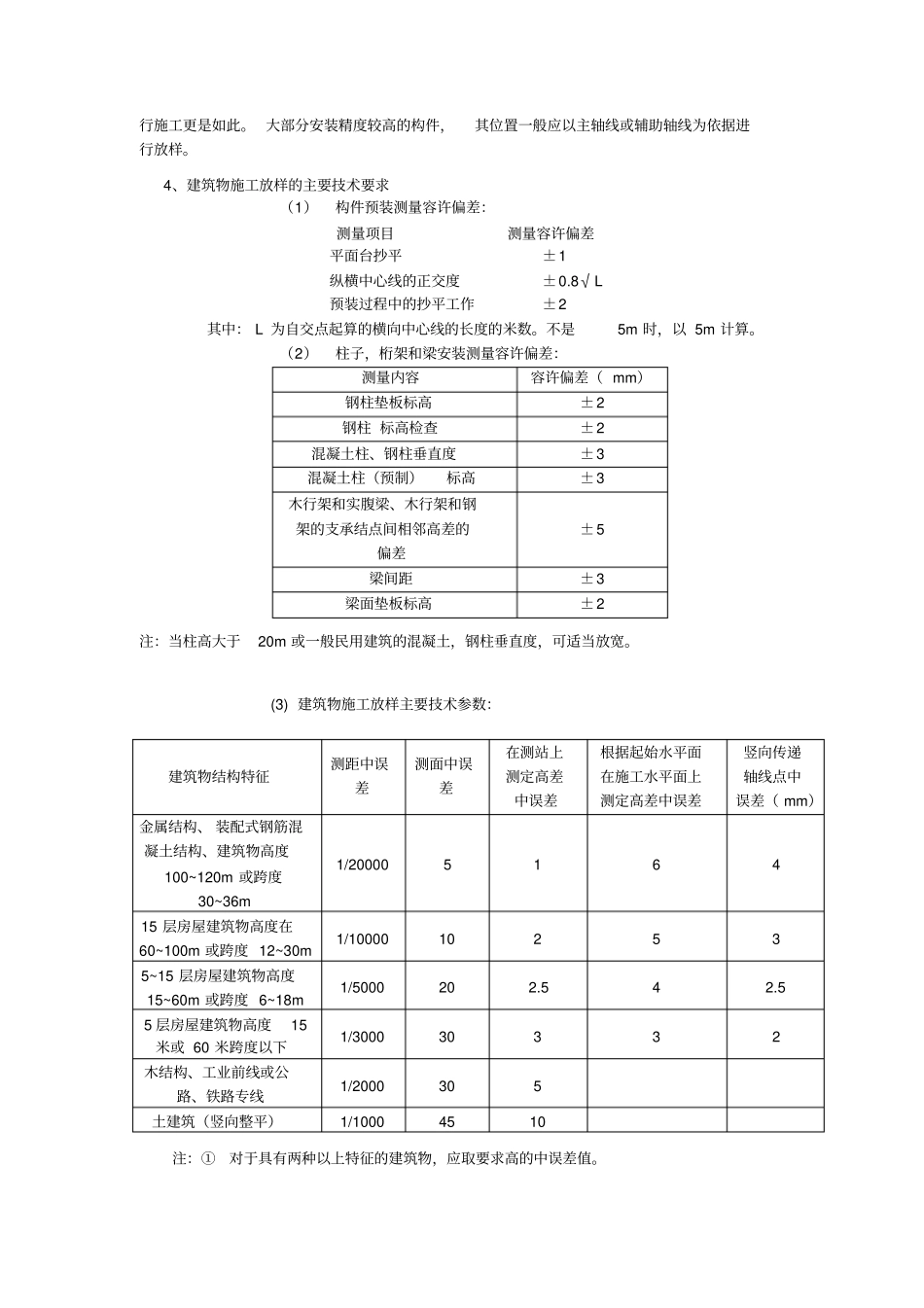
第 二 节建筑工程施工控制网的精度及其布设形式由于各种工程对于放样精度的要求不同,施工现场的地形条件以及建筑物的分布和施工布置情况也不一样,所以各种施工控制网的形式、精度以及点位分布都不尽相同。各种施工控制都具有控制面积小、密度大、精度要求高、受施工干扰大等特点。一、建筑限差与施工精度建筑限差是建筑物竣工后对于设计尺寸的容许偏差,它决定了建筑物的放样精度,而施工控制网是满足放样各种建筑物位置精度的重要保证。因此可知由建筑限差可确定施工控制网的精度。建筑限差是容许偏差,而工程竣工位置中误差m 则为建筑限差的一半,即:m =Δ /2 4-1 而建筑物竣工后的位置中误差是由施工误差和测量误差共同影响来产生的,故有:m 2=m 2施+m 2测4-2 由于施工设备,施工技术及现场条件的限制,通常取施工误差为测量误差的√2 倍,则有m 施=√2m 测4-3 故有:m 测=m / √3 4-4 又因测量误差又包括控制测量误差和放样的误差m 放,有:m 2测 =m 2控+m2放4-5 考虑到建筑场地上的控制点较密,放样点离控制点不会太远,放样误差也不会太大,因而取;m 放=√2m 控4-6 代入前式 4-5 有: m 控=m 测/√3 4-7 又将 4-1 式代入 4-7 式,则有 : m 控=Δ /6 以上就是施工控制网精度与建筑限差之间的关系,也就是说对于一项工程只要给定了建筑限差, 我们就能根据以上公式来计算施工控制网的精度。由于建筑工程是一个复杂的结构体,不同结构部位都有一个建筑限差,因此在选定建筑限差来计算施工控制网精度时,应综合考虑整个工程的施工程序和施工方法来确定,决非单纯取最高的限差要求来确定施工控制网的精度。综上所述, 正确制定放样的容许误差十分重要,限差过宽,可能影响工程质量,反之则浪费人力、 物力和时间, 而且与现代的施工安装的速度不相适应。建筑限差按不同的建筑结构和用途, 应遵循我国现行标准执行,如《混凝土结构工程施工及验收规范》,《钢筋混凝土高层建筑结构设计与施工规程》,《建筑安装工程施工及验收技术规范》等。二、工程建筑物放样的精度要求:(一)、精度标准1.建筑物主轴线对周围物体相对位置的精度。周围物体包括建筑物的自然条件以及近旁的其他建筑物。若为新建工程则只需要考虑建筑区的地形(与工程量有关)与地质情况(与建筑物的稳定性有关)。2.建筑物各部分之间及各部分相对于主轴线的精度。3.建筑物各部分若有一定的几何联系,或由于连续作业的需要...

1、当您付费下载文档后,您只拥有了使用权限,并不意味着购买了版权,文档只能用于自身使用,不得用于其他商业用途(如 [转卖]进行直接盈利或[编辑后售卖]进行间接盈利)。
2、本站所有内容均由合作方或网友上传,本站不对文档的完整性、权威性及其观点立场正确性做任何保证或承诺!文档内容仅供研究参考,付费前请自行鉴别。
3、如文档内容存在违规,或者侵犯商业秘密、侵犯著作权等,请点击“违规举报”。

碎片内容

建筑工程施工控制网的精度

您可能关注的文档

文库当当响+ 关注
实名认证
内容提供者

该用户很懒,什么也没介绍

确认删除?
VIP
微信客服
  • 扫码咨询
会员Q群
  • 会员专属群点击这里加入QQ群
客服邮箱
回到顶部