电脑桌面
添加小米粒文库到电脑桌面
安装后可以在桌面快捷访问

建筑工程施工质量编制依据VIP免费

建筑工程施工质量编制依据_第1页
1/19
建筑工程施工质量编制依据_第2页
2/19
建筑工程施工质量编制依据_第3页
3/19
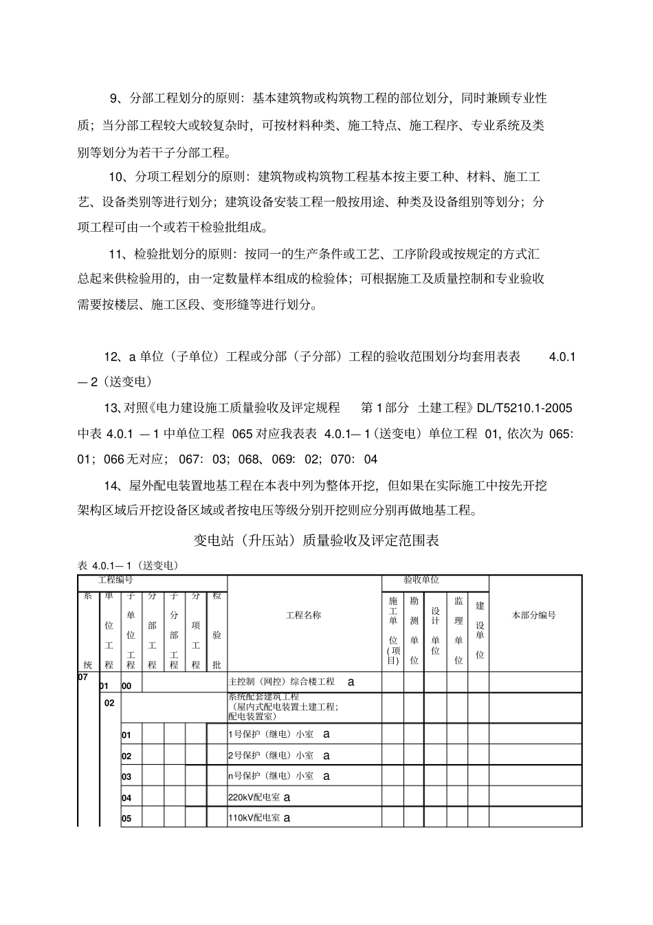
一、编制依据及说明1、《建筑工程施工质量验收统一标准》 (GB50300-2001);2、《电力建设施工质量验收及评定规程第 1 部分 土建工程》 DL/T5210.1-2005 ;3、变电站新建工程施工图纸;4、结合现场施工控制,监理审批后的表中应增加控制点,H-停工待检点, W-质量见证点, S-旁站点。5、现行国家有关工程质量的法律、法规、管理标准、技术标准、电力行业有关标准和相关标准和相关行业标准以及有关技术标准的强制性条文规定,并参考了原电力工业部标准《火电施工质量检验及评定标准第一篇土建工程篇》的内容。6、 质量验收及评定规范主要包含四部分内容:工程编号;质量检验项目的划分;验收单位;各分项工程检验批质量验收标准的套用。7、我公司施工的变电站、升压站工程无论电压等级均按表4.0.1— 1(送变电)及表 4.0.1— 2(送变电)的基本模式,结合工程具体情况,制定工程项目的质量验收及评定范围,不涉及的项目可以删减,序号可以自然推进。质量验收及评定范围表可由承建工程的施工单位编制,监理单位审查,建设单位确认。8、单位工程的划分的原则:可根据工程建设使用或交付安装的需要,将其具有独立生产 (使用)功能或独立施工条件的的建筑物及构筑物进行划分。建筑规模较大的单位工程,可根据工程建设使用或交付安装的需要,将其具有独立生产 (使用)功能或独立施工条件的部分划为一个子单位工程。9、分部工程划分的原则:基本建筑物或构筑物工程的部位划分,同时兼顾专业性质;当分部工程较大或较复杂时,可按材料种类、施工特点、施工程序、专业系统及类别等划分为若干子分部工程。10、分项工程划分的原则:建筑物或构筑物工程基本按主要工种、材料、施工工艺、设备类别等进行划分;建筑设备安装工程一般按用途、种类及设备组别等划分;分项工程可由一个或若干检验批组成。11、检验批划分的原则:按同一的生产条件或工艺、工序阶段或按规定的方式汇总起来供检验用的,由一定数量样本组成的检验体;可根据施工及质量控制和专业验收需要按楼层、施工区段、变形缝等进行划分。12、a 单位(子单位)工程或分部(子分部)工程的验收范围划分均套用表表4.0.1— 2(送变电)13、对照《电力建设施工质量验收及评定规程第 1部分 土建工程》DL/T5210.1-2005中表 4.0.1 — 1 中单位工程 065 对应我表表 4.0.1— 1(送变电)单位工程 01,依次为 065:01;066 无对应; 067:03;068、069:02;070:0414、屋外配电装...

1、当您付费下载文档后,您只拥有了使用权限,并不意味着购买了版权,文档只能用于自身使用,不得用于其他商业用途(如 [转卖]进行直接盈利或[编辑后售卖]进行间接盈利)。
2、本站所有内容均由合作方或网友上传,本站不对文档的完整性、权威性及其观点立场正确性做任何保证或承诺!文档内容仅供研究参考,付费前请自行鉴别。
3、如文档内容存在违规,或者侵犯商业秘密、侵犯著作权等,请点击“违规举报”。

碎片内容

建筑工程施工质量编制依据

您可能关注的文档

确认删除?
VIP
微信客服
  • 扫码咨询
会员Q群
  • 会员专属群点击这里加入QQ群
客服邮箱
回到顶部