电脑桌面
添加小米粒文库到电脑桌面
安装后可以在桌面快捷访问

建筑防水材料最新最全分类详解要点VIP免费

建筑防水材料最新最全分类详解要点_第1页
1/17
建筑防水材料最新最全分类详解要点_第2页
2/17
建筑防水材料最新最全分类详解要点_第3页
3/17
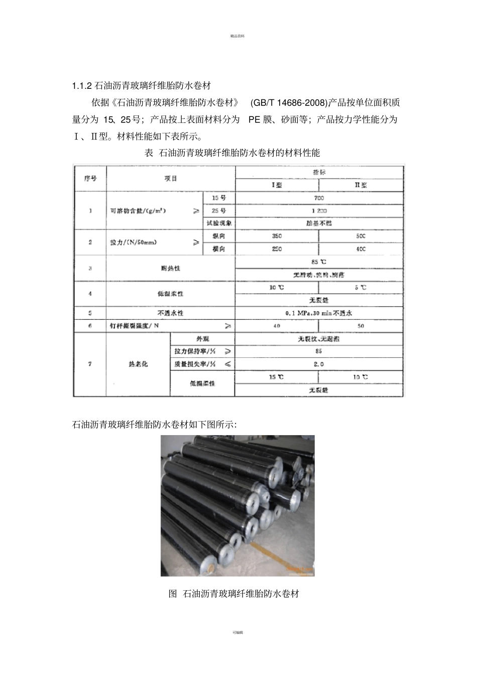
精品资料可编辑建筑防水材料我国建筑防水材料通常可分为五大类:即 防水卷材 、防水涂料 、密封材料 、刚性防水材料 及堵漏止水材料 。我国从 50 年代开始应用沥青油毡卷材以来,沥青类防水材料一直成为我国建筑防水材料的主导产品, 无论是品种、 质量还是产量都得到迅速的发展。就目前我国新型防水材料总体结构比例上看,仍是以沥青基防水材料为主要产品,占全部防水材料的 80%,高分子防水卷材占10%左右,防水涂料及其他防水材料占10%左右。1、防水卷材防水卷材是由工厂生产的具有一定厚度的片状防水材料,因为它有相当的柔性,可以卷曲并按一定长度成卷出厂,故称之为卷材。适用范围:防水卷材一般 用于地下室基础防水、屋面防水。性能特点:具有优良的耐老化、耐穿刺、耐腐蚀性能。可以直接接触紫外线辐射,耐高温、低温性能良好,广泛用于屋面防水;又能耐各种酸碱的腐蚀,并具有优良的抗拉、 抗震性能, 所以广泛用于地下室基础防水。另外因其抗撕抗拉能力强,各种上人屋面一般优先采用。防水卷材分类如下所示:防水卷材高聚物改性沥青防水卷SBS 卷材APP 卷材沥青防水卷材铝箔面卷材石油沥青玻纤胎卷材石油沥青纸胎油毡合成高分子防水卷材橡胶共混卷材三元乙丙卷材聚氯乙烯卷材氯化聚乙烯卷材精品资料可编辑1.1 沥青防水卷材以玻纤布、聚酯布等为胎基,以沥青(或非高聚物材料改性的沥青)为浸涂层,表面覆以聚乙烯膜、铝箔、细纱、页岩片等覆面材料,经浸渍或滚压而成的片状防水材料。代表产品有 石油沥青纸胎油毡 、石油沥青玻璃纤维胎防水卷材以及铝箔面石油沥青防水卷材 等。性能特点: 由于其抗拉、 抗震强度, 温度适应性已渐不能满足现代建筑的需要,属于 低档防水材料 ,已渐被淘汰。1.1.1 石油沥青纸胎油毡依据《石油沥青纸胎油毡》 (GB 326-2007),石油沥青纸胎油毡的物理性能如下表所示:表 石油沥青纸胎油毡的物理性能注:Ⅰ、Ⅱ型油毡适用于辅助防水、保护隔离层、临时性建筑防水、防潮及包装等。Ⅲ型油毡适用于屋面工程的多层防水。石油沥青玻璃纤维胎防水卷材如下图所示:图 石油沥青纸胎油毡精品资料可编辑1.1.2 石油沥青玻璃纤维胎防水卷材依据《石油沥青玻璃纤维胎防水卷材》(GB/T 14686-2008),产品按单位面积质量分为 15、25号;产品按上表面材料分为PE 膜、砂面等;产品按力学性能分为Ⅰ、Ⅱ型。材料性能如下表所示。表 石油沥青玻璃纤维胎防水卷材的材料性能石油沥青玻璃纤维胎防水...

1、当您付费下载文档后,您只拥有了使用权限,并不意味着购买了版权,文档只能用于自身使用,不得用于其他商业用途(如 [转卖]进行直接盈利或[编辑后售卖]进行间接盈利)。
2、本站所有内容均由合作方或网友上传,本站不对文档的完整性、权威性及其观点立场正确性做任何保证或承诺!文档内容仅供研究参考,付费前请自行鉴别。
3、如文档内容存在违规,或者侵犯商业秘密、侵犯著作权等,请点击“违规举报”。

碎片内容

建筑防水材料最新最全分类详解要点

您可能关注的文档

确认删除?
VIP
微信客服
  • 扫码咨询
会员Q群
  • 会员专属群点击这里加入QQ群
客服邮箱
回到顶部