电脑桌面
添加小米粒文库到电脑桌面
安装后可以在桌面快捷访问

建设施工监理主要分包单位企业及工程项目主要管理人员一览表表VIP免费

建设施工监理主要分包单位企业及工程项目主要管理人员一览表表_第1页
1/3
建设施工监理主要分包单位企业及工程项目主要管理人员一览表表_第2页
2/3
建设施工监理主要分包单位企业及工程项目主要管理人员一览表表_第3页
3/3
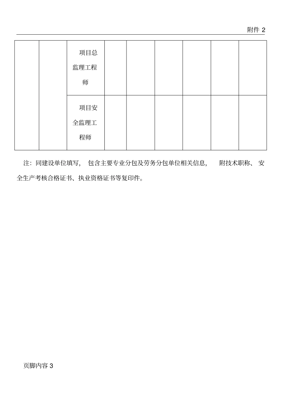
附件 2页脚内容 1建设、施工、监理、主要分包单位企业及工程项目主要管理人员一览表(表 JD-1-2)建设单位(盖章) :工程名称:日期:年月日工程建设责任主体单位名称主要管理人员姓名职务技术职称安全生产考核合格证书执业资格证书联系电话(手机)建设单位企业法定代表人项目负责人项目安全负责人施工总承包企业法定代表人企业技附件 2页脚内容 2单位术负责人企业安全负责人项目经理项目技术负责人项目全负责人监理单位企业法定代表人企业技术负责人企业安全负责人附件 2页脚内容 3项目总监理工程师项目安全监理工程师注:同建设单位填写, 包含主要专业分包及劳务分包单位相关信息,附技术职称、 安全生产考核合格证书、执业资格证书等复印件。

1、当您付费下载文档后,您只拥有了使用权限,并不意味着购买了版权,文档只能用于自身使用,不得用于其他商业用途(如 [转卖]进行直接盈利或[编辑后售卖]进行间接盈利)。
2、本站所有内容均由合作方或网友上传,本站不对文档的完整性、权威性及其观点立场正确性做任何保证或承诺!文档内容仅供研究参考,付费前请自行鉴别。
3、如文档内容存在违规,或者侵犯商业秘密、侵犯著作权等,请点击“违规举报”。

碎片内容

建设施工监理主要分包单位企业及工程项目主要管理人员一览表表

您可能关注的文档

确认删除?
VIP
微信客服
  • 扫码咨询
会员Q群
  • 会员专属群点击这里加入QQ群
客服邮箱
回到顶部