电脑桌面
添加小米粒文库到电脑桌面
安装后可以在桌面快捷访问

建设项目危险化学品建设项目安全设施设计审查申请书范本VIP免费

建设项目危险化学品建设项目安全设施设计审查申请书范本_第1页
1/7
建设项目危险化学品建设项目安全设施设计审查申请书范本_第2页
2/7
建设项目危险化学品建设项目安全设施设计审查申请书范本_第3页
3/7
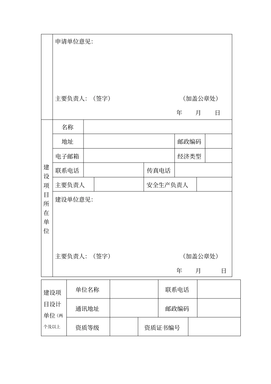
建设项目危险化学品建设项目安全设施设计审查申请书(范本)项目名称申请单位经 办 人联系电话填写日期申请单位名称地址邮政编码电子邮箱经济类型联系电话传真电话法定代表人安全生产负责人申请单位意见:主要负责人:(签字)(加盖公章处)年月日建设项目所在单位名称地址邮政编码电子邮箱经济类型联系电话传真电话主要负责人安全生产负责人建设单位意见:主要负责人:(签字)(加盖公章处)年月日建设项目设计单位(两个及以上单位名称联系电话通讯地址邮政编码资质等级资质证书编号设计单位的,均应填写)承担主要任务法定代表人项目负责人建设项目基本概况:1、项目类型:2、建设地址:3、总投资万元,其中,安全投资万元4、主要原辅材料:5、主要产品(包括中间产品、副产品) :6、项目涉及重点监管的危险化学品:7、项目涉及重点监管的危险化工工艺:8、项目中构成重大危险源的主要装置(设施)有:安全条件审查通过后, 主要技术、 工艺路线、 产品方案或者装置规模变更情况:安全条件审查通过后,建设项目生产、储存区周边状况变化情况:安全设施设计情况(是否执行标准AQ/T3033,特别是设计过程中危险与可操作性分析 实施情况等):申请文件、材料清单(在“□”中用“√”勾选):□建设项目安全设施设计审查申请书及文件;□各设计单位的设计资质证明文件(复制件) ;□建设项目安全设施设计专篇。□在建设项目安全条件审查阶段未取得建设项目审批(核准、备案)手续的,还应当提交投资主管部门出具的建设项目审批(核准、备案)文件(复制件)。危险化学品建设项目安全设施设计审查申请书填写说明一、本申请书可以用钢笔、签字笔填写,字迹要清晰、工整;也可以用打印机打印四号字文本,但“负责人签字”必须由负责人本人用钢笔、签字笔签署姓名。二、本申请书“申请单位”是指《危险化学品建设项目安全监督管理办法》(国家安全监管总局令第45 号)规定的建设单位, “建设项目所在单位”是指“申请单位”依法设立的分支机构。三、本申请书封面中, “项目名称”栏,填写需要政府或者投资主管部门审批或者核准、备案的建设项目名称;“申请单位”栏,填写申请单位“企业法人营业执照”或者“营业执照”、“企业名称预先核准通知书”上的企业名称。四、本申请书“申请单位” 和“建设项目所在单位” 栏目中的“名称”和“地址”,分别填写申请单位和建设项目所在单位“企业法人营业执照”或者“营业执照” 、...

1、当您付费下载文档后,您只拥有了使用权限,并不意味着购买了版权,文档只能用于自身使用,不得用于其他商业用途(如 [转卖]进行直接盈利或[编辑后售卖]进行间接盈利)。
2、本站所有内容均由合作方或网友上传,本站不对文档的完整性、权威性及其观点立场正确性做任何保证或承诺!文档内容仅供研究参考,付费前请自行鉴别。
3、如文档内容存在违规,或者侵犯商业秘密、侵犯著作权等,请点击“违规举报”。

碎片内容

建设项目危险化学品建设项目安全设施设计审查申请书范本

爱的疯狂+ 关注
实名认证
内容提供者

该用户很懒,什么也没介绍

确认删除?
VIP
微信客服
  • 扫码咨询
会员Q群
  • 会员专属群点击这里加入QQ群
客服邮箱
回到顶部