电脑桌面
添加小米粒文库到电脑桌面
安装后可以在桌面快捷访问

C临时施工用电方案VIP专享VIP免费

C临时施工用电方案_第1页
1/9
C临时施工用电方案_第2页
2/9
C临时施工用电方案_第3页
3/9
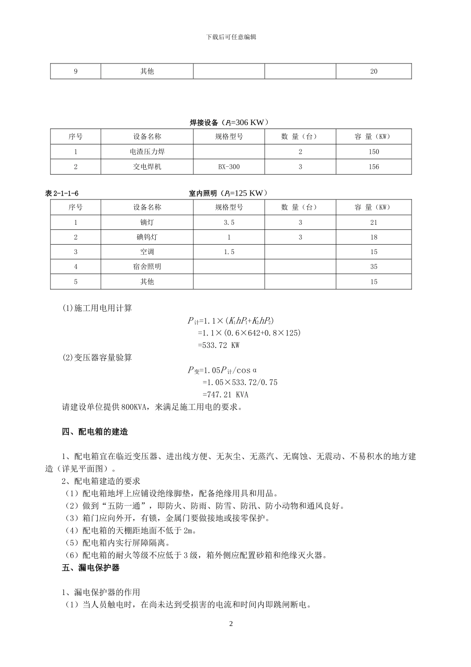
下载后可任意编辑临 时 施 工 用 电 方 案一、现场概况本工程建筑面积 17727㎡,施工现场比较狭小。现场由甲方提供 800kVA、变压器一只,作为现场施工用电源。本楼设 QTZ40B 塔吊一台、钢筋制作间、木工棚各一座;现场设木工、瓦工、钢筋工临时仓库各一间,变压器位于上海路南侧,C 座北侧,可供 A、B、C 座及附近临时设施用电。二、接地与接零保护系统1、本工程施工现场比较不长,但用电设备较多,用电量大。为防止在 TN—C 三相四线接零保护情况下由于共用中性线而使中性线带电,造成触电事故而采纳 TN—S 三相五线接零保护。2、TN—S 三相五线接零保护架设要求(1)保护零线严禁通过任何开关或熔断器。(2)保护零线作为接零保护的专用线,必须独用,不能他用,电缆要用五芯电缆。(3)保护零线除了从工作接地线(变压器)或总配电箱电源侧零线引出外,在任何地方不得与工作零线有电气连接,特别注意电箱中防止经过铁质箱体形成电气连接。(4)保护零线的截面积应不小于工作零线的截面积,同时必须满足机械强度的要求。(5)保护零线的统一标志为黄/绿双色线,在任何情况下不能将其作负荷线用。(6)重复接地必须在保护零线上。工作零线不能加重复接地(因工作零线加了重复接地,漏电保护器就无法使用)。(7)保护零线除必须在配电室或总配电箱处作重复接地外,还必须在配电线路的中间处及末端做重复接地,配电线路越长,重复接地的作用越明显,为了接地电阻更小,可适当多打接地桩重复接地。三、电源负荷计算1、变压器用电量验算(1)变压器主要供电对象电动设备(ρ1=337 KW)序号设备名称规格型号数量(台)容量(KW)1塔吊QTZ40B12202砼拌和机J3501183切断机GJ-50216.54圆盘锯2155物料提升机2216振动器5207弯曲机GW-143 188水泵3 81下载后可任意编辑9其他20焊接设备(P2=306 KW)序号设备名称规格型号数 量(台)容 量(KW)1电渣压力焊 21502交电焊机BX-3003156表 2-1-1-6 室内照明(P3=125 KW)序号设备名称规格型号数 量(台)容 量(KW)1镝灯3.53212碘钨灯13183空调1.5154宿舍照明 355其他15(1)施工用电用计算P 计=1.1×(K1hP1+K2hP2)=1.1×(0.6×642+0.8×125)=533.72 KW(2)变压器容量验算P 变=1.05P 计/cosα=1.05×533.72/0.75=747.21 KVA请建设单位提供 800KVA,来满足施工用电的要求。四、配电箱的建造1、配电箱宜在临近变压器、进出线方便、无灰尘、无蒸汽、无腐蚀、无震动、不易积水的...

1、当您付费下载文档后,您只拥有了使用权限,并不意味着购买了版权,文档只能用于自身使用,不得用于其他商业用途(如 [转卖]进行直接盈利或[编辑后售卖]进行间接盈利)。
2、本站所有内容均由合作方或网友上传,本站不对文档的完整性、权威性及其观点立场正确性做任何保证或承诺!文档内容仅供研究参考,付费前请自行鉴别。
3、如文档内容存在违规,或者侵犯商业秘密、侵犯著作权等,请点击“违规举报”。

碎片内容

C临时施工用电方案

确认删除?
VIP
微信客服
  • 扫码咨询
会员Q群
  • 会员专属群点击这里加入QQ群
客服邮箱
回到顶部