电脑桌面
添加小米粒文库到电脑桌面
安装后可以在桌面快捷访问

GSP零售企业现场检查标准VIP免费

GSP零售企业现场检查标准_第1页
1/7
GSP零售企业现场检查标准_第2页
2/7
GSP零售企业现场检查标准_第3页
3/7
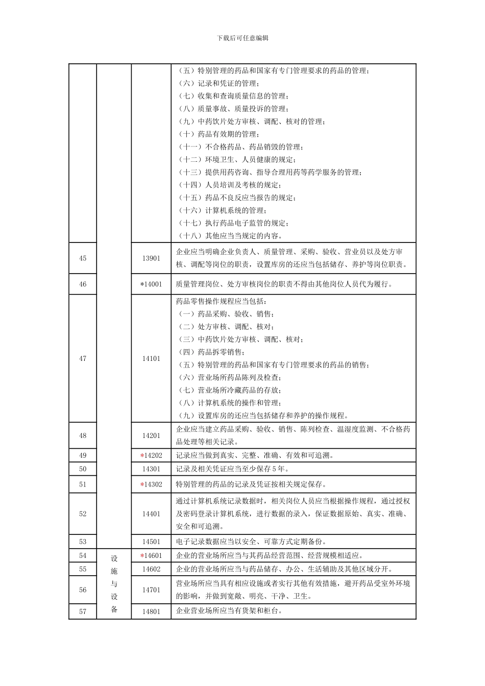
下载后可任意编辑《药品经营质量管理法律规范》零售企业现场检查标准 (征求意见稿)序号条款号检查内容1总则**00401药品经营企业应当依法经营。2**00402药品经营企业应当坚持诚实守信,禁止任何虚假、欺骗行为。3质量管理与职责12301企业应当根据有关法律法规及本法律规范的要求制定质量管理文件,开展质量管理活动,确保药品质量。4**12401企业应当具有与其经营范围和规模相适应当的经营条件,包括组织机构、人员、设施设备、质量管理文件。612402企业应当根据规定设置计算机系统。712501企业负责人是药品质量的主要责任人,负责企业日常管理,负责提供必要的条件,保证质量管理部门和质量管理人员有效履行职责,确保企业根据《法律规范》要求经营药品。8*12601企业应当设置质量管理部门或者配备质量管理人员。912602质量管理部门或者质量管理人员负责督促相关部门和岗位人员执行药品管理的法律法规及本法律规范。1012603质量管理部门或者质量管理人员负责组织制订质量管理文件,并指导、监督文件的执行。1112604质量管理部门或者质量管理人员负责对供货单位及其销售人员资格证明的审核。1212605质量管理部门或者质量管理人员负责对所采购药品合法性的审核。1312606质量管理部门或者质量管理人员负责药品的验收,指导并监督药品采购、储存、陈列、销售等环节的质量管理工作。1412607质量管理部门或者质量管理人员负责药品质量查询及质量信息管理。1512608质量管理部门或者质量管理人员负责药品质量投诉和质量事故的调查、处理及报告。1612609质量管理部门或者质量管理人员负责对不合格药品的确认及处理。1712610质量管理部门或者质量管理人员负责假劣药品的报告1812611质量管理部门或者质量管理人员负责药品不良反应当的报告。1912612质量管理部门或者质量管理人员负责开展药品质量管理教育和培训。2012613质量管理部门或者质量管理人员负责计算机系统操作权限的审核、控制及质量管理基础数据的维护。2112614质量管理部门或者质量管理人员负责组织计量器具的校准及检定工作。2212615质量管理部门或者质量管理人员负责指导并监督药学服务工作。2312616质量管理部门或者质量管理人员负责其他应当由质量管理部门或者质量管理人员履行的职责。下载后可任意编辑24人员管理12701企业从事药品经营和质量管理工作的人员,应当符合有关法律法规及本法律规范规定的资格要求,不得有相关法律法规禁止从业的情形。25*12801企业法定代表人或者企业负责人应当...

1、当您付费下载文档后,您只拥有了使用权限,并不意味着购买了版权,文档只能用于自身使用,不得用于其他商业用途(如 [转卖]进行直接盈利或[编辑后售卖]进行间接盈利)。
2、本站所有内容均由合作方或网友上传,本站不对文档的完整性、权威性及其观点立场正确性做任何保证或承诺!文档内容仅供研究参考,付费前请自行鉴别。
3、如文档内容存在违规,或者侵犯商业秘密、侵犯著作权等,请点击“违规举报”。

碎片内容

GSP零售企业现场检查标准

您可能关注的文档

人从众+ 关注
实名认证
内容提供者

欢迎光临小店,本店以公文和教育为主,希望符合您的需求。

确认删除?
VIP
微信客服
  • 扫码咨询
会员Q群
  • 会员专属群点击这里加入QQ群
客服邮箱
回到顶部