电脑桌面
添加小米粒文库到电脑桌面
安装后可以在桌面快捷访问

GZXH-CZFA-02----公用系统故障现场处置方案1VIP免费

GZXH-CZFA-02----公用系统故障现场处置方案1_第1页
1/8
GZXH-CZFA-02----公用系统故障现场处置方案1_第2页
2/8
GZXH-CZFA-02----公用系统故障现场处置方案1_第3页
3/8
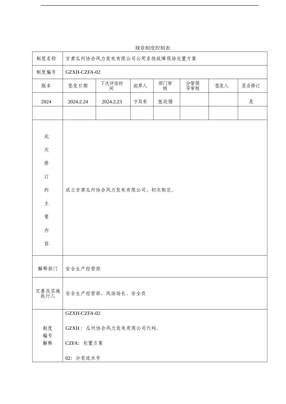
规章制度控制表制度名称甘肃瓜州协合风力发电有限公司公用系统故障现场处置方案制度编号GZXH-CZFA-02版本签发日期下次评估时间起草人部门审核分管领导审核签发人是否修订20242024.2.242024.2.23于双有张廷强是此次修订的主要内容成立甘肃瓜州协合风力发电有限公司,初次制定。解释部门安全生产经营部完善及实施执行人安全生产经营部、风场场长、安全员制度编号解释GZXH-CZFA-02 GZXH :瓜州协合风力发电有限公司代码。CZFA:处置方案02:分类流水号下载后可任意编辑甘肃瓜州协合风力发电有限公司企业标准GZXH YW-06-48瓜州协合风电场公用系统故障现场处置方案 2024-11-20 编制 2024-01-01 实施甘肃瓜州协合风力发电有限公司发布目 录1 总则.......................................................................21.1 编制目的..................................................................................................................................21.2 编制依据..................................................................................................................................21.3 适用范围..................................................................................................................................22 事件特征...................................................................22.1 危险性分析和事件类型...........................................................................................................22.2 事件可能发生的地点...............................................................................................................22.3 事件危害程度..........................................................................................................................22.4 事前可能出现的征兆...............................................................................................................23 应急组织及职责.............................................................23.1 事故现场应急处置指挥部.......................................................................................................23.2 事故现场处置救援队......................................

1、当您付费下载文档后,您只拥有了使用权限,并不意味着购买了版权,文档只能用于自身使用,不得用于其他商业用途(如 [转卖]进行直接盈利或[编辑后售卖]进行间接盈利)。
2、本站所有内容均由合作方或网友上传,本站不对文档的完整性、权威性及其观点立场正确性做任何保证或承诺!文档内容仅供研究参考,付费前请自行鉴别。
3、如文档内容存在违规,或者侵犯商业秘密、侵犯著作权等,请点击“违规举报”。

碎片内容

GZXH-CZFA-02----公用系统故障现场处置方案1

您可能关注的文档

确认删除?
VIP
微信客服
  • 扫码咨询
会员Q群
  • 会员专属群点击这里加入QQ群
客服邮箱
回到顶部