电脑桌面
添加小米粒文库到电脑桌面
安装后可以在桌面快捷访问

j2024最新工业品买卖合同VIP免费

j2024最新工业品买卖合同_第1页
1/2
j2024最新工业品买卖合同_第2页
2/2
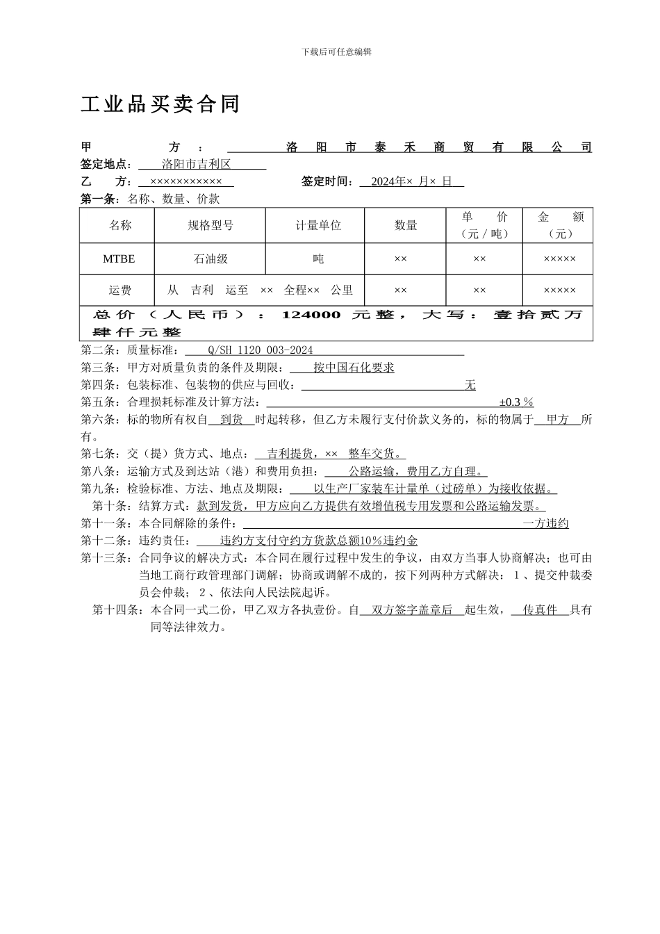
下载后可任意编辑工 业 品 买 卖 合 同甲 方: 洛阳市泰禾商贸有限公司 签定地点: 洛阳市吉利区 乙 方: ××××××××××× 签定时间: 2024 年 × 月 × 日 第一条:名称、数量、价款 名称规格型号计量单位数量单 价(元/吨)金 额(元)MTBE石油级吨×××××××××运费从 吉利 运至 ×× 全程××公里×××××××××总 价 ( 人 民 币 ) : 124000 元 整 , 大 写 : 壹 拾 贰 万肆 仟 元 整第二条:质量标准: Q/SH 1120 003-2024 第三条:甲方对质量负责的条件及期限: 按中国石化要求 第四条:包装标准、包装物的供应与回收: 无 第五条:合理损耗标准及计算方法: ±0.3 % 第六条:标的物所有权自 到货 时起转移,但乙方未履行支付价款义务的,标的物属于 甲方 所有。第七条:交(提)货方式、地点: 吉利提货, ×× 整车交货。 第八条:运输方式及到达站(港)和费用负担: 公路运输,费用乙方自理。 第九条:检验标准、方法、地点及期限: 以生产厂家装车计量单(过磅单)为接收依据。 第十条:结算方式:款到发货,甲方应向乙方提供有效增值税专用发票和公路运输发票。 第十一条:本合同解除的条件: 一方违约 第十二条:违约责任: 违约方支付守约方货款总额 10 %违约金 第十三条:合同争议的解决方式:本合同在履行过程中发生的争议,由双方当事人协商解决;也可由当地工商行政管理部门调解;协商或调解不成的,按下列两种方式解决:1、提交仲裁委员会仲裁;2、依法向人民法院起诉。 第十四条:本合同一式二份,甲乙双方各执壹份。自 双方签字盖章后 起生效, 传真件 具有同等法律效力。下载后可任意编辑甲 方甲方:(章):洛阳市泰禾商贸有限公司 住所:洛阳市吉利科技园服务中心法定代表人:税号:410306760241480电话:0379—66959223传真:0379—66959223开户银行:工行吉利支行帐号:1705023609045048028邮政编码:471012乙 方乙方(章):×××××× 有限公司住所: 法定代表人:税号: 电话: 传真: 开户银行: 帐号: 邮政编码: 有效期:2006 年× 月× 日至2006 年× 月× 日甲 基 叔 丁 基 醚 (MTBE)甲基叔丁基醚(MTBE) 执行标准:Q /SH 1120 003 -2024分析项目质量指标实测结果试验方法甲基叔丁基醚,% (质量分数)≥95.099.57SH / T 1550 -2000叔 丁 醇 ...

1、当您付费下载文档后,您只拥有了使用权限,并不意味着购买了版权,文档只能用于自身使用,不得用于其他商业用途(如 [转卖]进行直接盈利或[编辑后售卖]进行间接盈利)。
2、本站所有内容均由合作方或网友上传,本站不对文档的完整性、权威性及其观点立场正确性做任何保证或承诺!文档内容仅供研究参考,付费前请自行鉴别。
3、如文档内容存在违规,或者侵犯商业秘密、侵犯著作权等,请点击“违规举报”。

碎片内容

j2024最新工业品买卖合同

您可能关注的文档

确认删除?
VIP
微信客服
  • 扫码咨询
会员Q群
  • 会员专属群点击这里加入QQ群
客服邮箱
回到顶部