电脑桌面
添加小米粒文库到电脑桌面
安装后可以在桌面快捷访问

深圳万科户内橱柜、浴室柜、衣柜、玄关柜安装技术标准VIP免费

深圳万科户内橱柜、浴室柜、衣柜、玄关柜安装技术标准_第1页
1/14
深圳万科户内橱柜、浴室柜、衣柜、玄关柜安装技术标准_第2页
2/14
深圳万科户内橱柜、浴室柜、衣柜、玄关柜安装技术标准_第3页
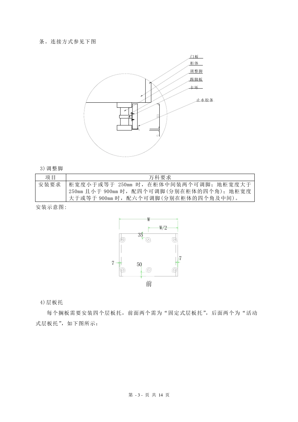
3/14
第 - 1 - 页 共 14 页 深圳万科装修房户内 橱柜、浴室柜、衣柜、玄关柜安装技术标准 一、 标准依据 1. 施工技术标准: 工程所在地安装工程施工技术操作规程 2. 工程验收标准: GB50300-2001 《建筑工程施工质量验收统一标准》 GB50210-2001 《建筑装饰装修工程施工及验收规范》 GB50327-2001 《住宅装饰装修工程施工规范》 GB50206-2002 《木结构工程施工质量验收规范》 GB50325-2002 《民用建筑工程室内环境污染控制规范》 注:以上国家、行业标准执行时均以最新版本为准。 二、 安装工艺要求 1. 门 、 抽 屉 、 柜 体 1) 超 长 柜 体 的 强 度 对 于 长 度 超 过 700mm 的 柜 体 , 增 加 中 间 支 板 , 以 加 强 强 度 。 2) 柜 体 板 与 背 板 连 接 背 板 后 侧 的 四 周 铣 宽 为 5mm,深 为 6mm 的 凹 槽 ,然 后 将 5mm 的 背 板 嵌 入 柜 体 板中 并 用 胶 水 固 定 ,同时 背 板 采 用 双 饰 面 中 纤 板 。以保 证 柜 体 组 装 后 结 构 牢 固 、拼接缝 隙 小 ; 背 板 离 墙面 15mm, 可以 隔绝潮气渗入 柜 体 , 避免因受潮腐烂而引起柜 体松动。 3) 门 板 带隐藏拉手 橱柜 /浴室 柜 /玄关柜 优先选用 暗藏拉手,替代 明 装 拉手,且 门 板 上 方 开 启 位 置 需 高于 底 封 板 5mm。 4) 柜 体 与 台 面 板 连 接 柜 体 应 对 台 面 板 有 足 够 的 支 撑 面 积 , 根 据 实 际 需 要 选用 垫 板 或 垫 条 。 2. 水 槽 柜 1) 水 槽 安 装 应 该 牢 固 ,在 水 槽 底 部 中 央 加 50Kg 的 重 物 ,加 载 时 间 1 小 时 ,检 查水 槽 与 台 面 连 接 处 , 不 得 有 拉裂 的 痕 迹 , 水 槽 盆 底 距 柜 底 的 距 离 在 加 载 重 物 前后 变 化 不 应 超 过 3mm。 2) 水 槽 台 上 安 装 , 人 造 石 台 面 开 孔 转 弯 处 应 成 圆 角 , 不 允 许 直 角 转 弯 或 切 割 过度 的 情 况 出 现 , 衬 板 应 能 有 效 支 撑 , 对 于 台 上 盆 , 衬 板 开 口 边 缘 距 台 面 开 口 边 缘距 离 不 得 大 于 20mm, 对 于 台 下 盆 , 衬 板...

1、当您付费下载文档后,您只拥有了使用权限,并不意味着购买了版权,文档只能用于自身使用,不得用于其他商业用途(如 [转卖]进行直接盈利或[编辑后售卖]进行间接盈利)。
2、本站所有内容均由合作方或网友上传,本站不对文档的完整性、权威性及其观点立场正确性做任何保证或承诺!文档内容仅供研究参考,付费前请自行鉴别。
3、如文档内容存在违规,或者侵犯商业秘密、侵犯著作权等,请点击“违规举报”。

碎片内容

深圳万科户内橱柜、浴室柜、衣柜、玄关柜安装技术标准

小辰5+ 关注
实名认证
内容提供者

出售各种资料和文档

相关文档

确认删除?
VIP
微信客服
  • 扫码咨询
会员Q群
  • 会员专属群点击这里加入QQ群
客服邮箱
回到顶部