电脑桌面
添加小米粒文库到电脑桌面
安装后可以在桌面快捷访问

深基坑土方开挖技术交底记录VIP免费

深基坑土方开挖技术交底记录_第1页
1/11
深基坑土方开挖技术交底记录_第2页
2/11
深基坑土方开挖技术交底记录_第3页
3/11
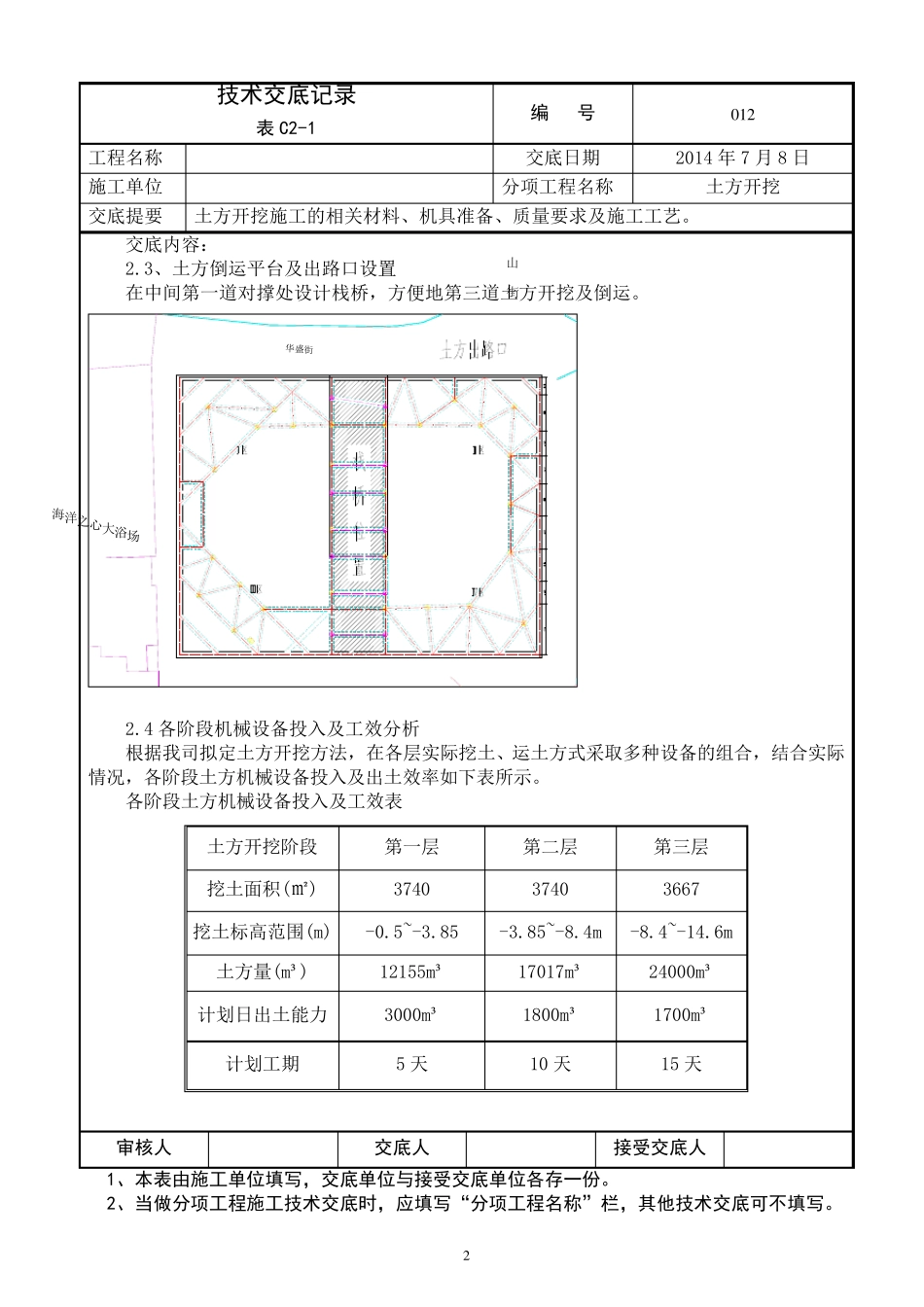
1 技术交底记录 表C2-1 编 号 0 1 2 工程名称 交底日期 2014 年7 月8 日 施工单位 分项工程名称 土方开挖 交底提要 土方开挖施工的相关材料、机具准备、质量要求及施工工艺。 交底内容: 一、适用范围 本工程土方开挖施工。 二、土方开挖 2.1 土方开挖原则 1、合理安排土方施工流程,确保基坑安全的原则。 2、精心组织施工,保证机械、设备投入,确保土方施工工期的原则。 3、制定有效保护措施、加强监测,确保周边建筑设施安全的原则。 4、加强土方开挖、运输管理,制定现场安全文明施工措施,确保安全文明施工达标的原则。 2.2 挖土技术要求 1、综合项目的周边环境、支护形式,土方挖运应按下面的要求进行施工。 (1)遵循“先撑后挖、分层开挖、对称均匀开挖”的要求进行。做到随挖随撑,严格控制基坑变形,以保证基坑在安全地条件下进行施工作业。 (2)每道支撑完成,且结构强度达到设计要求后方可开挖支撑下一层土方; (3)支撑达到结构强度后,角部土方,沿环形支撑呈放射状开挖。立柱密集区域,用小挖机进行挖掘并倒运至空 间 较 大 处 进行装 车 运输。 (4)人 工配 合机械清 除 包 裹 构件的土方,严禁 各 类 机械碰 撞 支撑体 系 ,包 括 支撑立柱、支撑梁 、支护桩 、腰 梁 等 结构构件。 (5)在土方挖除 24 小时 内 ,完成该 侧 支撑体 系 混 凝 土垫 层浇 筑。支撑穿 插 紧 跟 施工,7天 以内 完成支撑混 凝 土浇 筑。 (6)土方在开挖前 进行基坑降 水 ,按要求将 土层中 土体 孔 隙 水 、承 压 水 进行疏 干 ,保证土方开挖的顺 利 进行。基坑监测与 土方开挖同 步 开始 ,并在开挖全过 程中 进行监测。 (7)基坑开挖时 随时 根 据 监测结果 不 断 进行施工参 数 的调 整 和 优 化 ,及时 施工支撑和 结构,以减 少 围护结构变形,确保周边环境稳 定。 (8)结合主 体 结构的实 际 施工条件,严格按照 分层、分段 、分块 开挖土方,遵循“分层开挖,先撑后挖”及“大 基坑,小开挖”的原则。开挖过 程中 ,严禁 掏 挖。 (9)加强对地下水 的处 理,基坑内 采 取 降 水 井 ,开挖排水 沟 、集水 井 集中 抽 排的方法 疏干 地下水 。 (10)尽 量缩 短 围护结构暴 露 时 间 ,土方开挖至基底时 立即 跟 上 基础 垫 层的施工,以抵 抗基底隆 ...

1、当您付费下载文档后,您只拥有了使用权限,并不意味着购买了版权,文档只能用于自身使用,不得用于其他商业用途(如 [转卖]进行直接盈利或[编辑后售卖]进行间接盈利)。
2、本站所有内容均由合作方或网友上传,本站不对文档的完整性、权威性及其观点立场正确性做任何保证或承诺!文档内容仅供研究参考,付费前请自行鉴别。
3、如文档内容存在违规,或者侵犯商业秘密、侵犯著作权等,请点击“违规举报”。

碎片内容

深基坑土方开挖技术交底记录

您可能关注的文档

确认删除?
VIP
微信客服
  • 扫码咨询
会员Q群
  • 会员专属群点击这里加入QQ群
客服邮箱
回到顶部