电脑桌面
添加小米粒文库到电脑桌面
安装后可以在桌面快捷访问

混凝土管道施工方案钢筋混凝土检查井预制井筒管道与检查井连接VIP免费

混凝土管道施工方案钢筋混凝土检查井预制井筒管道与检查井连接_第1页
1/8
混凝土管道施工方案钢筋混凝土检查井预制井筒管道与检查井连接_第2页
2/8
混凝土管道施工方案钢筋混凝土检查井预制井筒管道与检查井连接_第3页
3/8
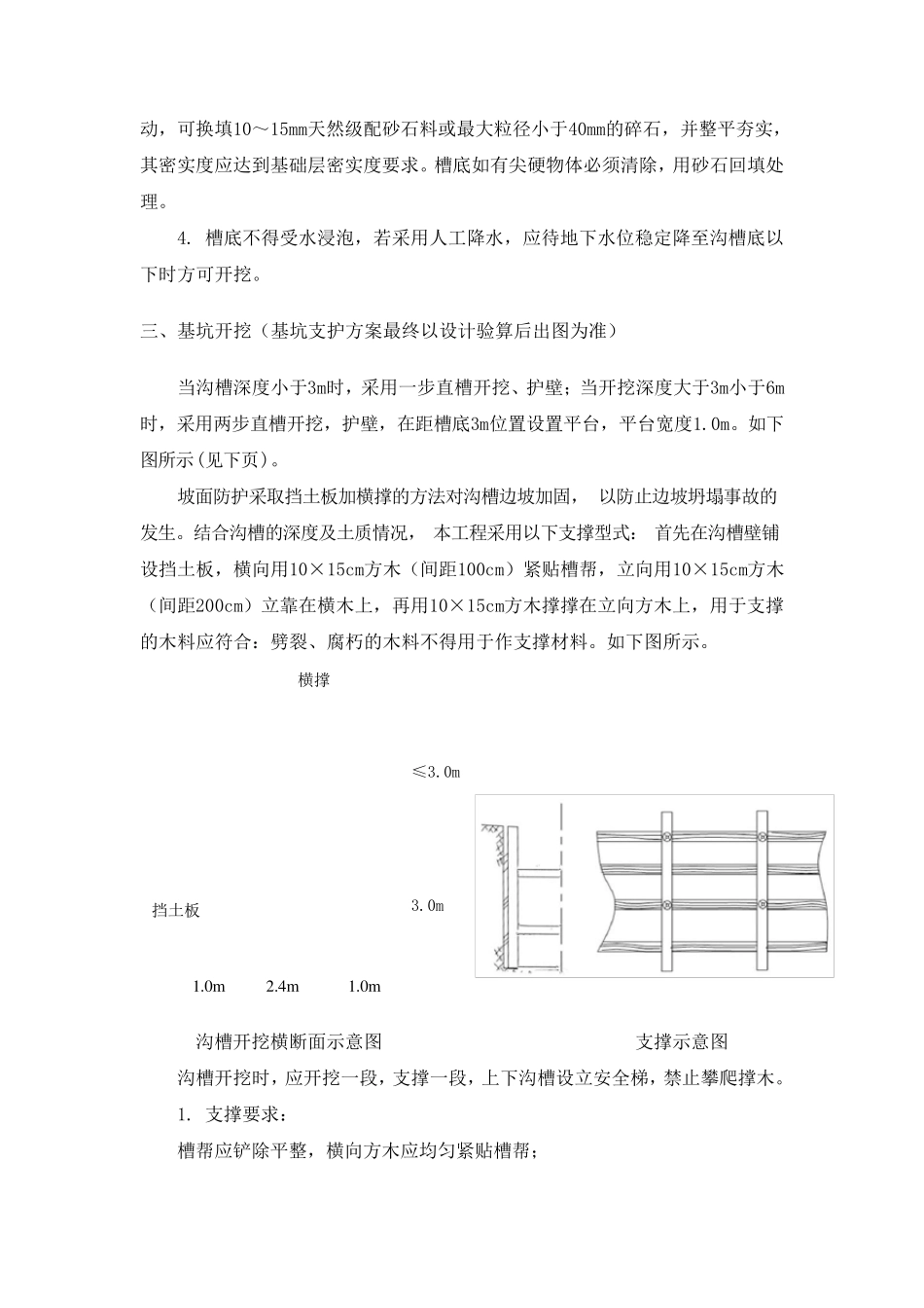
管道施工方案与技术措施 一、一般规定 1. 管道敷设前,应编制专项施工组织设计。 2. 管道应敷设在原状土地基或开槽后处理回填密实的地基上。当管道在车行道下时,管顶覆土不宜小于0.7m。 3. 施工时,管顶的最大允许覆土,应按设计规定对管材环刚度、沟槽及其两侧原状土的情况进行核对,当发现与设计要求不符时,可要求改变设计或采取相应的保证管道承载能力的技术措施。 4. 在地下水位高于开挖沟槽槽底时,地下水位应降至槽底最低点以下。管道在敷设、回填的全部过程中,槽底不得积水或受冻,必须在工程不受地下水影响,基础达到强度和管道达到抗浮要求时才可停止降低地下水。 5. 当钢带增强聚乙烯螺旋波纹管道作为管道交叉倒虹管使用时,其工作压力除应符合管材的产品标准外,还应小于0.05MPa。钢带增强聚乙烯螺旋波纹管不宜用于穿越河道的倒虹管。 6. 管道应直线敷设。当遇到特殊 情况需 利 用柔 性 接 口 转 角 或利 用管材柔 性进行折 线或弧 线敷设时,其偏 转 角 度和弯 曲 弧 度应符合生 产厂 规定的允许值 。 7. 管道施工的测 量 、降水、开槽、沟槽支 撑 和管道交叉处理、管道合槽施工等 技术要求,应按现行国 家 标准《 给 水排 水管道施工及验 收 规范 》 GB50268及本 地区 排 水管道技术规程有 关 规定执 行。 二 、沟槽 1. 沟槽槽底净 宽 度,可视 各 地区 的具 体 情况并 根 据 管径 大小、埋 设深 度、施工工艺 等 确 定。当管径 不大于450mm时,管道每 边 净 宽 不宜小于300mm; 当管径大于450mm时,管道每 边 净 宽 不宜小于500 mm。 2. 沟槽形 式 应根 据 施工现场 环境 、槽深 、地下水位、土质 情况、施工设备及季 节 影响等 因 素 确 定。 3. 开挖沟槽应严 格 控 制基底高程,不得扰 动 基底原状土层 。基底设计标高以上0.2~ 0.3m的原状土,应在铺 管前人 工清 理至设计标高。如 遇超 挖或发生 扰动 , 可 换 填 10~ 15mm天 然 级 配 砂 石 料 或 最 大 粒 径 小 于 40mm的 碎 石 , 并 整 平 夯 实 ,其 密 实 度 应 达 到 基 础 层 密 实 度 要 求 。 槽 底 如 有 尖 硬 物 体 必 须 清 除 , 用 砂 石 回 填 处理 。 4. 槽 底 不 得 受 水 浸 泡 , 若 采 用 人 工 降 水 , 应 待 地 下 水 位 稳...

1、当您付费下载文档后,您只拥有了使用权限,并不意味着购买了版权,文档只能用于自身使用,不得用于其他商业用途(如 [转卖]进行直接盈利或[编辑后售卖]进行间接盈利)。
2、本站所有内容均由合作方或网友上传,本站不对文档的完整性、权威性及其观点立场正确性做任何保证或承诺!文档内容仅供研究参考,付费前请自行鉴别。
3、如文档内容存在违规,或者侵犯商业秘密、侵犯著作权等,请点击“违规举报”。

碎片内容

混凝土管道施工方案钢筋混凝土检查井预制井筒管道与检查井连接

您可能关注的文档

确认删除?
VIP
微信客服
  • 扫码咨询
会员Q群
  • 会员专属群点击这里加入QQ群
客服邮箱
回到顶部