电脑桌面
添加小米粒文库到电脑桌面
安装后可以在桌面快捷访问

管道固定支架与热补偿VIP免费

管道固定支架与热补偿_第1页
1/7
管道固定支架与热补偿_第2页
2/7
管道固定支架与热补偿_第3页
3/7
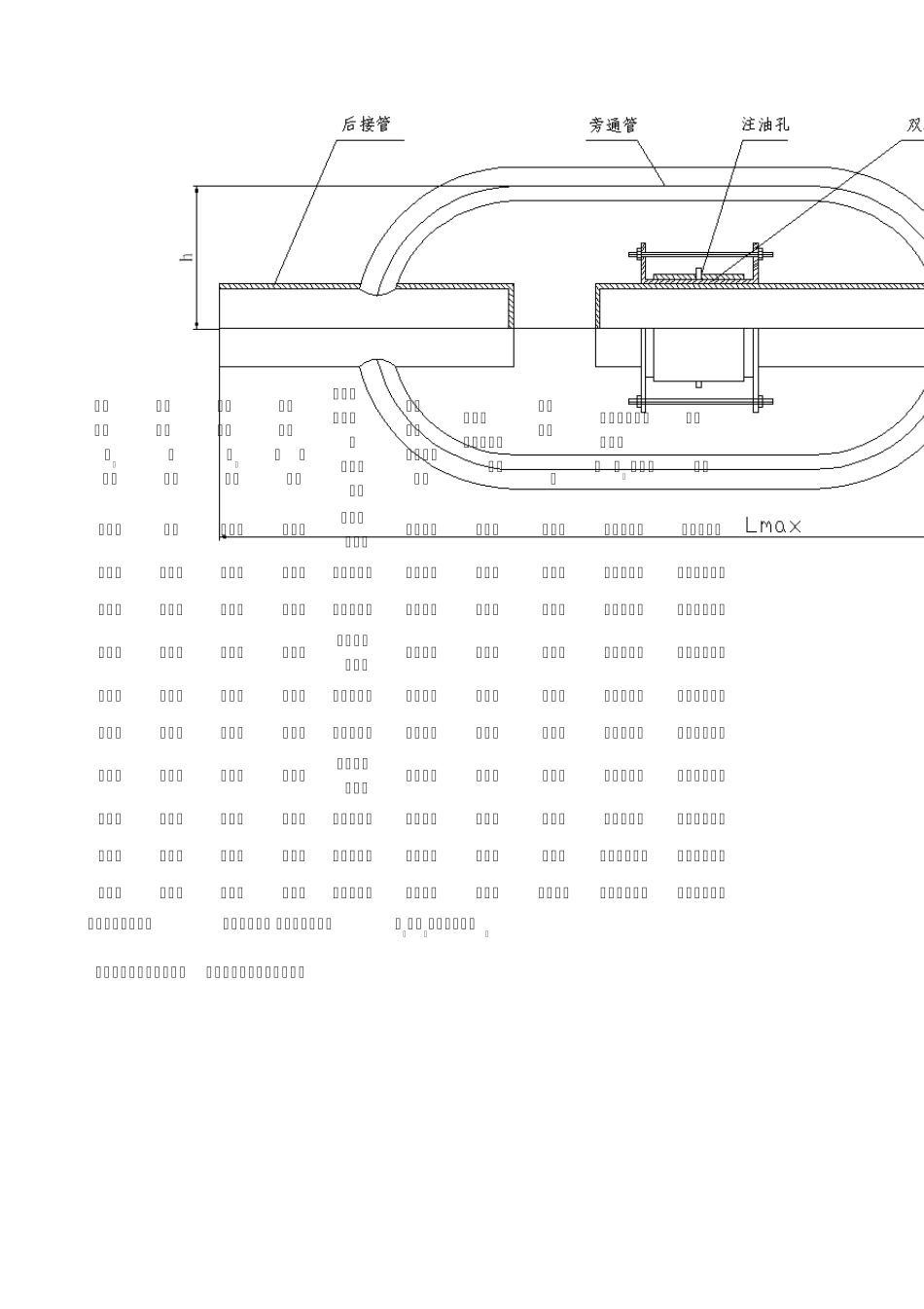
管道固定支架与热补偿(室内管网) 1、 热 补 偿 量 : 低 温 热 水 0.8~1.2mm/m 2、 补 偿 器 形 式 : 自 然 补 偿 ( L 型 、 Z 型 )、 方 型 补 偿 器 、 套 筒 式 补 偿 器 、 金 属 波 纹 膨 胀 节 3、 固 定 支 架 布 置 原 则 : 水 平 干 管 、 总 立 管 均 应 布 置 固 定 支 架 。 固 定 支 架 位 置 , 应 保 证 分 支 管 接 点 处 的 最 大 位 移量 不 大 于 40mm; 连 接 散 热 器 的 立 管 , 应 保 证 管 道 分 支 接 点 由 管 道 伸 缩 引 起 的 最 大 位 移 量 不 大于 20mm; 无 分 支 接 点 的 管 段 , 间 距 应 保 证 伸 缩 量 不 大 于 补 偿 器 或 自 然 补 偿 所 能 吸 收 的 最 大 补偿 量 。 管 道 应 避 免 穿 越 防 火 墙 , 无 法 避 免 时 , 应 预 留 钢 套 管 , 应 在 穿 墙 处 设 置 固 定 支 架 。 确 定 固 定 支 架 位 置 时 , 应 考 虑 固 定 支 架 在 建 筑 物 上 生 根 的 可 能 性 。 4、 补 偿 器 设 置 原 则 : 优 先 采 用 自 然 补 偿 ; 选 择 方 形 或 Z 型 补 偿 , 并 应 设 置 于 两 个 固 定 点 间 距 的 1/3~1/2 范 围 内 ; 采 用 套 筒 或 波 纹 补 偿 器 应 设 置 导 向 支 架 ; 当 管 径 ≥ DN50 时 , 应 进 行 固 定 支 架 的 推 力 计 算 。 两 固 定 支 架 之 间 , 只 能 设 置 且 必 须 设 置 一组补 偿 器 ( 含自 然 补 偿 )。 现行 标准图没有固 定 吊架 , 固 定 支 架 只 能 生 根 在 柱子上 、 楼、 地面上 。 省标图集: L07N903-11~13: 单管 固 定 支 座, 砖墙 、 砖柱安装, ≯DN150; L07N903-14: 双立 管 固 定 卡, ≯DN50; L07N903-2123: 双管 固 定 支 架 , 墙 柱安装, ≯DN150。 国标图集05R417《室内 管 道 支 吊架 》: 墙 、 柱上 安装, 单管 、 双管 , ≯DN300, 不 在 这个 范 围 内 , 应 计 算 后提给结构专业。 尽量 选 用 无 推 力 型 补 偿 器 。 5、 自 然 补 偿 设...

1、当您付费下载文档后,您只拥有了使用权限,并不意味着购买了版权,文档只能用于自身使用,不得用于其他商业用途(如 [转卖]进行直接盈利或[编辑后售卖]进行间接盈利)。
2、本站所有内容均由合作方或网友上传,本站不对文档的完整性、权威性及其观点立场正确性做任何保证或承诺!文档内容仅供研究参考,付费前请自行鉴别。
3、如文档内容存在违规,或者侵犯商业秘密、侵犯著作权等,请点击“违规举报”。

碎片内容

管道固定支架与热补偿

您可能关注的文档

确认删除?
VIP
微信客服
  • 扫码咨询
会员Q群
  • 会员专属群点击这里加入QQ群
客服邮箱
回到顶部