电脑桌面
添加小米粒文库到电脑桌面
安装后可以在桌面快捷访问

管道输气生产安全VIP免费

管道输气生产安全_第1页
1/15
管道输气生产安全_第2页
2/15
管道输气生产安全_第3页
3/15
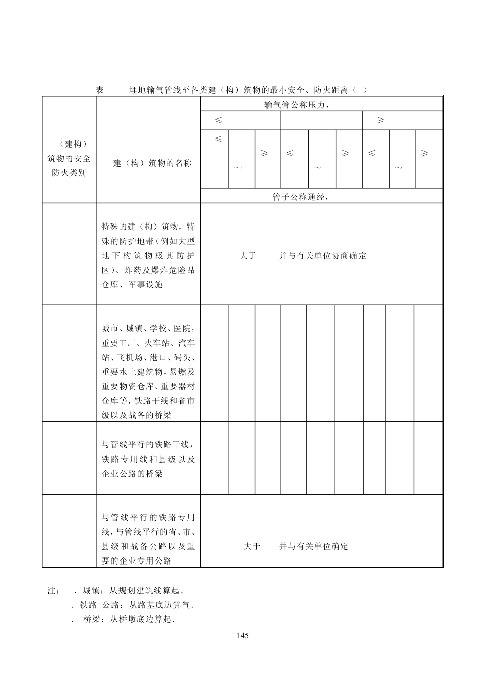
1 4 3 第十章 管道输气生产安全 输气工作人员时时事事与天然气打交道,而天然气是以甲烷为主要成分的可然性气体,天然气中含有硫化氢、二氧化碳等有毒腐蚀成分,输气生产中还可能接触缓蚀剂 、油漆涂料、乙炔气、加味剂等化学物质,它们或易燃易爆,或有毒对人体有害。.输气生产中,.如果忽视安全工作,就会引起爆炸、火灾、中毒等事故.这不但影响正常输气生产,而且会造成巨大经济损失,并危害职工的生命和财产.因此输气工作人员在进行输气生产和管理工作中,必须对日常工作给予高度重视,认真落实安全生产中有关安全的基本知识。 第一节 防火 一、天然气火灾的危险性 天然气是易燃物质,扩散在大气中不易察觉,容易引起火灾,因而防火、灭火是十分重要的问题。.发生火灾往往是由于人们的责任心不强。管理不善和操作不当造成的,所以,应熟悉和掌握天然气的防火与灭火方法,按照安全防火规定,切实做好防火工作。 二、防火措施 1 )输气管线和输气站在建造时,应尽可能考虑与各类建筑物的安全放火距离。 ① 输气管线至各类建筑物的最小安全防火距离见表 1。 ②输气站至各类建筑物的最小安全防火距离,应等于或大于表 1所列距离。压气站的距离应等于或大于上述表(1 )距离的二倍以上。 如果不能满足上述要求时,应采取加强措施(如增加管壁厚度、采取无缝钢管、选用强度更高的管材等),以提高该段的强度及安全性,并对全部焊口质量进行探伤检查,做到全部合格。 ② 管线上的放空管和收球装置的排污管,必须引出站外 50m的开阔地带,且周围150m 内不得有建筑物。 2)加强输气站设备和生产、生活用气管线的维护保养。所有管线、阀件都应固定牢靠、连接紧密、严密不漏。 3)输气站内禁止堆放易燃物品,如油料、木材、干草、纸类等。禁止明火照明。站内管线进行切割或焊接动火时,应有切实可行的安全措施。 4)输气管线内天然气放空或吹扫时,一般情况下都要点火烧掉,特殊情况下不能点火燃烧时,应根据放空气量多少和时间长短划定安全区,区内禁止烟火,断绝交通。 5)搞好用气管理: ①室内外管线的走向及阀门、燃烧器的安装位置要合理,便于操作和维修。防止行人碰撞发生意外事故。每一个用气区域(如一个车间、一层楼等)都应安设分区总阀门 1 4 4 及放空管线。 ②开启操作应缓慢进行,一般阀门左开右关要熟记。点火时应严格遵守先点火后开气的操作规程。 ③锅炉、加热炉及其它火炉附近严禁放置油料、氧气瓶、木材等易燃物。 ④室内生...

1、当您付费下载文档后,您只拥有了使用权限,并不意味着购买了版权,文档只能用于自身使用,不得用于其他商业用途(如 [转卖]进行直接盈利或[编辑后售卖]进行间接盈利)。
2、本站所有内容均由合作方或网友上传,本站不对文档的完整性、权威性及其观点立场正确性做任何保证或承诺!文档内容仅供研究参考,付费前请自行鉴别。
3、如文档内容存在违规,或者侵犯商业秘密、侵犯著作权等,请点击“违规举报”。

碎片内容

管道输气生产安全

确认删除?
VIP
微信客服
  • 扫码咨询
会员Q群
  • 会员专属群点击这里加入QQ群
客服邮箱
回到顶部