电脑桌面
添加小米粒文库到电脑桌面
安装后可以在桌面快捷访问

管道阻力的基本计算方法VIP免费

管道阻力的基本计算方法_第1页
1/12
管道阻力的基本计算方法_第2页
2/12
管道阻力的基本计算方法_第3页
3/12
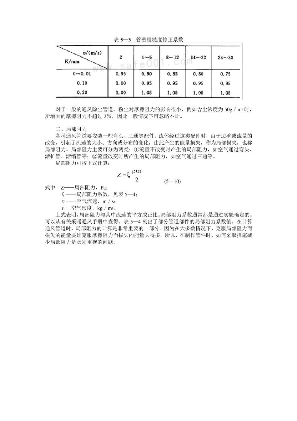
管道阻力计算 空气在风管内的流动阻力有两种形式:一是由于空气本身的黏滞性以及空气与管壁间的摩擦所产生的阻力称为摩擦阻力;另一是空气流经管道中的管件时(如三通、弯头等),流速的大小和方向发生变化,由此产生的局部涡流所引起的阻力,称为局部阻力。 一、摩擦阻力 根据流体力学原理,空气在管道内流动时,单位长度管道的摩擦阻力按下式计算: 242vRRsm (5—3) 式中 Rm——单位长度摩擦阻力,Pa/m; υ——风管内空气的平均流速,m/s; ρ——空气的密度,kg/m3; λ——摩擦阻力系数; Rs——风管的水力半径,m。 对圆形风管: 4DRs  (5—4) 式中 D——风管直径,m。 对矩形风管 )(2baabRs (5—5) 式中 a,b——矩形风管的边长,m。 因此,圆形风管的单位长度摩擦阻力 22vDRm (5—6) 摩擦阻力系数λ与空气在风管内的流动状态和风管内壁的粗糙度有关。计算摩擦阻力系数的公式很多,美国、日本、德国的一些暖通手册和我国通用通风管道计算表中所采用的公式如下: )Re51.27.3lg(21DK (5—7) 式中 K——风管内壁粗糙度,mm; Re——雷诺数。 vdRe (5—8) 式中 υ——风管内空气流速,m/s; d——风管内径,m; ν——运动黏度,m2/s。 在实际应用中,为了避免烦琐的计算,可制成各种形式的计算表或线解图。图5—2 是计算圆形钢板风管的线解图。它是在气体压力B=101.3kPa、温度t=20℃、管壁粗糙度K=0.15mm 等条件下得出的。经核算,按此图查得的Rm 值与《全国通用通风管道计算表》查得的λ/d 值算出的Rm 值基本一致 ,其 误 差 已 可满 足 工 程 设 计的需 要 。只 要 已 知 风量 、管径、流速、单位摩擦阻力4 个 参 数中的任 意 两个 ,即 可利 用该 图求 得其 余 两个 参 数,计算很方便 。 图5 —2 圆形钢板风管计算线解图 [例] 有一个10m 长薄钢板风管,已知风量L=2400m3/h,流速υ=16m/s,管壁粗糙度K=0.15mm,求该风管直径d 及风管摩擦阻力R。 解 利用线解图5—2,在纵坐标上找到风量L=2400m3/h,从这点向右做垂线,与流速υ=16m/s 的斜线相交于一点,在通过该点表示风管直径的斜线上读得d=230mm。再过该点做垂直于横坐标的垂线,在与表示单位摩擦阻力的横坐标交点上直接读得Rm=13.5Pa/m。 该段风管摩擦阻力为: R=Rml=13.5×10Pa=135Pa 无论是按照《全国通用通风管道计算表》...

1、当您付费下载文档后,您只拥有了使用权限,并不意味着购买了版权,文档只能用于自身使用,不得用于其他商业用途(如 [转卖]进行直接盈利或[编辑后售卖]进行间接盈利)。
2、本站所有内容均由合作方或网友上传,本站不对文档的完整性、权威性及其观点立场正确性做任何保证或承诺!文档内容仅供研究参考,付费前请自行鉴别。
3、如文档内容存在违规,或者侵犯商业秘密、侵犯著作权等,请点击“违规举报”。

碎片内容

管道阻力的基本计算方法

小辰3+ 关注
实名认证
内容提供者

出售各种资料和文档

相关文档

确认删除?
VIP
微信客服
  • 扫码咨询
会员Q群
  • 会员专属群点击这里加入QQ群
客服邮箱
回到顶部