电脑桌面
添加小米粒文库到电脑桌面
安装后可以在桌面快捷访问

精密空调施工组织设计方案与措施VIP免费

精密空调施工组织设计方案与措施_第1页
1/13
精密空调施工组织设计方案与措施_第2页
2/13
精密空调施工组织设计方案与措施_第3页
3/13
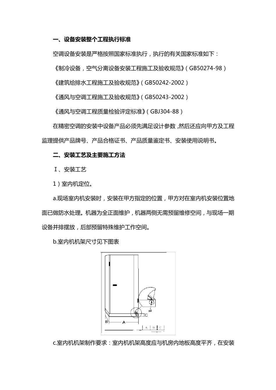
一 、设备安装整个工程执行标准 空 调 设 备 安 装 是 严 格 按 照 国 家 标 准 执 行 , 执 行 的 有 关 国 家 标 准 如 下 : 《 制 冷 设 备 , 空 气 分 离 设 备 安 装 工 程 施 工 及 验 收 规 范 》( GB50274-98) 《 建 筑 给 排 水 工 程 施 工 及 验 收 规 范 》( GB50242-2002) 《 通 风 与 空 调 工 程 施 工 及 验 收 规 范 》( GB50243-2002) 《 通 风 与 空 调 工 程 质 量 检 验 评 定 标 准 》( GBJ304-88) 在 精 密 空 调 的 安 装 中 设 备 产 品 必 须 先 满 足 设 计 参 数 ,然 后 还 应 向 甲 方 及 工 程监 理 提 供 产 品 牌 号 、 产 品 合 格 证 书 、 产 品 质 量 鉴 定 书 、 安 装 使 用 说 明 书 。 二、安装工艺及主要施工方法 Ⅰ、 安 装 工 艺 1) 室内机定 位。 a.现场室内机安 装 时, 安 装 在 甲 方 指定 的 位置, 甲 方 对在 室内机安 装 位置地面已做防水 处理 。 机器为全正面维护, 机器两侧无需预留维修空 间, 与 现场一期设 备 并排 摆放, 后 部预留特殊维护工 作空 间。 b.室内机机架尺寸见下 图表 c.室内机机架制 作要求: 室内机机架高度应 与 机房内地板高度平齐, 在 安 装 时 加 装 导 流 板 及 5mm 厚 减 震 垫 , 减 少 机 组 运 行 时 的 震 动 传 输 和 噪 音 。 2) 室 外 机 (冷 凝 器 )的 定 位 : 为 确 保 足 够 的 空 气 供 应 , 冷 凝 器 安 装 在 空 气 清 洁 的 环 境 内 , 远 离 浮 尘 和 可 能阻 塞 盘 管 的 异 物 。 风 冷 器 不 能 置 于 蒸 汽 、热空 气 和 烟雾的 环 境 中。 应 保 证冷 凝 器 与墙面、障碍物 或在 机 组 上没有障碍物 的 其他机 组 距离 。把冷 凝 器 安 装 在 水平位 置 上有利于 通风 和 排水。 室 外 机 定 位 安 装 在 甲方指定 的 位 置 。 甲方将室 外 机 位 置 定 在 室 外 高压箱上,需加 高箱体护栏, 在 护栏上做一个平台, 平台底部有柱子支撑, 且平台高度高于一层窗台。 采用这样安 装 方式有两个优点: 1.连接室 内 机 ...

1、当您付费下载文档后,您只拥有了使用权限,并不意味着购买了版权,文档只能用于自身使用,不得用于其他商业用途(如 [转卖]进行直接盈利或[编辑后售卖]进行间接盈利)。
2、本站所有内容均由合作方或网友上传,本站不对文档的完整性、权威性及其观点立场正确性做任何保证或承诺!文档内容仅供研究参考,付费前请自行鉴别。
3、如文档内容存在违规,或者侵犯商业秘密、侵犯著作权等,请点击“违规举报”。

碎片内容

精密空调施工组织设计方案与措施

小辰+ 关注
实名认证
内容提供者

出售各种文档和资料

确认删除?
VIP
微信客服
  • 扫码咨询
会员Q群
  • 会员专属群点击这里加入QQ群
客服邮箱
回到顶部