电脑桌面
添加小米粒文库到电脑桌面
安装后可以在桌面快捷访问

开关电源黑盒测试规范资料VIP免费

开关电源黑盒测试规范资料_第1页
1/14
开关电源黑盒测试规范资料_第2页
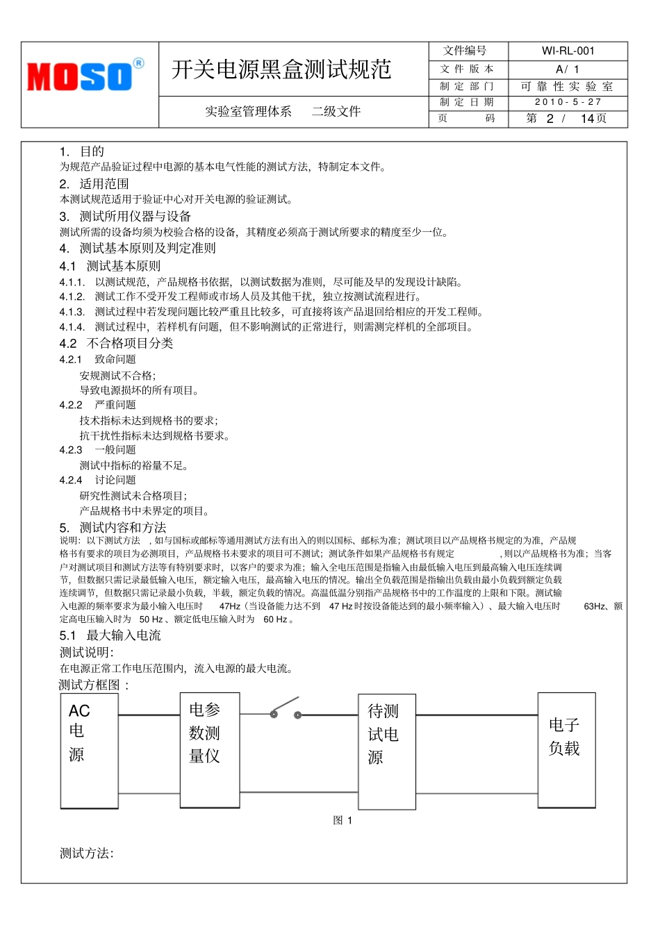
2/14
开关电源黑盒测试规范资料_第3页
3/14
开关电源黑盒测试规范文件编号WI-RL-001 文 件 版 本A/ 1制 定 部 门可 靠 性 实 验 室实验室管理体系二级文件制 定 日 期2 0 1 0 - 5 - 2 7页码第 1 /14页1. 目的 ...................................................................................... 2 2. 适用范围 .................................................................................. 2 3. 测试所用仪器与设备........................................................................ 2 4. 测试基本原则及判定准则.................................................................... 2 4.1 测试基本原则 .......................................................................... 2 4.2 不合格项目分类........................................................................ 2 5. 测试内容和方法............................................................................ 2 5.1 最大输入电流 .......................................................................... 2 5.2 交叉调节测试(交调测试) ............................................................. 3 5.3 电压调整率(源效应) ................................................................. 3 5.4 负载调整率(负载效应) ................................................................3 5.5 稳压精度 ...............................................................................4 5.6 效率 ...................................................................................4 5.7 最大空载功耗 ...........................................................................4 5.8 输出纹波与噪声.........................................................................4 5.9 容性负载特性 ...........................................................................6 5.10 输入电压范围 ..........................................................................6 5.11 启动冲击电流 ..........................................................................6 5.12 动态响应 .......................................................

1、当您付费下载文档后,您只拥有了使用权限,并不意味着购买了版权,文档只能用于自身使用,不得用于其他商业用途(如 [转卖]进行直接盈利或[编辑后售卖]进行间接盈利)。
2、本站所有内容均由合作方或网友上传,本站不对文档的完整性、权威性及其观点立场正确性做任何保证或承诺!文档内容仅供研究参考,付费前请自行鉴别。
3、如文档内容存在违规,或者侵犯商业秘密、侵犯著作权等,请点击“违规举报”。

碎片内容

开关电源黑盒测试规范资料

确认删除?
VIP
微信客服
  • 扫码咨询
会员Q群
  • 会员专属群点击这里加入QQ群
客服邮箱
回到顶部