电脑桌面
添加小米粒文库到电脑桌面
安装后可以在桌面快捷访问

强夯地基施工工艺标准VIP免费

强夯地基施工工艺标准_第1页
1/5
强夯地基施工工艺标准_第2页
2/5
强夯地基施工工艺标准_第3页
3/5
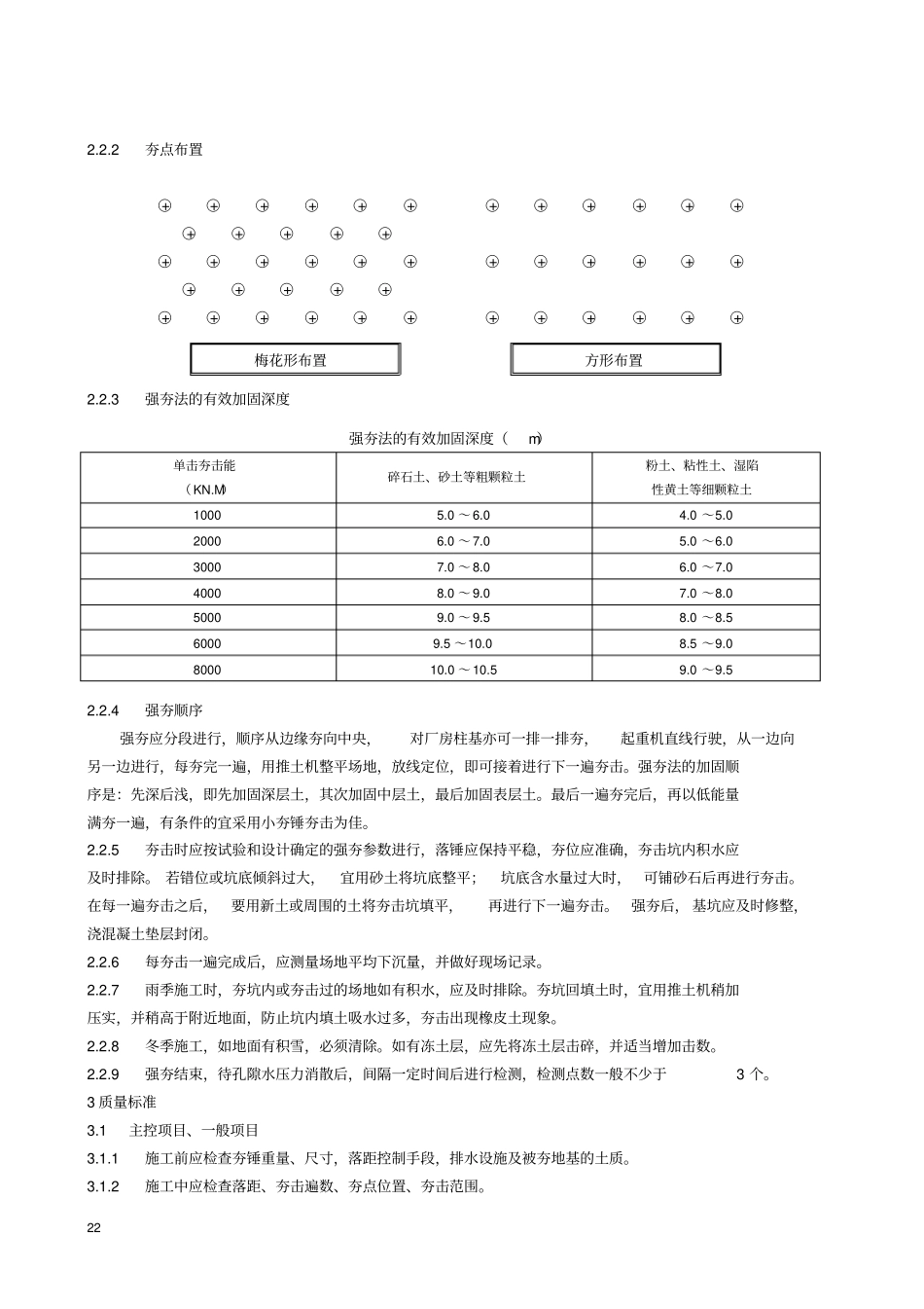
20 强夯地基施工工艺标准1 施工准备1.1 主要施工机具1.1.1 夯锤强夯锤锤重可取10~40t ,底面形式宜采用圆形或多边形。夯锤的材质最好为铸钢,如条件所限,则可用钢板壳内填混凝土。夯锤底面宜对称设置若干个φ250~300mm与顶面贯通的排气孔,以利于夯锤着地时坑底空气迅速排出和起锤时减小坑底的吸力。锤底面积宜按土的性质确定,对于砂质土和碎石填土,采用底面积为2~4m2 较为合适;对于一般第四纪粘性土建议用3~4m2;对于淤泥质土建议采用4~6m2 为宜。锤底静接地压力值可取25~40kPa,对于细颗粒土锤底静接地压力宜取较小值。1.1.2 起重机具宜选用 15t 以上的履带式起重机或其他专用的起重设备。当起重机吨位不够时,亦可采取加钢支腿的方法,起重能力应大于夯锤重量的1.5 倍。采用履带式起重机时,可在臂杆端部设置辅助门架,或采用其他安全措施,防止落锤时机架倾覆。1.1.3 脱钩器:要求有足够强度,起吊时不产生滑钩;脱钩灵活,能保持夯锤平稳下落,同时挂钩方便、迅速。1.1.4 推土机:用T3-100 型,用作回填、整平夯坑。1.1.5 检测设备:有标准贯入、静载荷试验、静力触探或轻便触探等设备以及土工常规试验仪器。1.2 作业条件1.2.1 应有岩土工程勘察报告、强夯场地平面图及设计对强夯的效果要求等技术资料。1.2.2 强夯范围内的所有地上、地下障碍物已经拆除或拆迁,对不能拆除的已采取防护措施。1.2.3 场地已整平,并修筑了机械设备进出道路,表面松散土层已经预压。雨期施工周边已挖好排水沟,防止场地表面积水。1.2.4 已选定检验区做强夯试验,通过试夯和测试,确定强夯施工的各项技术参数,制定强夯施工方案。1.2.5 当强夯所产生的振动对周围邻近建(构)筑物有影响时,应在靠建(构)筑物一侧挖减振沟或采取适当加固防振措施,并设观测点。1.2.6 测量放线,定出控制轴线、强夯场地边线,钉木桩或点白灰标出夯点位置,并在不受强夯影响的处所,设置若干个水准基点。2 施工工艺2.1 工艺流程清理整平场地确定夯点位置、测量高程起重机就位测量夯前锤顶标高夯击按设计控制标准和要求,完成一个夯点的夯击重复以上工序,完成第一遍全部夯点的夯击用推土机将夯坑填平,测量场地高程在规定的间隔时间后,按上述程序逐次完成全部夯击遍数用低能量满夯将场地表层松土夯实并测量夯后场地高程21 2.2 操作工艺2.2.1 强夯技术参数选定强夯前应通过试夯选定施工技术参数,试夯区平面尺寸不宜小于20m×20m。在试夯区夯击前...

1、当您付费下载文档后,您只拥有了使用权限,并不意味着购买了版权,文档只能用于自身使用,不得用于其他商业用途(如 [转卖]进行直接盈利或[编辑后售卖]进行间接盈利)。
2、本站所有内容均由合作方或网友上传,本站不对文档的完整性、权威性及其观点立场正确性做任何保证或承诺!文档内容仅供研究参考,付费前请自行鉴别。
3、如文档内容存在违规,或者侵犯商业秘密、侵犯著作权等,请点击“违规举报”。

碎片内容

强夯地基施工工艺标准

您可能关注的文档

确认删除?
VIP
微信客服
  • 扫码咨询
会员Q群
  • 会员专属群点击这里加入QQ群
客服邮箱
回到顶部