电脑桌面
添加小米粒文库到电脑桌面
安装后可以在桌面快捷访问

2010年河南对口升学机电专业基础课真题VIP免费

2010年河南对口升学机电专业基础课真题_第1页
1/15
2010年河南对口升学机电专业基础课真题_第2页
2/15
2010年河南对口升学机电专业基础课真题_第3页
3/15
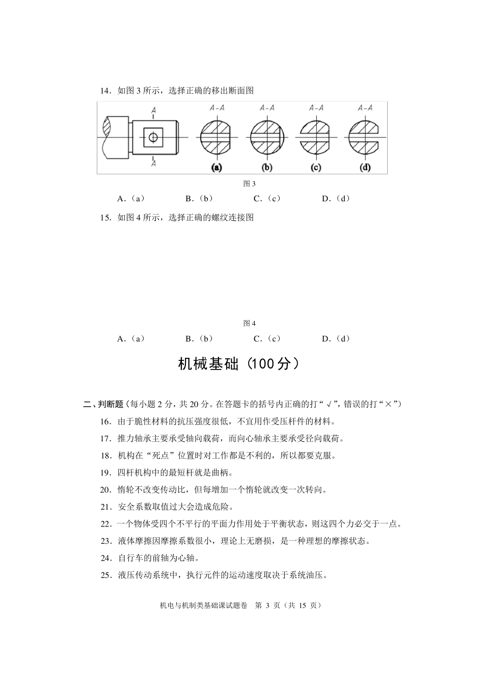
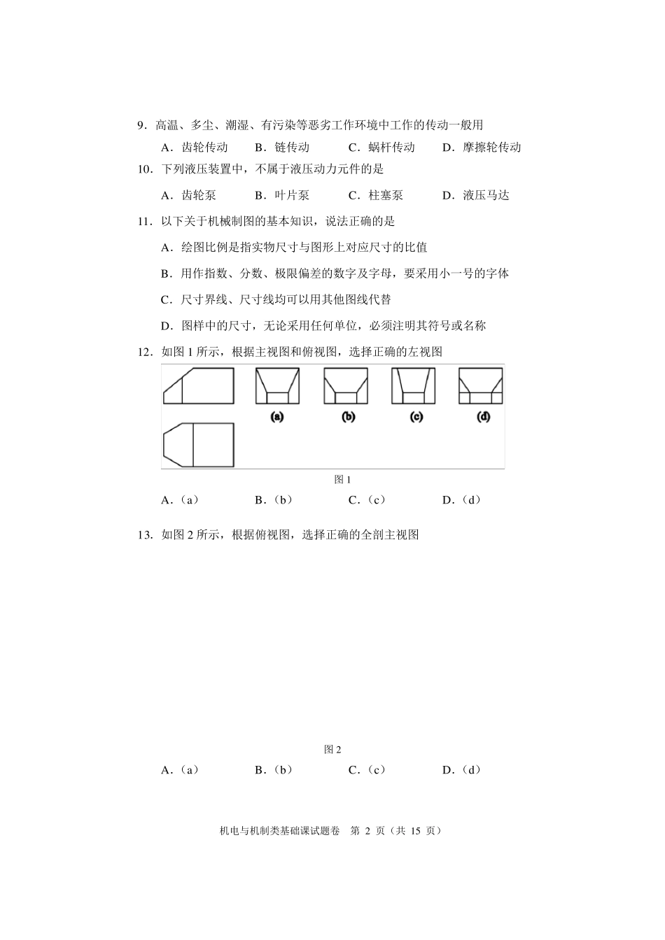
机电与机制类基础课试题卷 第 1 页(共 15 页) 河南省2010 年普通高等学校对口招收中等职业学校毕业生考试 机电与机制类基础课试题卷 考生注意:所有答案都要写在答题卡上,写在试题卷上无效 一、选择题(机械基础1-10;机械制图11-15。每小题3 分,共45 分。每小题中只有一个选项是正确的,请将正确选项涂在答题卡上) 1.汽车的车轮属于机器的____部分。 A.原动机 B.执行 C.传动 D.操纵和控制 2.举重时,双手向上举起杠铃,杠铃向下压手,但终归将杠铃举起,则下列说法正确的是 A.手举杠铃的力大于杠铃对手的压力 B.手举杠铃的力与杠铃对手的压力属于平衡力 C.手举杠铃的力与杠铃对手的压力属于作用力与反作用力 D.以上说法都不对 3.钢丝绳在吊起重物时发生断裂,则说明钢丝绳的____不够。 A.韧性 B.强度 C.刚度 D.硬度 4.锥形轴与轮毂的键连接宜用 A.平键连接 B.花键连接 C.楔键连接 D.半圆键连接 5.可用于制造刃具、模具、量具的是____钢。 A.碳素工具 B.硬质合金 C.碳素结构 D.合金渗碳 6.调质处理就是淬火加____温回火的热处理。 A.低 B.中 C.高 D.都可以 7.高副是指两构件之间作____的运动副。 A.点接触 B.面接触 C.线接触 D.点接触或线接触 8.下列机构中属于双摇杆机构的是 A.缝纫 机踏 板 机构 B.搅 拌 机机构 C.鹤 式 起重机机构 D.筛 砂 机机构 机电与机制类基础课试题卷 第 2 页(共 15 页) 9.高温、多尘、潮湿、有污染等恶劣工作环境中工作的传动一般用 A.齿轮传动 B.链传动 C.蜗杆传动 D.摩擦轮传动 10.下列液压装置中,不属于液压动力元件的是 A.齿轮泵 B.叶片泵 C.柱塞泵 D.液压马达 11.以下关于机械制图的基本知识,说法正确的是 A.绘图比例是指实物尺寸与图形上对应尺寸的比值 B.用作指数、分数、极限偏差的数字及字母,要采用小一号的字体 C.尺寸界线、尺寸线均可以用其他图线代替 D.图样中的尺寸,无论采用任何单位,必须注明其符号或名称 12.如图 1 所示,根据主视图和俯视图,选择正确的左视图 图 1 A.(a) B.(b) C.(c) D.(d) 13.如图 2 所示,根据俯视图,选择正确的全剖主视图 图 2 A.(a) B.(b) C.(c) D.(d) 机电与机制类基础课试题卷 第 3 页(共 15 页) 14.如图3 所示,选择正确的移出断面图 图3 A.(a) B.(...

1、当您付费下载文档后,您只拥有了使用权限,并不意味着购买了版权,文档只能用于自身使用,不得用于其他商业用途(如 [转卖]进行直接盈利或[编辑后售卖]进行间接盈利)。
2、本站所有内容均由合作方或网友上传,本站不对文档的完整性、权威性及其观点立场正确性做任何保证或承诺!文档内容仅供研究参考,付费前请自行鉴别。
3、如文档内容存在违规,或者侵犯商业秘密、侵犯著作权等,请点击“违规举报”。

碎片内容

2010年河南对口升学机电专业基础课真题

您可能关注的文档

确认删除?
VIP
微信客服
  • 扫码咨询
会员Q群
  • 会员专属群点击这里加入QQ群
客服邮箱
回到顶部