电脑桌面
添加小米粒文库到电脑桌面
安装后可以在桌面快捷访问

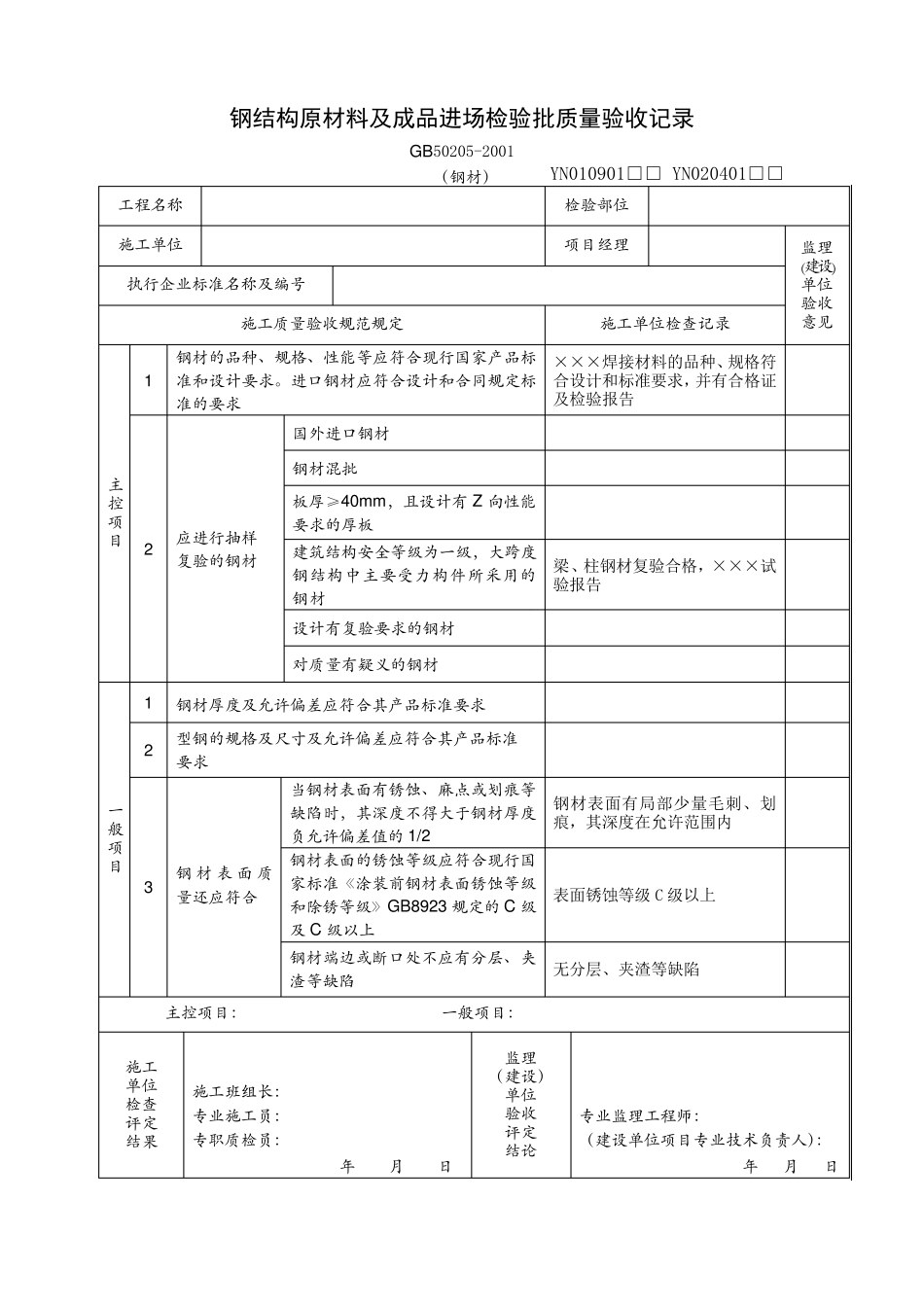
2011年钢结构工程检验批质量验收记录表VIP专享VIP免费

2011年钢结构工程检验批质量验收记录表_第1页
1/31
2011年钢结构工程检验批质量验收记录表_第2页
2/31
2011年钢结构工程检验批质量验收记录表_第3页
3/31
目 录 钢结构原材料及成品进场检验批质量验收记录 .................................................................... 2 钢结构原材料及成品进场检验批质量验收记录 .................................................................... 3 钢结构原材料及成品进场检验批质量验收记录 .................................................................... 4 钢结构焊接工程检验批质量验收记录 ................................................................................... 5 钢结构焊接工程检验批质量验收记录 ................................................................................... 6 钢结构焊钉(栓钉)焊接工程检验批质量验收记录 ............................................................. 7 钢结构普通紧固件连接工程检验批质量验收记录 ................................................................. 8 钢结构高强度螺栓连接工程检验批质量验收记录 ................................................................. 9 钢结构零件及部件加工工程检验批质量验收记录 ............................................................... 1 0 钢结构零件及部件加工工程检验批质量验收记录 ............................................................... 1 1 焊接球网架制作工程检验批质量验收记录 .......................................................................... 1 2 螺栓球网架制作工程检验批质量验收记录 .......................................................................... 1 3 钢构件组装工程检验批质量验收记录 ................................................................................. 1 4 钢构件组装工程检验批质量验收记录 ................................................................................. 1 5 钢构件组装工程检验批质量验收记录 ................................................................................. 1 6 钢构件组装工程检验批质量验收记录 ................................................................................. 1 7 钢构件预拼装工程检验批质量验收记录 .................................................................

1、当您付费下载文档后,您只拥有了使用权限,并不意味着购买了版权,文档只能用于自身使用,不得用于其他商业用途(如 [转卖]进行直接盈利或[编辑后售卖]进行间接盈利)。
2、本站所有内容均由合作方或网友上传,本站不对文档的完整性、权威性及其观点立场正确性做任何保证或承诺!文档内容仅供研究参考,付费前请自行鉴别。
3、如文档内容存在违规,或者侵犯商业秘密、侵犯著作权等,请点击“违规举报”。

碎片内容

2011年钢结构工程检验批质量验收记录表

确认删除?
VIP
微信客服
  • 扫码咨询
会员Q群
  • 会员专属群点击这里加入QQ群
客服邮箱
回到顶部