电脑桌面
添加小米粒文库到电脑桌面
安装后可以在桌面快捷访问

2012年全国职业院校技能大赛数控铣样题VIP免费

2012年全国职业院校技能大赛数控铣样题_第1页
1/8
2012年全国职业院校技能大赛数控铣样题_第2页
2/8
2012年全国职业院校技能大赛数控铣样题_第3页
3/8
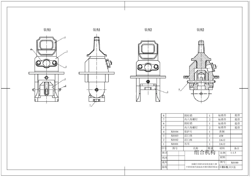
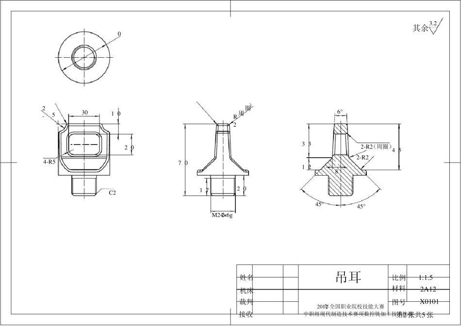
装 配1 装 配1 装 配2 装 配2 1 4 2 5 3 6 7 3 8 8 7 6 5 圆柱销 内六角螺钉 圆柱销 内六角螺钉 1 2 1 2 标准件 标准件 标准件 标准件 提供 提供 提供 提供 4 3 2 1 X 0104 X 0103 X 0102 X 0101 保护片 活门体 活门座 吊耳 1 1 1 1 黄铜 45# 2A 12 2A 12 序号 图号 名称 数量 材料 备注 姓名 机床 裁判 组合机构 2012年全国职业院校技能大赛 比例 材料 图号 1:1.5 X 0100 接收 中职组现代制造技术赛项数控铣加工技术比赛 第 1 张 共 5 张 1 0 1 7 2 0 2 0 3 3 7 0 1 2 4 5 0 其余 3.2 2- 5 30 R2 (周 圈 ) 6° 2-R2 ( 周 圈 ) 4-R5 C2 8 2-R2 M24×2-6g 45° 45° 姓名 机床 裁判 吊耳 2012年全国职业院校技能大赛 比例 材料 图号 1:1.5 2A12 X0101 接收 中职组现代制造技术赛项数控铣加工技术比赛 第 2 张 共 5 张6 0 2-14 4 1 5 2 0 3 1 4 0 1.6 4 0 5 10 5 1 5 2-φ6H7 2 0 5 4 6 0 60 A向(局 部) 其余 3.2 φ26 4-C8 2-M6度10) 0 40 2-R 2-M6 ( 有 效 深 度10 ) 7 M24×2-6H C1 0.8 15 20 A 2 2C1 4-C1.5 1.6 2-C5 φ36 2-40 2- φ6H7 ( 孔 口 倒 角C1 ) 1.6 40 2- R1 0 φ 90 6.2 60 姓名 机床 裁判 活门座 2012年全国职业院校技能大赛 比例 材料 图号 1:1.5 2A12 X0102 接收 中职组现代制造技术赛项数控铣加工技术比赛 第 3 张 共 5 张2-12 5 0 6 4-12 9 2 1 4-15 1 0 4 0 2 0 1 0 4 0 2φ 6.2 4-R2 0 其余 3.2 50 2-6 4-R6 C8 φ40 φ16 20 8-R2 φ20 姓名 机床 裁判 活门体 2012年全国职业院校技能大赛 比例 材料 图号 1:1.5 45 钢 X0103 接收 中职组现代制造技术赛项数控铣加工技术比赛 第 4 张 共 5 张3 5 2-14 φ18 其余 3.2 40 2φ 6.2 7 姓名 机床 裁判 保护片 2012年全国职业院校技能大赛 比例 材料 图号 1:1.5 黄铜 X0104 接收 中职组现代制造技术赛项数控铣加工技术比赛 第 5 张 共 5 张序号 刀具种类规格 加工材料 备注 1 Φ80 面铣刀 铝合金 平面加工 2 Φ6 立铣刀 铝合金、45 钢 3 Φ10 立铣刀 铝合金、45 钢、黄铜 4 Φ10R2 立铣刀 铝合金、45 ...

1、当您付费下载文档后,您只拥有了使用权限,并不意味着购买了版权,文档只能用于自身使用,不得用于其他商业用途(如 [转卖]进行直接盈利或[编辑后售卖]进行间接盈利)。
2、本站所有内容均由合作方或网友上传,本站不对文档的完整性、权威性及其观点立场正确性做任何保证或承诺!文档内容仅供研究参考,付费前请自行鉴别。
3、如文档内容存在违规,或者侵犯商业秘密、侵犯著作权等,请点击“违规举报”。

碎片内容

2012年全国职业院校技能大赛数控铣样题

您可能关注的文档

小辰5+ 关注
实名认证
内容提供者

出售各种资料和文档

确认删除?
VIP
微信客服
  • 扫码咨询
会员Q群
  • 会员专属群点击这里加入QQ群
客服邮箱
回到顶部