电脑桌面
添加小米粒文库到电脑桌面
安装后可以在桌面快捷访问

总线滤波器检验作业标准VIP免费

总线滤波器检验作业标准_第1页
1/1
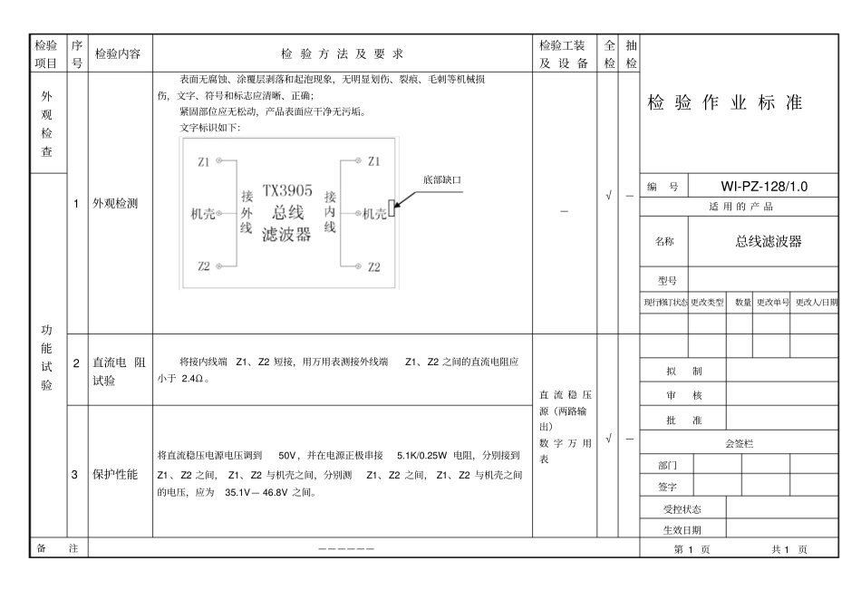
检验项目序号检验内容检 验 方 法 及 要 求检验工装及 设 备全检抽检检 验 作 业 标 准外观检查1 外观检测表面无腐蚀、涂覆层剥落和起泡现象,无明显划伤、裂痕、毛刺等机械损伤,文字、符号和标志应清晰、正确;紧固部位应无松动,产品表面应干净无污垢。文字标识如下:—√—功能试验编号WI-PZ-128/1.0适 用 的 产 品名称总线滤波器型号现行修订状态 更改类型数量 更改单号 更改人/日期2 直流电 阻试验将接内线端Z1、Z2 短接,用万用表测接外线端Z1、Z2 之间的直流电阻应小于 2.4Ω 。直 流 稳 压源(两路输出)数 字 万 用表√—拟制审核3保护性能将直流稳压电源电压调到50V ,并在电源正极串接5.1K/0.25W 电阻,分别接到Z1 、Z2 之间, Z1、Z2 与机壳之间,分别测Z1、Z2 之间, Z1、Z2 与机壳之间的电压,应为35.1V— 46.8V 之间。批准会签栏部门签字受控状态生效日期备注——————第 1 页共 1 页底部缺口

1、当您付费下载文档后,您只拥有了使用权限,并不意味着购买了版权,文档只能用于自身使用,不得用于其他商业用途(如 [转卖]进行直接盈利或[编辑后售卖]进行间接盈利)。
2、本站所有内容均由合作方或网友上传,本站不对文档的完整性、权威性及其观点立场正确性做任何保证或承诺!文档内容仅供研究参考,付费前请自行鉴别。
3、如文档内容存在违规,或者侵犯商业秘密、侵犯著作权等,请点击“违规举报”。

碎片内容

总线滤波器检验作业标准

您可能关注的文档

确认删除?
VIP
微信客服
  • 扫码咨询
会员Q群
  • 会员专属群点击这里加入QQ群
客服邮箱
回到顶部