电脑桌面
添加小米粒文库到电脑桌面
安装后可以在桌面快捷访问

悬挑卸料平台专项施工方案培训资料VIP专享VIP免费

悬挑卸料平台专项施工方案培训资料_第1页
1/33
悬挑卸料平台专项施工方案培训资料_第2页
2/33
悬挑卸料平台专项施工方案培训资料_第3页
3/33
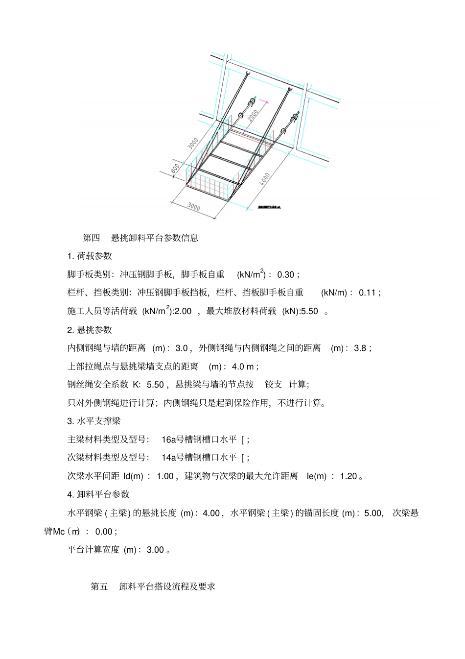
通大· 金岸 5#、6#、7#、8#楼悬挑卸料平台 专项施工方案******建设工程有限公司悬挑卸料平台施工方案第一概况1、工程概况通大· 金岸 5#楼工程由通化尊正房地产开发有限公司投资兴建,勘察单位为长春市建工工程勘测有限公司, 施工单位为 **** 建设工程有限公司。 本工程建设位置 : 地点位于通化市新胜路398号;本工程为:一类高层商住楼,三十三层高层建筑,建筑面积:21492.14 m2 ,建筑总高度 99.3m;建筑耐火等级: 一级。基础形式为筏板基础, 主体结构为: 框架剪力墙结构。为了转运各楼层周转材料和砌砖抹灰材料,计划本工程加工2套工具式型钢悬挑卸料平台,安装在需要的位置。2、编制依据:《建筑结构荷载规范》 (GB50009-2012)《钢结构设计规范》(GB50017-2014)《建筑钢结构焊接技术规程》 (JGJ81-2002)《建筑施工安全检查标准》 (JGJ59-2011)第二卸料平台布置位置卸料平台根据施工层需要利用塔吊就位安装,5#楼平面位置分别在 :: A 轴交 3-5 轴之间的外侧一个, A 轴交 28-29 轴之间的外侧一个。第三卸料平台搭设概况本工程卸料平台采用槽钢悬挑搭设,悬挑主梁采用2 根 16b#槽钢槽口水平,次梁采用14#槽钢槽口水平,间距1 米,钢材强度等级不低于Q235,其质量符合现行国家标准《碳素钢结构》(GB/T700)和《低合金高强度结构钢》GB/T 1591 的规定,平台护栏用钢管焊接,高 1.2 米、平台悬挑长度4.0 米,宽 3.0 米,主次梁锚入楼面5.0 米(保证锚入楼面1.25 倍),整个平台与护栏焊接成整体,使用时采用塔吊吊装,斜拉钢丝绳采用 6*37φ 19.5 的,上部拉绳点与悬挑梁墙支点的距离为5m,钢丝绳悬吊于上一层的楼面上连结方式(如图A,上部吊点详图);在离主梁(槽钢)末端0.2 米处用 6*37φ 19.5 的钢丝绳 吊拉卸载,安装示意图如下第四悬挑卸料平台参数信息1. 荷载参数脚手板类别:冲压钢脚手板,脚手板自重(kN/m2) :0.30 ;栏杆、挡板类别:冲压钢脚手板挡板,栏杆、挡板脚手板自重(kN/m) :0.11 ;施工人员等活荷载 (kN/m2):2.00 ,最大堆放材料荷载 (kN):5.50 。2. 悬挑参数内侧钢绳与墙的距离 (m):3.0 ,外侧钢绳与内侧钢绳之间的距离(m):3.8 ;上部拉绳点与悬挑梁墙支点的距离(m):4.0 m ;钢丝绳安全系数 K:5.50 ,悬挑梁与墙的节点按铰支 计算;只对外侧钢绳进行计算;内侧钢绳只是起到保险作用,不进行计算。3. 水平支撑梁主梁材料类型及型号...

1、当您付费下载文档后,您只拥有了使用权限,并不意味着购买了版权,文档只能用于自身使用,不得用于其他商业用途(如 [转卖]进行直接盈利或[编辑后售卖]进行间接盈利)。
2、本站所有内容均由合作方或网友上传,本站不对文档的完整性、权威性及其观点立场正确性做任何保证或承诺!文档内容仅供研究参考,付费前请自行鉴别。
3、如文档内容存在违规,或者侵犯商业秘密、侵犯著作权等,请点击“违规举报”。

碎片内容

悬挑卸料平台专项施工方案培训资料

爱的疯狂+ 关注
实名认证
内容提供者

该用户很懒,什么也没介绍

确认删除?
VIP
微信客服
  • 扫码咨询
会员Q群
  • 会员专属群点击这里加入QQ群
客服邮箱
回到顶部