电脑桌面
添加小米粒文库到电脑桌面
安装后可以在桌面快捷访问

悬挑式卸料平台安全技术规程VIP免费

悬挑式卸料平台安全技术规程_第1页
1/17
悬挑式卸料平台安全技术规程_第2页
2/17
悬挑式卸料平台安全技术规程_第3页
3/17
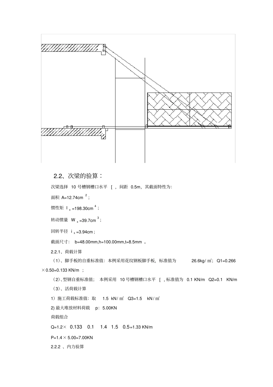
悬挑式卸料平台安全技术规定一、安全技术规定:1、 为规范我公司各工程项目悬挑式卸料平台制作和使用的安全管理,防范安全事故的发生,制定本规定。2、 卸料平台采用型钢制作,各个节点应采用焊接连接,制作成刚性框架结构,用钢丝绳组与建筑结构可靠拉结。3、 卸料平台施工前应编制专项施工方案,方案必须严格执行公司的报批审核制度。专职安全管理人员应该严格执行报批审核通过后的方案,对制作、搭设、使用和拆卸等环节严格检查和监督实施。4、卸料平台专项施工方案应包括平面布置图、卸料平台与建筑物连接及支撑等构造详图、荷载取值、使用要求、平台搭设、维护及拆卸等安全技术措施。5、卸料平台设计计算按后附“悬挑式卸料平台计算书”进行。6、卸料平台必须单独设置,不得与脚手架和施工设备相连,在同一垂直面上不得上下同时设置。7、卸料平台的搁置点和上部拉结点必须位于混凝土结构上,伸入梁板长度应不小于1.5米,用两道的预埋U 型螺栓与压板 (200×100×10)采用双螺母固定,两道螺栓间距200mm。螺杆露出螺母应不少于3 丝,螺杆采用20 圆。8、卸料平台宽度应在2m-2.4m 之间,平台周围应按临边防护要求设置1.2 米高防护栏杆,并用3 厚钢板密封,焊接牢固,栏板应能承受1KN/m 的侧向力。平台底采用3mm 厚花纹钢板满铺,焊接牢固并有防滑措施。钢平台制作完成后应刷黄黑相间安全色。9、卸料平台四角应设置四只吊装环,以满足安装拆卸的要求。安装后平台面应微微上翘,保证荷载完全由钢丝绳承受,钢丝绳应采用花篮螺栓调节松紧,并保证两侧钢丝绳长度相等。钢丝绳每边必须设前后两道,不得拉在同一拉结点上。拉结点和悬挑梁支点间高度应大于 2.8m。10、卸料平台采用的槽钢、钢管、铁板、钢丝绳等材料材质性能应符合现行国家标准、规范要求。11、在卸料平台的明显处应设置安全警告标志牌,标明使用要求和限载重量。限载重量应小于 10KN 。12、卸料平台安装完毕后,应由项目经理组织相关人员检查验收,合格后报监理等相关部门对其进行复查验收,复查验收通过后方可使用。13、卸料平台使用中应有专人检查,建议定期检查制度,对水平杆与建筑物的连接、上拉钢丝绳与梁连接等部位及防护栏杆、警示标牌的完好性等进行检查。14、 卸料平台换层时,应对卸料平台完好性进行检查,按专项方案及安全操作规程要求进行操作,对作业人员进行安全技术交底,项目安全员现场监督。15、卸料平台搭设、拆卸时,应设置警戒区,禁止无关人员进...

1、当您付费下载文档后,您只拥有了使用权限,并不意味着购买了版权,文档只能用于自身使用,不得用于其他商业用途(如 [转卖]进行直接盈利或[编辑后售卖]进行间接盈利)。
2、本站所有内容均由合作方或网友上传,本站不对文档的完整性、权威性及其观点立场正确性做任何保证或承诺!文档内容仅供研究参考,付费前请自行鉴别。
3、如文档内容存在违规,或者侵犯商业秘密、侵犯著作权等,请点击“违规举报”。

碎片内容

悬挑式卸料平台安全技术规程

您可能关注的文档

爱的疯狂+ 关注
实名认证
内容提供者

该用户很懒,什么也没介绍

确认删除?
VIP
微信客服
  • 扫码咨询
会员Q群
  • 会员专属群点击这里加入QQ群
客服邮箱
回到顶部