电脑桌面
添加小米粒文库到电脑桌面
安装后可以在桌面快捷访问

悬臂式挡土墙设计讲解VIP免费

悬臂式挡土墙设计讲解_第1页
1/9
悬臂式挡土墙设计讲解_第2页
2/9
悬臂式挡土墙设计讲解_第3页
3/9
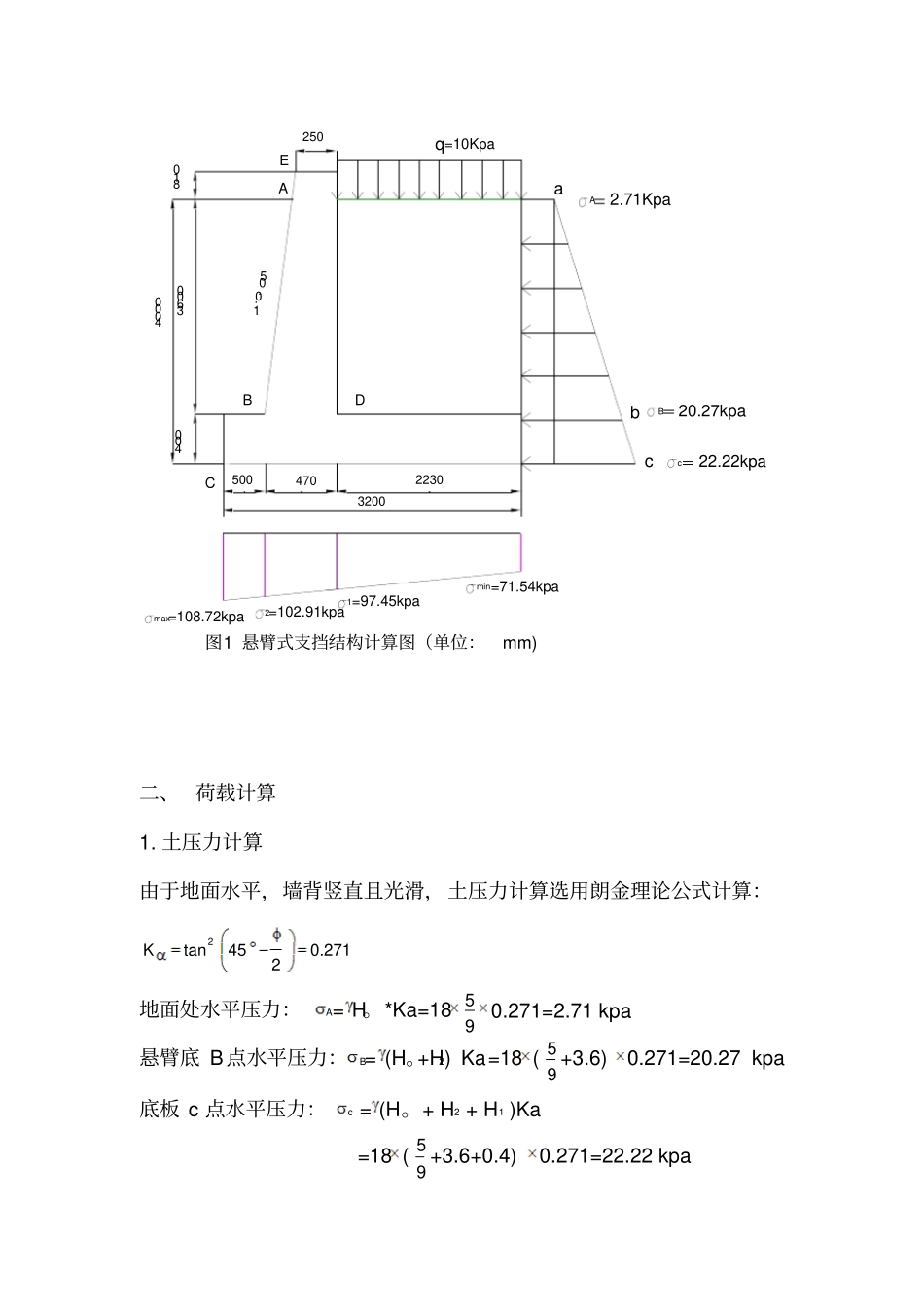
悬臂式挡土墙工程实例—— 成都市三环路与铁路立交工程设计路段为 K23+385.728— K23+486.726 右幅快车道;已知,填方最大高度5 米,地基承载力设计值=150kpa,墙身设计高度 H=4m;填土标准重度=18KN/m3,填土表面均布荷载q=10KN/m2, 填土内摩擦角 Φ =35。, 底板与地基摩擦系数f=0.3, 墙身采用 C20混凝土,HRB335钢筋。一、 截面选择选择悬臂式挡土墙。 尺寸按悬臂式挡土墙规定初步拟定,如图所示根据规范要求 H1= 110 H=400mm, H2=H-H1=3600mm, H0=810mm,b=250mm, B=0.8H=3200mm;地面活荷载 q 的作用,采用换算立柱高:01050.55189qHrB3 的初步估算:22250(810)0.05=470mmBH3201.4348.78=22300.3(40.55)1.05 18rcKmExBBHmf— 0.47(H+) B1 =B-B3-B2=3200-2230-470=500mm A2.71KpaB20.27kpac22.22kpaq=10KpaBCDAEabc2503200223047050081040003600400图1 悬臂式支挡结构计算图(单位:mm)min=71.54kpa1=97.45kpa2=102.91kpamax=108.72kpa1:0.05二、 荷载计算1. 土压力计算由于地面水平,墙背竖直且光滑,土压力计算选用朗金理论公式计算:2tan450.2712K地面处水平压力:A= H。*Ka=18 590.271=2.71 kpa 悬臂底 B点水平压力:B= (H。+H2) Ka =18 ( 59 +3.6)0.271=20.27 kpa 底板 c 点水平压力:c = (H。+ H2 + H1 )Ka =18 ( 59 +3.6+0.4)0.271=22.22 kpa 土压力及合力作用点位置:Ea1=A H 2 =2.71 3.6=9.76 KN/m ;Za1=22H + H 1 =2.2 m Ea2= 12 (B-A) H=12 (20.27-2.71 ) 3.6=31.61 KN/m ;Za2= 13 H2 + H1 =1.6 m Ea3= 12 (c -A) H= 12 (22.22-2.71)4=39.02 KN/m;Za3= 13 (H1 + H2)=1.333 m 2.竖向荷载计算(1)立臂自重力钢筋混凝土标准容重 γ k= 25kN/m3,其自重力G1k= 0.2502.47(3.6+0.81)25=39.69 KN/m X1=0.5+ 0.224.41 0.50.22230.254.41(0.22+0.125)(0.50.22 4.41+0.254.41) =0.7844 m (2)底板自重力G2k=(0.5+0.47+2.23) 0.425=32 KN/m X2= 3.22 =1.6 m (3)地面均布活载及填土的自重力G3k=(q+ γ H2)B 1 =(10+18 3.6) 2.23=166.81 KN/m X3=0.5+0.47+ 2.232 =2.085 m 三、抗倾覆稳定验算稳定力矩112233xkkkkMG xGxGx=39.69 0.7844+32 1.6+166.812.085 =430.13 KN*m/m 倾覆力矩Mqk=Ea1*Za1+Ea3*Za3=9.67 2.2+39.021.333 =73.49 KN*m/m 0430.135.8573. 9.541xkqkMKM故稳定四、抗...

1、当您付费下载文档后,您只拥有了使用权限,并不意味着购买了版权,文档只能用于自身使用,不得用于其他商业用途(如 [转卖]进行直接盈利或[编辑后售卖]进行间接盈利)。
2、本站所有内容均由合作方或网友上传,本站不对文档的完整性、权威性及其观点立场正确性做任何保证或承诺!文档内容仅供研究参考,付费前请自行鉴别。
3、如文档内容存在违规,或者侵犯商业秘密、侵犯著作权等,请点击“违规举报”。

碎片内容

悬臂式挡土墙设计讲解

确认删除?
VIP
微信客服
  • 扫码咨询
会员Q群
  • 会员专属群点击这里加入QQ群
客服邮箱
回到顶部