电脑桌面
添加小米粒文库到电脑桌面
安装后可以在桌面快捷访问

便携式电气设备管理制度VIP免费

便携式电气设备管理制度_第1页
1/2
便携式电气设备管理制度_第2页
2/2
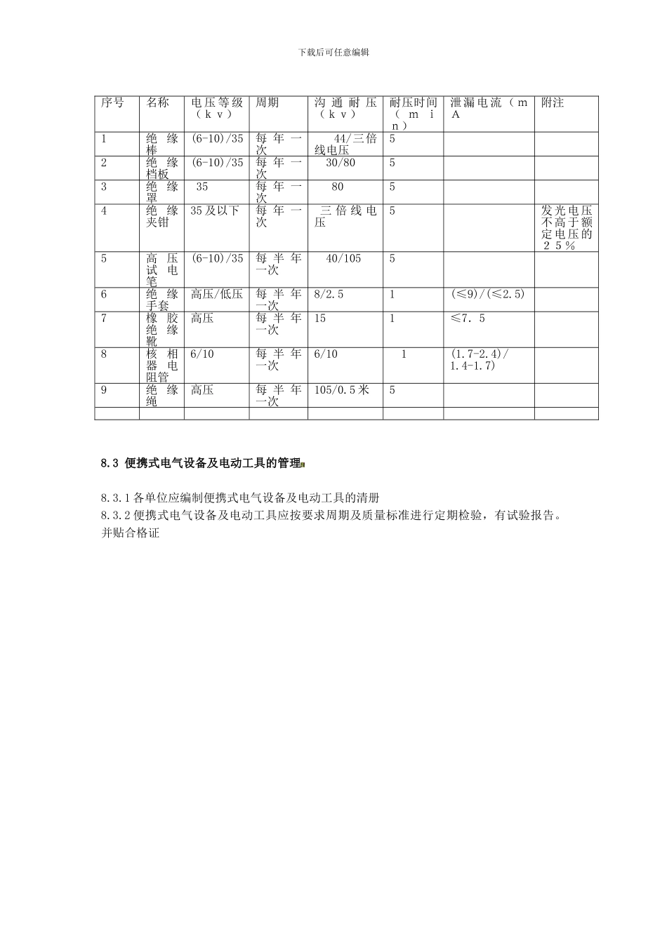
下载后可任意编辑8.1 便携式电气设备及电动工具使用要求8.1.1 便携式电气设备应符合国家或部颁现行技术标准, 并具有出厂合格和技术文件。8.1.2 移动电气设备上必须设置标志明显的接地螺丝。 铭牌上的技术数据应齐全清楚,其安全防护罩壳、限位、保护、联锁应齐备可靠。手持握柄和操作手把尽量采纳绝缘材料。 8.1.3 便携式电气设备与手持电动工具的电源线必须采纳截面足够的三芯或四芯多股铜芯橡胶(或塑料)护套软电缆。应采纳专用芯线接地,此芯线严禁同时用来通过工作电流。严禁利用其它用电设备的零线接地。严禁使用绝缘破坏的电缆或几根单芯导线并用。 8.1.4 使用便携式电气设备和手持电动工具时, 必须首先将接地线装好。应正确的使用合格的绝缘用具和安全防护用品。8.1.5 电焊机金属外壳必须有良好保护接地。焊钳和焊钳导线应完整无损、绝缘良好、电源线一般不超过2米。8.1.6 必须严格按操作规程使用便携式电气设备和手持电动工具。 使用过程中需要移动电气器具或停止工作、人员离去或突然停电时,必须断开电源开关或拨掉电源插头。8.1.7 手持电动工具的使用应按国标 GB 3883.1—2000 的规定执行。8.1.8 手持电动工具的管理、使用、 检查和维修应按国标 GBB3787-1993《手持电动工具的管理、使用、检查和维修安全技术规程》规定执行。 8.1.9 手持电动工具的绝缘电阻值不应小于下表规定数值:手持电动工具的绝缘耐压试验应按下表规定数值试 验 电 压 的 施 加 部 位试验电压(伏)带电零件与壳体零件之间Ⅰ 类工具Ⅱ 类工具Ⅲ 类工具仅与基本绝缘与带电零件相隔离380950由加强绝缘与带电零件相隔离2800 注:绝缘耐压试验的时间应维持1分钟。8.2 电气安全用具的使用要求8.2.1 电气安全用具包括基本绝缘安全用具, 辅助绝缘安全用具和一般防护用具。8.2.2 电气工作人员应学习正确使用各种安全用具的方法与检查鉴别是否完好的基本知识 。应根据操作任务选用必要的适合电气设备额定电压的安全用品。8.2.3 所用各种绝缘安全用具均应有检查合格证。 使用前应检查所用安全用具是否是试验周期内的合格品,同时进行外观检查。8.2.4 安全用具使用后,应擦拭洁净,存放在干燥通风处,保持清洁, 防止潮湿。8.2.5 绝缘安全用具应定期进行试验, 试验标准和周期应符合下表所列数值。 电气绝缘安全用具的试验标准和周期测 量 部 位绝 缘 电 阻M ΩⅠ 类工具带电零件与外壳之间2Ⅱ 类...

1、当您付费下载文档后,您只拥有了使用权限,并不意味着购买了版权,文档只能用于自身使用,不得用于其他商业用途(如 [转卖]进行直接盈利或[编辑后售卖]进行间接盈利)。
2、本站所有内容均由合作方或网友上传,本站不对文档的完整性、权威性及其观点立场正确性做任何保证或承诺!文档内容仅供研究参考,付费前请自行鉴别。
3、如文档内容存在违规,或者侵犯商业秘密、侵犯著作权等,请点击“违规举报”。

碎片内容

便携式电气设备管理制度

确认删除?
VIP
微信客服
  • 扫码咨询
会员Q群
  • 会员专属群点击这里加入QQ群
客服邮箱
回到顶部