电脑桌面
添加小米粒文库到电脑桌面
安装后可以在桌面快捷访问

彩板吊装方案VIP免费

彩板吊装方案_第1页
1/7
彩板吊装方案_第2页
2/7
彩板吊装方案_第3页
3/7
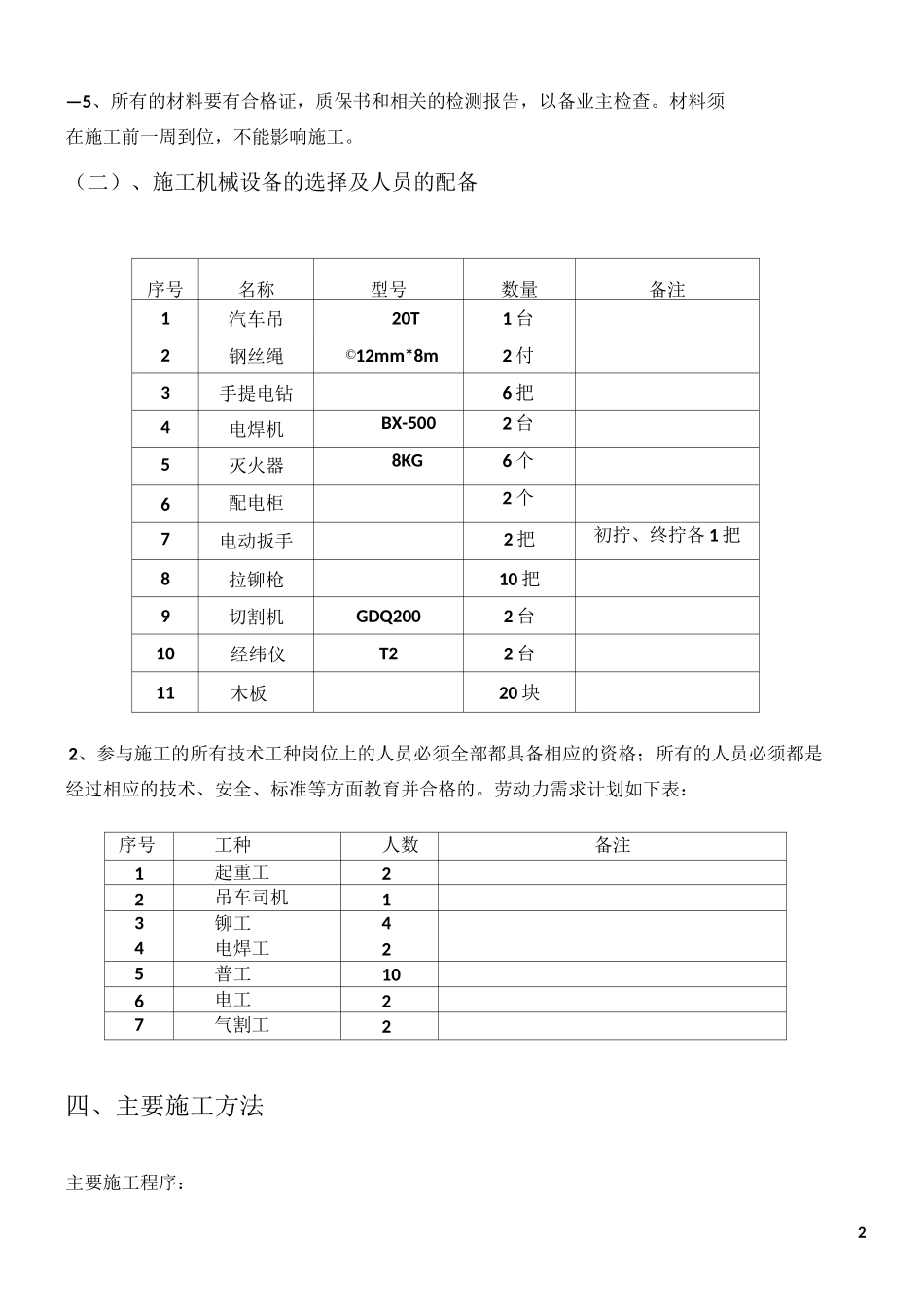
1一、工程概况:本方案专为型材加工车间的彩钢夹芯板的吊装而编制,建设地点为公司院内施工范围为:型材加工车间屋面、墙面彩板吊装施工。主要实物工程量序号项目名称单位工程量(约)1型材加工车间主厂房屋面彩板(0.8 厚蓝色压型钢板+100 厚聚苯乙烯夹芯板)m255402型材加工车间主厂房墙面彩板(0.8 厚蓝色压型钢板+100 厚聚苯乙烯夹芯板)m23620二、编制依据:1、国家颁布现行《工程施工质量验收规范》和各种作业施工规程;2、《压型金属板设计施工规程》(YBJ216-88)3、《建筑设计防火规范》(GBJ16-87)4、《钢结构工程质量检验评定标准》(GB50221-95)5、《压型钢板施工及验收规范》(GB50205)6、《建筑用压型钢板》GB/T12755-20087、《施工临时用电安全技术规范》JGJ46-2005三、施工准备(一)、技术准备1、施工根据分项工程安排对施工人员进行技术交底及安全文明施工交底。使施工人员熟悉施工图纸,了解作业场所和工作岗位存在的危险因素,防范措施及事故的应急措施。2、准备并检查吊装用吊具、卡具、索具、牵引绳及相关工具。机械工具器具经检查,状态良好。3、吊车司机必须对吊车进行全面检查,以确保吊装万无一失。4、清理有碍吊装的杂物后平整场地,并反复碾压,以确保吊装顺利安全,疏通并整理设备的运输道路,保证吊车及运输车辆能够顺利进入现场。2—5、所有的材料要有合格证,质保书和相关的检测报告,以备业主检查。材料须在施工前一周到位,不能影响施工。(二)、施工机械设备的选择及人员的配备序号名称型号数量备注1汽车吊20T1 台2钢丝绳©12mm*8m2 付3手提电钻6 把4电焊机BX-5002 台5灭火器8KG6 个6配电柜2 个7电动扳手2 把初拧、终拧各 1 把8拉铆枪10 把9切割机GDQ2002 台10经纬仪T22 台11木板20 块2、参与施工的所有技术工种岗位上的人员必须全部都具备相应的资格;所有的人员必须都是经过相应的技术、安全、标准等方面教育并合格的。劳动力需求计划如下表:序号工种人数备注1起重工22吊车司机13铆工44电焊工25普工106电工27气割工2四、主要施工方法主要施工程序:3吊装前准备工作 f 屋面压型钢板及天沟的安装 f 墙面压型板的安装 f 开口处理 f 墙面泛水板的安装 f 局部防水处理 f 安装完毕后检查。2、屋面压型钢板及天沟的安装2.1、屋面压型钢板的安装屋面系统在安装前应首先检查屋面檩条平整度、檩距、跨度等进行经检查,如发现与图纸不符可及时更改或修补。具体安装如下:(1)压型钢...

1、当您付费下载文档后,您只拥有了使用权限,并不意味着购买了版权,文档只能用于自身使用,不得用于其他商业用途(如 [转卖]进行直接盈利或[编辑后售卖]进行间接盈利)。
2、本站所有内容均由合作方或网友上传,本站不对文档的完整性、权威性及其观点立场正确性做任何保证或承诺!文档内容仅供研究参考,付费前请自行鉴别。
3、如文档内容存在违规,或者侵犯商业秘密、侵犯著作权等,请点击“违规举报”。

碎片内容

彩板吊装方案

确认删除?
VIP
微信客服
  • 扫码咨询
会员Q群
  • 会员专属群点击这里加入QQ群
客服邮箱
回到顶部