电脑桌面
添加小米粒文库到电脑桌面
安装后可以在桌面快捷访问

手掘式顶管施工工艺标准VIP免费

手掘式顶管施工工艺标准_第1页
1/8
手掘式顶管施工工艺标准_第2页
2/8
手掘式顶管施工工艺标准_第3页
3/8
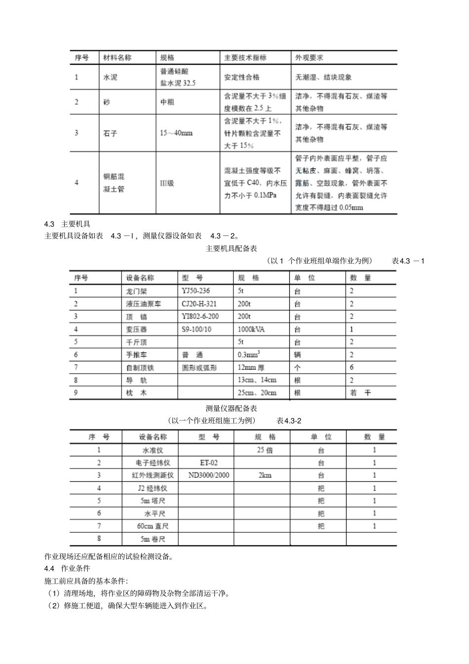
手掘式顶管施工艺1 总则1.1 适用范围顶管工艺的选择,应根据管道所处土层性质、管径、地下水位、附近地上或地下建筑物、构筑物等各种设施情况,经技术经济比较后确定。顶管工艺大致可分类为:手掘式顶管工艺、挤压式顶管工艺、土压平衡顶管工艺、泥水平衡式顶管工艺和挤密土层顶管工艺。本标准介绍的是手掘式顶管式工艺。手掘式顶管施工适用于土质较好的黏性土或砂性土层中,且管径在80cm 以上。如地下水位较高,则需要采用井点降水等辅助施工措施;不适用于曲率半径小和软土地层的施工。1.2 编制参考标准及规范(l )《给水排水管道工程质量验收规范》GB50268— 2001 (2)《市政排水管渠工程质量检验评定标准》GJJ3— 1990 (3)混凝土和钢筋混凝土排水管》GB/T11836— 1999 (4)《建筑工程施工质量验收统一标准》GB50300— 2001 (5)《地下防水工程施工质量验收规范》GB50208— 2002 (6)《地下工程防水技术规范》GB50108—— 2001 2 术语2.1 术语(1)顶管段单元长度:指不采用中继间时计算所能顶进的管段长度。此长度由管径、管道所处土层性质、千斤顶规格、后背墙允许抗力、管道端部所能承受的允许顶力等因素确定。(2)工作坑:是安放所有顶进设备的场所,也是顶管掘进机的始发场所。(3)接收坑:是接收掘进机的场所。(4)后背:指根据土的性质设计能承受顶管段单元长度最大顶力的反作用力的后背墙。(5)顶铁:指管道顶进时,千斤顶与管道端部之间临时设置的传力构件。其作用能将千斤顶集中荷载通过顶铁比较均匀地分在管端并能延伸千斤顶活塞的功能。3 基本规定该工艺操作全过程应遵守的标准是《给水排水管道工程质量验收规范》GB50268— 2001。4 施工准备4.1 技术准备(1)组织管理人员和技术人员熟悉设计文件及设计交底并进行图纸会审。(2)会同业主、监理单位进行交桩并做好交桩复核记录;对沿线水准点及轴线控制桩进行加密,并报监理工程师审核。(3)进行工程量复核并编制详细的工料分析。(4)编制实施性的作业指导书。(5)组织技术人员熟悉施工规范并进行书面技术交底和安全交底。4.2 材料要求所有材料进场前均应附有生产许可证、产品合格证和相应的检验报告书,并经专职质检员验收合格后方可进场;在材料使用前,必须按规定抽样送检,合格后方可使用。对顶管工艺中最主要的材料钢筋混凝土管材在进场前还必须检查其所有原材料试验报告、混凝土试块抗压强度报告和管材本身的抗压检验报告。材料要求...

1、当您付费下载文档后,您只拥有了使用权限,并不意味着购买了版权,文档只能用于自身使用,不得用于其他商业用途(如 [转卖]进行直接盈利或[编辑后售卖]进行间接盈利)。
2、本站所有内容均由合作方或网友上传,本站不对文档的完整性、权威性及其观点立场正确性做任何保证或承诺!文档内容仅供研究参考,付费前请自行鉴别。
3、如文档内容存在违规,或者侵犯商业秘密、侵犯著作权等,请点击“违规举报”。

碎片内容

手掘式顶管施工工艺标准

确认删除?
VIP
微信客服
  • 扫码咨询
会员Q群
  • 会员专属群点击这里加入QQ群
客服邮箱
回到顶部