电脑桌面
添加小米粒文库到电脑桌面
安装后可以在桌面快捷访问

手机标准及测试项目VIP免费

手机标准及测试项目_第1页
1/10
手机标准及测试项目_第2页
2/10
手机标准及测试项目_第3页
3/10
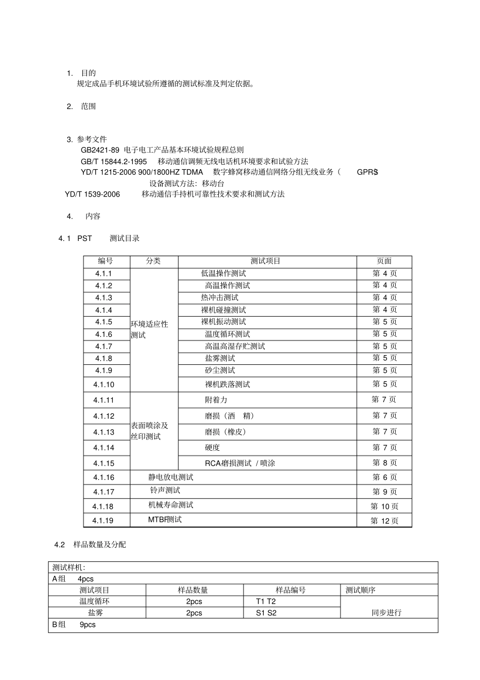
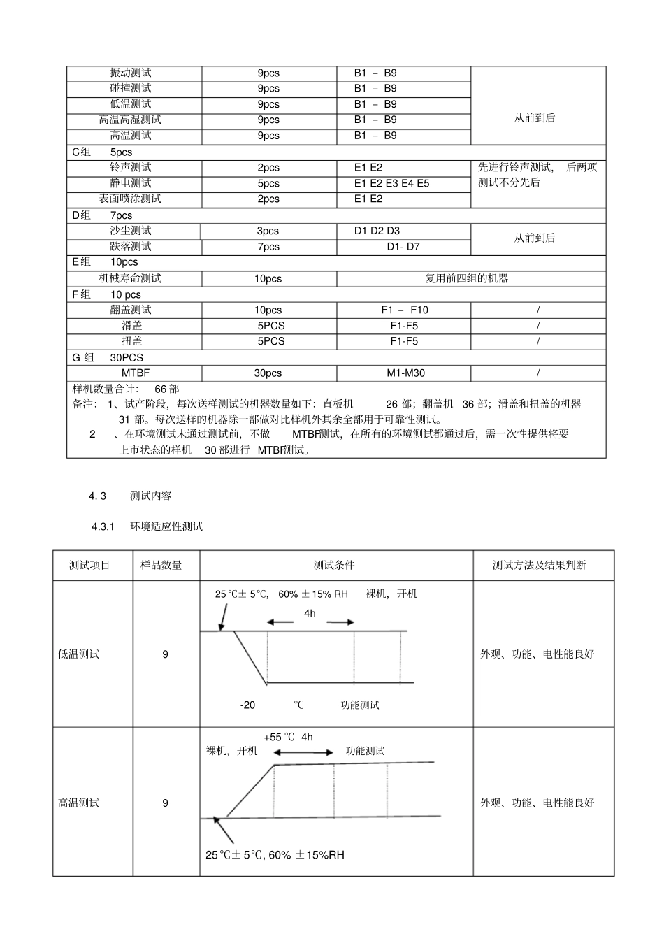
1.目的规定成品手机环境试验所遵循的测试标准及判定依据。2.范围3. 参考文件GB2421-89 电子电工产品基本环境试验规程总则GB/T 15844.2-1995 移动通信调频无线电话机环境要求和试验方法YD/T 1215-2006 900/1800HZ TDMA 数字蜂窝移动通信网络分组无线业务(GPRS)设备测试方法:移动台 YD/T 1539-2006 移动通信手持机可靠性技术要求和测试方法4.内容 4. 1 PST测试目录编号分类测试项目页面4.1.1 环境适应性测试低温操作测试第 4 页4.1.2 高温操作测试第 4 页4.1.3 热冲击测试第 4 页4.1.4 裸机碰撞测试第 4 页4.1.5 裸机振动测试第 5 页4.1.6 温度循环测试第 5 页4.1.7 高温高湿存贮测试第 5 页4.1.8 盐雾测试第 5 页4.1.9 砂尘测试第 5 页4.1.10 裸机跌落测试第 5 页4.1.11 表面喷涂及丝印测试附着力第 7 页4.1.12 磨损(酒精)第 7 页4.1.13 磨损(橡皮)第 7 页4.1.14 硬度第 7 页4.1.15 RCA-磨损测试 / 喷涂第 8 页4.1.16 静电放电测试第 6 页4.1.17 铃声测试第 9 页4.1.18 机械寿命测试第 10 页4.1.19 MTBF测试第 12 页 4.2 样品数量及分配测试样机:A组 4pcs 测试项目样品数量样品编号测试顺序温度循环2pcs T1 T2 同步进行盐雾2pcs S1 S2 B组 9pcs 振动测试9pcs B1 – B9 从前到后碰撞测试9pcs B1 – B9 低温测试9pcs B1 – B9 高温高湿测试9pcs B1 – B9 高温测试9pcs B1 – B9 C组 5pcs 铃声测试2pcs E1 E2 先进行铃声测试, 后两项测试不分先后静电测试5pcs E1 E2 E3 E4 E5 表面喷涂测试2pcs E1 E2 D组 7pcs 沙尘测试3pcs D1 D2 D3 从前到后跌落测试7pcs D1- D7 E组 10pcs 机械寿命测试10pcs 复用前四组的机器F 组 10 pcs 翻盖测试10pcs F1 – F10 / 滑盖5PCS F1-F5 / 扭盖5PCS F1-F5 / G 组 30PCS MTBF 30pcs M1-M30 / 样机数量合计:66 部备注: 1、试产阶段,每次送样测试的机器数量如下:直板机26 部;翻盖机36 部;滑盖和扭盖的机器31 部。每次送样的机器除一部做对比样机外其余全部用于可靠性测试。 2、在环境测试未通过测试前,不做MTBF测试,在所有的环境测试都通过后,需一次性提供将要上市状态的样机30 部进行 MTBF测试。4. 3 测试内容 4.3.1 环境适应性测试测试项目样品数量测试条件测试方法及结果判断低温测试9 25 ℃± 5℃, 60% ±15% RH裸...

1、当您付费下载文档后,您只拥有了使用权限,并不意味着购买了版权,文档只能用于自身使用,不得用于其他商业用途(如 [转卖]进行直接盈利或[编辑后售卖]进行间接盈利)。
2、本站所有内容均由合作方或网友上传,本站不对文档的完整性、权威性及其观点立场正确性做任何保证或承诺!文档内容仅供研究参考,付费前请自行鉴别。
3、如文档内容存在违规,或者侵犯商业秘密、侵犯著作权等,请点击“违规举报”。

碎片内容

手机标准及测试项目

您可能关注的文档

确认删除?
VIP
微信客服
  • 扫码咨询
会员Q群
  • 会员专属群点击这里加入QQ群
客服邮箱
回到顶部