电脑桌面
添加小米粒文库到电脑桌面
安装后可以在桌面快捷访问

托盘知识大全VIP免费

托盘知识大全_第1页
1/20
托盘知识大全_第2页
2/20
托盘知识大全_第3页
3/20
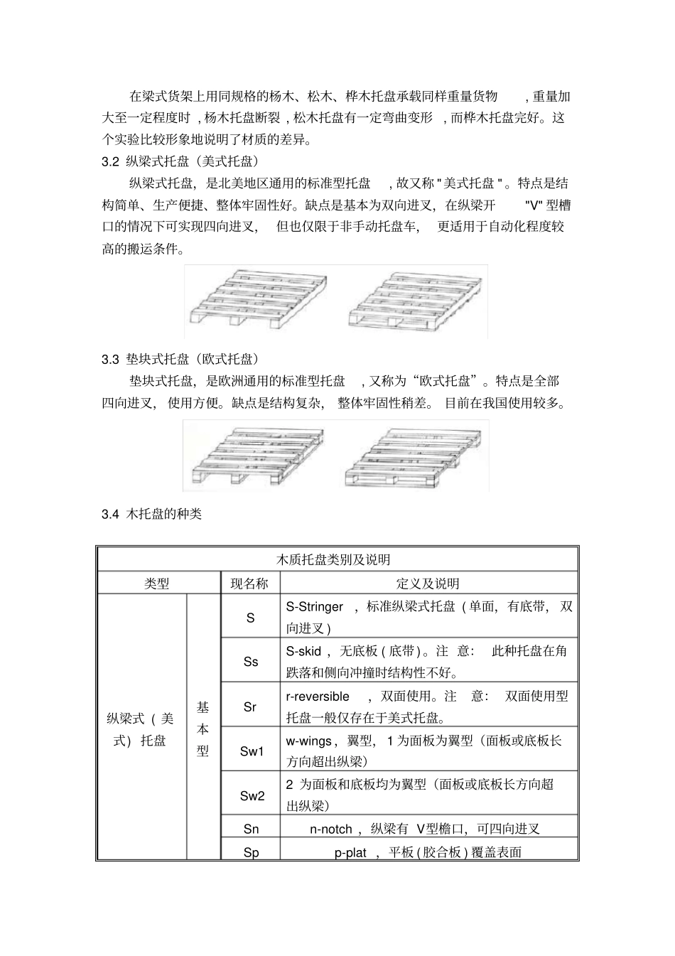
关于托盘的种种知识一、托盘的种类托盘 , 又称栈板、卡板、拍子 , 是搬运、放置货物的连接垫放物。根据不同的制造材料 , 可分为木制托盘、塑料托盘、钢制托盘、纸制托盘和复合材料托盘等多种;根据不同的使用需求又可分为长期周转用和一次性使用两类。塑料托盘和钢制托盘基本上均为周转用托盘, 纸制托盘为一次性使用托盘, 木制托盘和复合材料托盘既可生产周转用托盘, 也可生产一次性托盘。二、托盘的使用托盘的使用在静态时基本可分为垫板用, 堆垛和货架使用 , 其承重要求依次递增。托盘的承载性体现在静载 , 动载和货架承载三个方面 . 同一托盘的承载指数在此三方面侬次递减。根据托盘自身的结构 . 在使用上可分为单面或双面使用,双向进叉或四向进叉。 对于非手动叉车 ( 电动、燃油、燃气等 ), 所有托盘均适用。而手动液压托盘搬动车及托盘举升车无法与双面托盘配合使用。除叉车外 . 托盘在设计时亦要考虑所载货物, 如产品类型、沉陷性、重量、单位体积、堆码情况等; 同时也要适应货架条件 , 如货架类型、货架承重、搬运方向、放置方向、放置布局等。三、木制托盘木制托盘是托盘中最传统和最普及的类型。由于木材具有价格低廉、 易于加工, 成品适应性强、 可以维修等特点 , 而为绝大多数用户采用。 据不完全统计, 目前木制托盘约占整个托盘市场的95%以上。木制托盘的问题主要存在于卫生和生产稳定性等方面木材易受潮、发霉、虫蛀而又无法清洗,其表面木屑脱落及螺钉锈蚀的问题也是难以克服的。此外,由于木材是天然材料, 其质量受地域气候等多方面影响, 既便是同一批原料, 在干湿度、 风裂等方面亦难以达到统一标准。3.1 木托盘的材料木制托盘的性能及特点, 主要取决于木材本身, 材料是决定木托盘应用及价格的关键性因素。我国北方常见托盘用材基本有以下几种: 杨木类 : 属阔叶树, 材质疏松而软, 耐用性差, 适于制造承重要求不高的托盘。价格较低。松木类 : 属针叶树种,种类较多,适用性广。落叶松(黄花松)纹理粗实、木制硬、价格适中,是制造托盘常用材种之一。白松和红松纹理细致,色白,外观美丽,多用于制造精细包装物,价格较高。硬杂木类 : 属阔叶树种,木质硬度大。用于托盘制作的锯材以榆木、桦木、槐木、柳木等为常见。其纹理致密,木质硬而沉,承重性好。但少有大型材,价格适中。在梁式货架上用同规格的杨木、松木、桦木托盘承载同样重量货物, 重量加大至一定程度...

1、当您付费下载文档后,您只拥有了使用权限,并不意味着购买了版权,文档只能用于自身使用,不得用于其他商业用途(如 [转卖]进行直接盈利或[编辑后售卖]进行间接盈利)。
2、本站所有内容均由合作方或网友上传,本站不对文档的完整性、权威性及其观点立场正确性做任何保证或承诺!文档内容仅供研究参考,付费前请自行鉴别。
3、如文档内容存在违规,或者侵犯商业秘密、侵犯著作权等,请点击“违规举报”。

碎片内容

托盘知识大全

文库响当当+ 关注
实名认证
内容提供者

该用户很懒,什么也没介绍

确认删除?
VIP
微信客服
  • 扫码咨询
会员Q群
  • 会员专属群点击这里加入QQ群
客服邮箱
回到顶部