电脑桌面
添加小米粒文库到电脑桌面
安装后可以在桌面快捷访问

技术交底记录排风管道安装VIP免费

技术交底记录排风管道安装_第1页
1/10
技术交底记录排风管道安装_第2页
2/10
技术交底记录排风管道安装_第3页
3/10
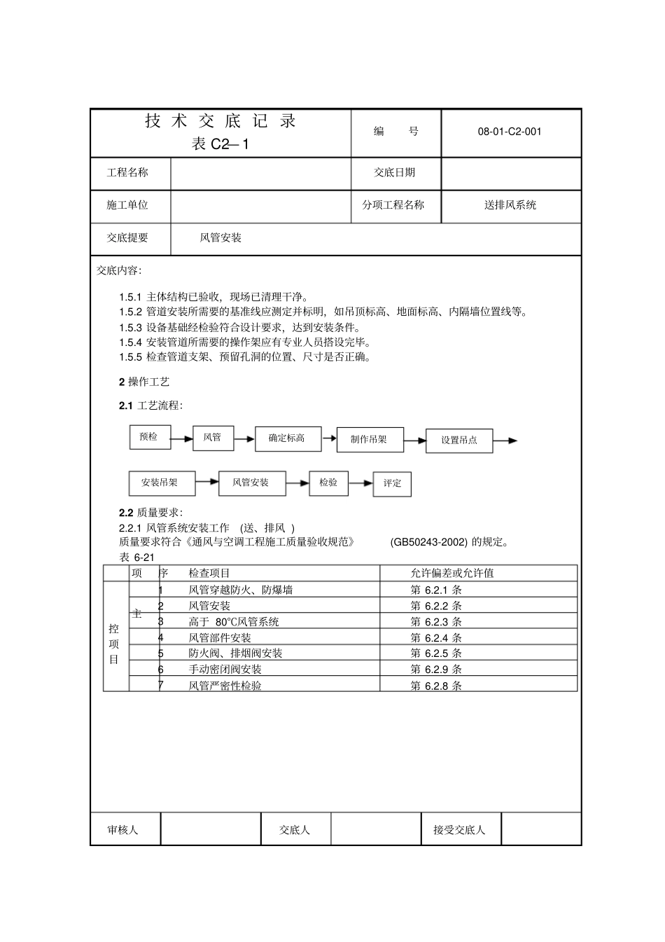
技 术 交 底 记 录表 C2— 1 编号08-01-C2-001 工程名称交底日期2015/4/27 施工单位分项工程名称送排风系统交底提要风管安装交底提要: 风管 安装交底内容:1 施工准备:1.1 技术准备:1.1.1 施工前应认真熟悉工程施工图,并对工程性质、规模、服务对象和系统的工作原理、系统的设计参数、系统的划分和组成、施工质量和特殊施工方法作到心中有数。1.1.2 了解设计单位的技术交底、图纸会审和相关洽商的内容。1.1.3 熟悉设计要求选用的国标、院标、 图集和其他技术资料的内容和设备及配件的生产厂家的“产品说明书”中对其产品的介绍和对安装的要求。1.1.4 参考各专业安装施工图,观察相关专业的管道走向,坐标位置之间的交叉配合等是否有冲突,应综合校核,在各类管道密集处绘出管线平面综合布线图。1.1.5 收集已建工程质量通病信息,明确施工重点与难点和质量管理点。1.1.6 对施工中需要的计量、测量器具提前做好准备。1.1.7 绘制主要外加工件的加工草图。1.2 材料准备:1.2.1 各类板材、管材等应该有质量证明文件和产品清单。1.2.2 风管成品不允许有变形、扭曲、开裂、孔洞、法兰脱落、开焊、漏铆、漏打螺栓等缺陷。1.2.3 安装阀体消声器、罩体、风口等部件应检查调节装置是否灵活,消声片、油漆层有无损伤。1.2.4 安装使用的材料:螺栓、螺母、垫圈、垫料、密封条、自攻螺丝、拉铆钉、电焊条、各种帆布、无纺布、射钉、膨胀螺栓等应符合产品质量要求。1.3 机具准备:手锤、电锤、手电钻、手锯、电动双刃剪、砂轮锯、角向磨光机、台钻、电气焊具、扳手、改锥、手剪、倒链、高登、大绳、尖冲、射钉枪、刷子等。1.4 劳动力安排:水暖工 4 名,施工人员应用工手续齐全,焊工应持有焊工证,技工应不少于总人数的70%。1.5 作业条件:审核人交底人接受交底人技 术 交 底 记 录表 C2— 1 编号08-01-C2-001 工程名称交底日期施工单位分项工程名称送排风系统交底提要风管安装交底内容:1.5.1 主体结构已验收,现场已清理干净。1.5.2 管道安装所需要的基准线应测定并标明,如吊顶标高、地面标高、内隔墙位置线等。1.5.3 设备基础经检验符合设计要求,达到安装条件。1.5.4 安装管道所需要的操作架应有专业人员搭设完毕。1.5.5 检查管道支架、预留孔洞的位置、尺寸是否正确。2 操作工艺2.1 工艺流程:2.2 质量要求:2.2.1 风管系统安装工作(送、排风 ) 质量要求符合《通风与空调工程施工质量验收规范》(G...

1、当您付费下载文档后,您只拥有了使用权限,并不意味着购买了版权,文档只能用于自身使用,不得用于其他商业用途(如 [转卖]进行直接盈利或[编辑后售卖]进行间接盈利)。
2、本站所有内容均由合作方或网友上传,本站不对文档的完整性、权威性及其观点立场正确性做任何保证或承诺!文档内容仅供研究参考,付费前请自行鉴别。
3、如文档内容存在违规,或者侵犯商业秘密、侵犯著作权等,请点击“违规举报”。

碎片内容

技术交底记录排风管道安装

确认删除?
VIP
微信客服
  • 扫码咨询
会员Q群
  • 会员专属群点击这里加入QQ群
客服邮箱
回到顶部