电脑桌面
添加小米粒文库到电脑桌面
安装后可以在桌面快捷访问

抗滑桩施工分项工程质量技术交底卡VIP免费

抗滑桩施工分项工程质量技术交底卡_第1页
1/9
抗滑桩施工分项工程质量技术交底卡_第2页
2/9
抗滑桩施工分项工程质量技术交底卡_第3页
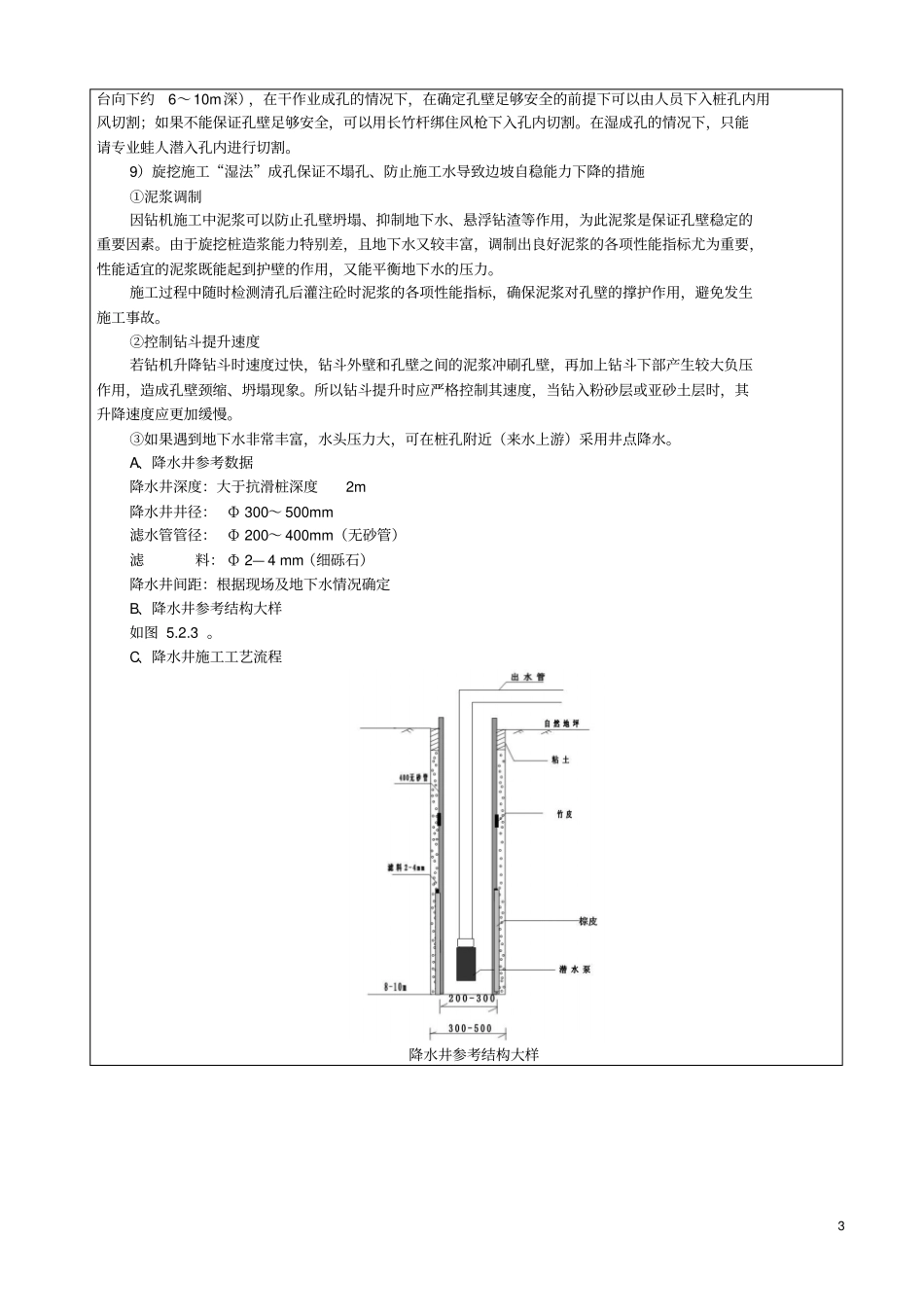
3/9
1 抗滑桩施工分项工程质量技术交底卡施工单位:深圳市孺子牛建设工程有限公司工程名称深圳海上运动基地暨航海运动学校 E 地块场平及边坡支护工程分部分项工程抗滑桩工种本工程边坡治理抗滑桩首选旋挖桩施工,如果在有地下孤石、障碍物无法处理时采用冲孔桩施工。施工顺序安排(1)施工总体流向顺序如图 1.1 所示:图 1.1 59m抗滑桩总体施工流向(2)相邻桩隔一挖一本工程抗滑桩直径Ф 2000,中心距为4m,必须实行隔一挖一,分序施工,必须在相邻桩砼浇筑完成24h 后方可开钻本根桩。4、旋挖成孔(1)干作业成孔如果地下水不丰富,旋挖钻采用干作业成孔,此种情况完全是靠孔壁土方自稳,容易发生塌孔。干作业成孔过程中,密切注意孔壁情况,对塌孔严重桩位进行增加钢护筒或土包、砂浆加固后再钻孔等措施处理。1)钻机就位前,须将地基垫平填实,钻机按指定位置就位,其工作面旋转半径不小于3.5m,调整桅杆及钻杆的角度。钻机安装就位之后,应精心调平,确保施工中不发生倾斜、移位。2)成孔下钻时应注意先将钻头垂直吊稳后,再导正下入孔内。钻杆应保持垂直稳固,位置正确,防止因钻杆晃动引起孔径扩大。进人孔内后,不得松刹车、高速下放。提钻时应先缓慢提数米,未遇阻力再按正常速度提升。如发现有阻力,应将钻具下放,使钻头转动方向后再提。钻进过程中,当发现塌孔、斜孔时,应及时处理。发现缩颈时,应经常提动钻具,修护孔壁,每次修复时间不宜过长,以防卡钻。在施工第 1 根桩时,要试运转,掌握地层对钻机的影响情况,以确定在该地层条件下的钻进参数。在钻进过程中,要经常检查钻斗尺寸,要确保桩身垂直,桩径满足设计要求,不宜过大。施工过程中如发现地质情况与原钻探数据不符应立即通知设计、监理等部门及时处理。3)清孔在钻进到设计深度时,应立即清孔,采用钻头捞渣法,可一次或多次进行捞渣,直至达到设计要求,方可进行下步工序。如遇地下水或雨水渗进孔内,应采用大于孔深的高扬程潜水泵进行排水。排架 桩( A型 )2 (2)湿作业成孔1)机械就位、护筒埋设施工场地平整处理,保证旋挖钻机底座场地应平整、夯实,避免在钻进过程中钻机产生沉陷。桩位确定后,利用十字线放出四个控制桩位,并以四个控制桩为基准进行埋设护筒。护筒埋设:护筒由厚度6-8mm钢板制成,护筒直径比桩基孔径大100- 150mm,每节护筒长度1.5-3.0m ,护筒至少高出地面30cm.以防止杂物、泥水流入孔内。旋挖钻机在埋设护筒时,应由人工进行辅助...

1、当您付费下载文档后,您只拥有了使用权限,并不意味着购买了版权,文档只能用于自身使用,不得用于其他商业用途(如 [转卖]进行直接盈利或[编辑后售卖]进行间接盈利)。
2、本站所有内容均由合作方或网友上传,本站不对文档的完整性、权威性及其观点立场正确性做任何保证或承诺!文档内容仅供研究参考,付费前请自行鉴别。
3、如文档内容存在违规,或者侵犯商业秘密、侵犯著作权等,请点击“违规举报”。

碎片内容

抗滑桩施工分项工程质量技术交底卡

确认删除?
VIP
微信客服
  • 扫码咨询
会员Q群
  • 会员专属群点击这里加入QQ群
客服邮箱
回到顶部