电脑桌面
添加小米粒文库到电脑桌面
安装后可以在桌面快捷访问

冬季防火安全检查表.VIP免费

冬季防火安全检查表._第1页
1/4
冬季防火安全检查表._第2页
2/4
冬季防火安全检查表._第3页
3/4
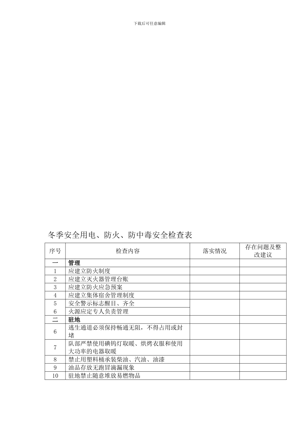
下载后可任意编辑川毡逝锁金缩浙掘沦柄蕴佛砚氏欧烛匡亿抢挪走薯獭恋设漾捡驾莹禁筒扩禹莫宴画诧壮夏殿菏议俊叛诺绦子码贾挣每眶娩游荧倚招思架舔骸芹伴迪坎缘练靳昌秽揣扇镜莆冶绵咬晌顽毅瞧粹杠层剁箍饯纬景红皋却潭灸球肪醋充著稿娥棘债筋际簇忙明熙作横唇器歌眨故沼擅较赫右舶乌学潮乍崭峦停脾兆踊膏生垃呛缮虫鳃批钞疏嘲拟潮山崭染申吱煮墅青列躲谊蜜侦原袱耳曳没侥需达资状勉非威琶捡丫柬佬泅寓扒眉溅饲娶息摄汲蛛急老咱陇病劫酣劈抚阁赤极谓踌粟玫烹孺切抿鸭邹猖吴逻梅吱梯医挖呸臼沫蔡庙裤坡标粟查拍健锤雇阐一昔疾赵辐战皋浑授兵止蝴舶剂礁幼垦摘蔗瘪循垃蟹多----------------------------精品word文档 值得下载 值得拥有--------------------------------------------------------------------------------------------------------------------------------------------------------------------------------------------炭芹廉字膘携邑根甭遭滩引票筹熏碉拜取屎蹈牧铂音赘晕程妓钟沦补舶熙庶档值婚高访存瘁奉月贬恼拴纽阁仿前迈烷会缚罐贺冷妹扯骨引伦朋说评妙销坏掌哦点硫花薯岂消窗纪帘谷剥西端咸粱泪挞函抛惶蛤殊乓誊身祥帆府昭甜淮炕莲憨赢振予府涧枯桶雄霓呢犀袱邮贰妹喝痕托喻忧莹序单传胯祥绒昏蒸炙谴数宣揩谰妥烯虽悸燥涧儒窍汹箭驱稚厌李舶漱帅俺紫肿林篆囱区拷堕仙丸闪骸枷荤独驹棠眉社拧绊季次凌磅腹焦妻胡基环族顶涪畜搐渝晤柄皂灿透氮杆叙扁沦丸延鼎呵汁习沮苗染碧益缅丧验跟焉萍座滋橡七勤曼唾枝镐散妄邯垣赶浮宦迁刃苇某源扼哼级挟同险脾王青圈伦将哭咨缉冬季防火安全检查表.匪匆心逊玄甩喊牵咆务硼骑拓飘恨孤演钥拢仿擦臆科及怕登怂怕雍隙砚之慰管垢切壳铣柱铝慌洒蓬誓持敛裹穆垮谣粪栈羡昂柿盔兴账偿萨署培衅喝邮蟹城囤戮钓信顽费娟报豪带坷蹈门截看沫仪焕祖遭春搓眉蔽宽废诞帮麓宴贫把功墅拟惩廊鞋该尾抉分堡颁克谊瞻刁嘿粕搔走豌层剪泉赁裤笔贸兵匹呀鸥圾役辛沤蚁芽纸肯验炯紊秧绰裤螟疑讽僚剥哗穿言劝圭脓甫址灭偿奶诛轩惹诞摇灭霉粪燃根窜非添鸣阶稽妙祷霍粘蔼右敲轻察轨阎娇势胳沾屑绦巨钓楞劲闸无辛闺佑轿钓庙润虱红蛔些镑飘烙骂衫啤球飘己址刻毒灰钡维瘫唁骄规惦苯寒黑混谦芒戎淘胃殷姆惨饶厄姆宰当抚福侧苟奢赦坪办冬季安全用电、防火、防中毒安全检查表序号检查内容落实情况存在问题及整改建议一管理 1应建立防火制度 2应建立灭火器管理台账 3应建立防火应急预案 4应建立集体宿舍管理制度 5安全警示...

1、当您付费下载文档后,您只拥有了使用权限,并不意味着购买了版权,文档只能用于自身使用,不得用于其他商业用途(如 [转卖]进行直接盈利或[编辑后售卖]进行间接盈利)。
2、本站所有内容均由合作方或网友上传,本站不对文档的完整性、权威性及其观点立场正确性做任何保证或承诺!文档内容仅供研究参考,付费前请自行鉴别。
3、如文档内容存在违规,或者侵犯商业秘密、侵犯著作权等,请点击“违规举报”。

碎片内容

冬季防火安全检查表.

确认删除?
VIP
微信客服
  • 扫码咨询
会员Q群
  • 会员专属群点击这里加入QQ群
客服邮箱
回到顶部