电脑桌面
添加小米粒文库到电脑桌面
安装后可以在桌面快捷访问

动火、接电、危险作业分析VIP免费

动火、接电、危险作业分析_第1页
1/9
动火、接电、危险作业分析_第2页
2/9
动火、接电、危险作业分析_第3页
3/9
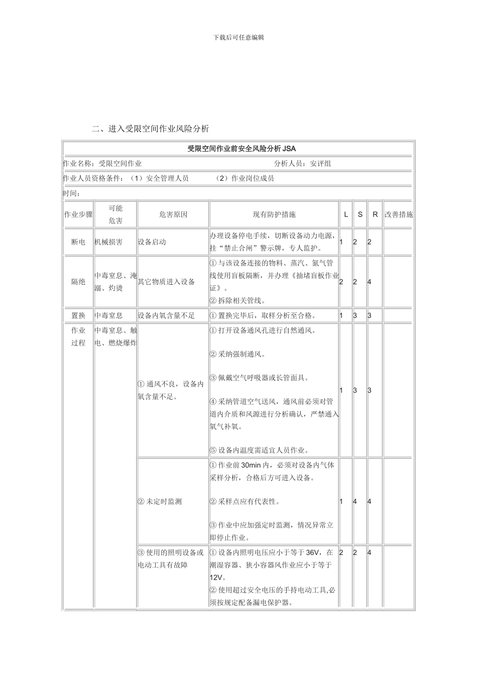
下载后可任意编辑一、动火作业风险分析 动火作业前安全风险分析 JSA作业名称:焊接作业 分析人员:安评组作业人员资格条件:(1)安全管理人员 (2)作业岗位成员时间:作业步骤可能危害危害原因现有防护措施LSR改善措施清洗置换燃烧、爆炸易燃易爆有害物质① 将动火设备、管道内的物料清洗、置换,经分析合格。 ② 储罐动火,清除易燃物,罐内盛满清水或惰性气体保护。 ③ 设备内通(氮气、水蒸气)保护。 ④ 塔内动火,将石棉布浸湿,铺在相邻两层塔盘上进行隔离。 ⑤ 进入受限空间动火,必须办理《受限空间作业证》。122 整理周边设备燃烧、爆炸① 火星窜入其它管道、设备或周围的易燃物。① 切断与动火设备相连通的设备管道并加盲板可靠隔断,挂牌,并办理《抽堵盲板作业证》。② 清除动火点周围易燃物,动火附近的下水井、地漏、地沟、电缆沟等清除易燃后予封闭。② 电缆沟动火,清除沟内易燃气体、液体,必要时将沟两端隔绝。224 作业过程触电、灼烫、燃烧爆炸① 火星飞溅① 注意火星飞溅方向,用防火毯进行遮盖防止火花飞溅吸引火灾或烧伤。 ② 准备灭火器,以便及时处理。313 ② 电焊工具有缺陷① 动火作业前,应检查电、气焊工具,保证安全可靠,不准带病使用。414③ 作业过程中,易燃物外泄① 动火过程中,遇有跑料、串料和易燃气体,应立即停止动火。224④ 通风不良① 室内动火,应将门窗打开,周围设备应遮盖,密封下水漏斗,清除油污,附近不得有用溶剂等易燃物质的清洗作业。② 采纳局部强制通风.212⑤ 未定时监测① 取样与动火间隔不得超过 30min,如超过此间隔或动火作业中断时间超过 30min,必须重新取样分析。② 采样点应有代表性,特别动火的分析样品应保留至动火结束。133下载后可任意编辑③ 动火过程中,中断动火时,现场不得留有余火,重新动火前应仔细检查现场条件是否有变化,如有变化,不得动火。⑥ 监护不当① 监火人应熟悉现场环境和检查确认安全措施落实到位,具备相关安全知识和应急技能,与岗位保持联系,随时掌握工况变化,并坚守现场。② 监火人随时扑灭飞溅的火花,发现异常立即通知动火人停止作业,联系有关人员实行措施。224⑦ 应急设施不足或措施不当① 动火现场备有灭火工具(如蒸汽管、水管、灭火器、砂子、铁铣等)。② 固定泡沫灭火系统进行预启动状态。313作业结束机械损害、灼烫、燃烧爆炸设备未恢复正常状态或工具遗落在设备内拆除管道盲板,清理现场,恢...

1、当您付费下载文档后,您只拥有了使用权限,并不意味着购买了版权,文档只能用于自身使用,不得用于其他商业用途(如 [转卖]进行直接盈利或[编辑后售卖]进行间接盈利)。
2、本站所有内容均由合作方或网友上传,本站不对文档的完整性、权威性及其观点立场正确性做任何保证或承诺!文档内容仅供研究参考,付费前请自行鉴别。
3、如文档内容存在违规,或者侵犯商业秘密、侵犯著作权等,请点击“违规举报”。

碎片内容

动火、接电、危险作业分析

您可能关注的文档

确认删除?
VIP
微信客服
  • 扫码咨询
会员Q群
  • 会员专属群点击这里加入QQ群
客服邮箱
回到顶部