电脑桌面
添加小米粒文库到电脑桌面
安装后可以在桌面快捷访问

2024年多节锂电充电管理IC—HB6290VIP免费

2024年多节锂电充电管理IC—HB6290_第1页
1/15
2024年多节锂电充电管理IC—HB6290_第2页
2/15
2024年多节锂电充电管理IC—HB6290_第3页
3/15
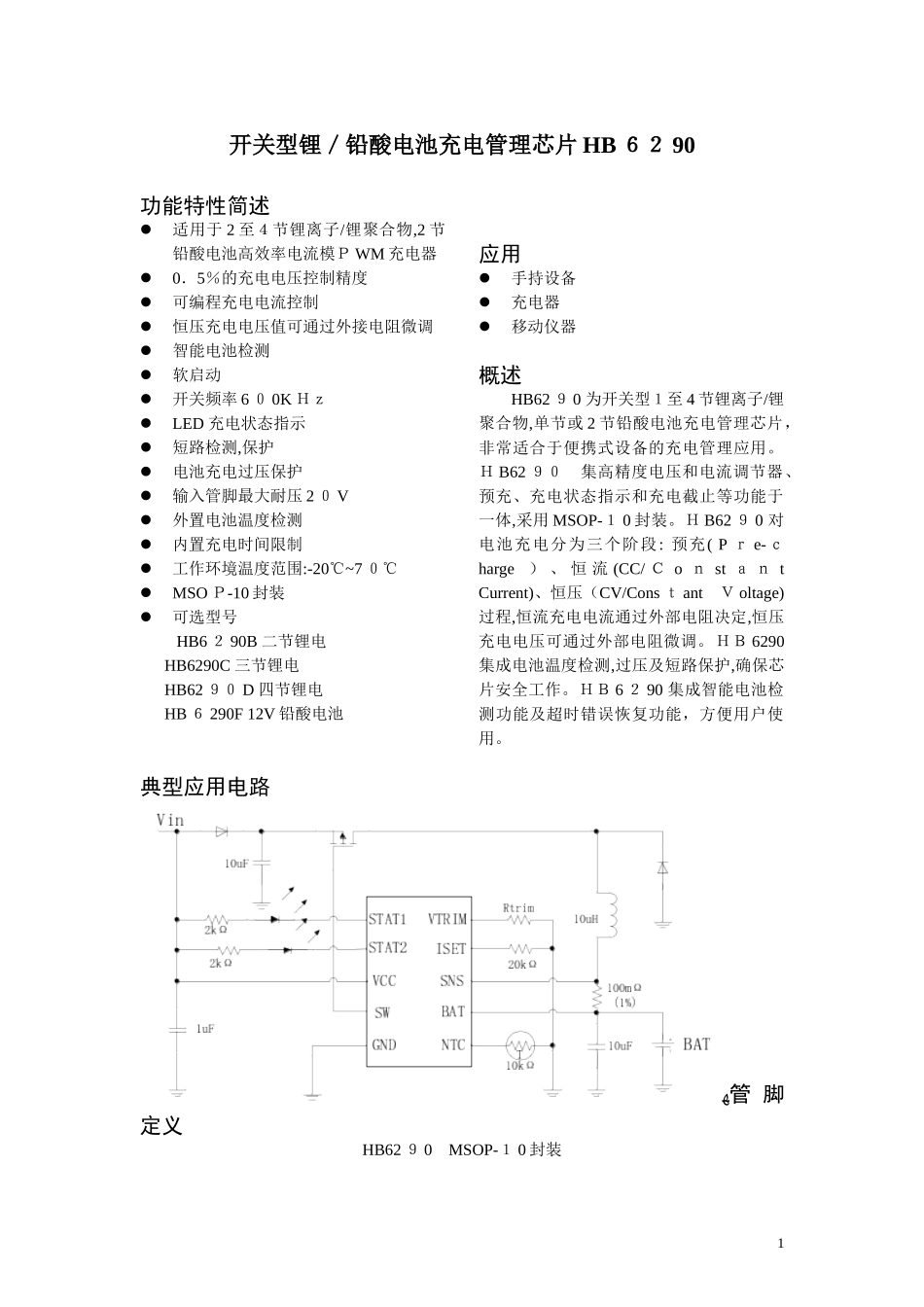
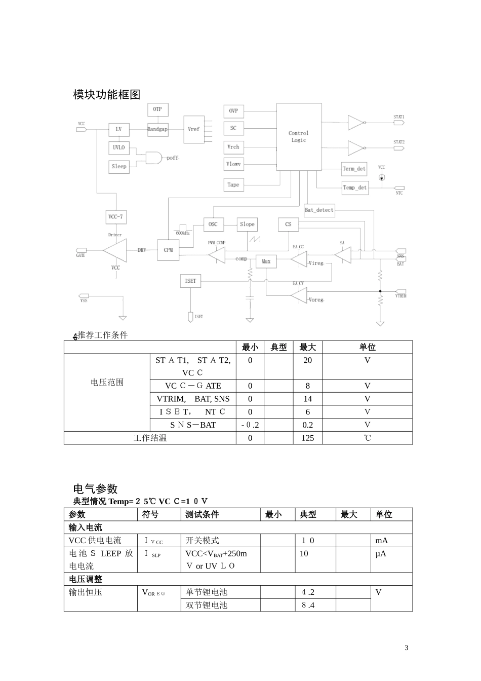
开关型锂/铅酸电池充电管理芯片HB6290功能特性简述适用于2至4节锂离子/锂聚合物,2节铅酸电池高效率电流模PWM充电器0.5%的充电电压控制精度可编程充电电流控制恒压充电电压值可通过外接电阻微调智能电池检测软启动开关频率600KHzLED充电状态指示短路检测,保护电池充电过压保护输入管脚最大耐压20V外置电池温度检测内置充电时间限制工作环境温度范围:-20℃~70℃MSOP-10封装可选型号HB6290B二节锂电HB6290C三节锂电HB6290D四节锂电HB6290F12V铅酸电池应用手持设备充电器移动仪器概述HB6290为开关型1至4节锂离子/锂聚合物,单节或2节铅酸电池充电管理芯片,非常适合于便携式设备的充电管理应用。HB6290集高精度电压和电流调节器、预充、充电状态指示和充电截止等功能于一体,采用MSOP-10封装。HB6290对电池充电分为三个阶段:预充(Pre-charge)、恒流(CC/ConstantCurrent)、恒压(CV/ConstantVoltage)过程,恒流充电电流通过外部电阻决定,恒压充电电压可通过外部电阻微调。HB6290集成电池温度检测,过压及短路保护,确保芯片安全工作。HB6290集成智能电池检测功能及超时错误恢复功能,方便用户使用。典型应用电路ﻬ管脚定义HB6290MSOP-10封装1序号符号I/O描述1STAT1O(STAT1)绿(STAT2)红描述2STAT2O灭灭没有充电或无电池灭亮正在充电亮灭充电完成灭0.5Hz脉冲故障状态(超时和过压)灭2Hz脉冲故障状态(充电暂停)3VCCI输入电源4GATEO输出开关驱动5GND-模拟地6NTC-电池温度检测输入端,外接热敏电阻到地,或取消直接接地7BATI电池检测输入端&电流检测输入负端8SNSI电流检测输入正端9ISETI外接电阻设置预充电,恒流充电和截止充电电流10VTRIMI外接电阻,与地或者与BAT脚之间,微调恒压值2模块功能框图ﻬ推荐工作条件最小典型最大单位电压范围STAT1,STAT2,VCC020VVCC-GATE08VVTRIM,BAT,SNS014VISET,NTC06VSNS-BAT-0.20.2V工作结温0125℃电气参数典型情况Temp=25℃VCC=10V参数符号测试条件最小典型最大单位输入电流VCC供电电流IVCC开关模式10mA电池SLEEP放电电流ISLPVCC

1、当您付费下载文档后,您只拥有了使用权限,并不意味着购买了版权,文档只能用于自身使用,不得用于其他商业用途(如 [转卖]进行直接盈利或[编辑后售卖]进行间接盈利)。
2、本站所有内容均由合作方或网友上传,本站不对文档的完整性、权威性及其观点立场正确性做任何保证或承诺!文档内容仅供研究参考,付费前请自行鉴别。
3、如文档内容存在违规,或者侵犯商业秘密、侵犯著作权等,请点击“违规举报”。

碎片内容

2024年多节锂电充电管理IC—HB6290

您可能关注的文档

确认删除?
微信客服
  • 扫码咨询
会员Q群
  • 会员专属群点击这里加入QQ群