电脑桌面
添加小米粒文库到电脑桌面
安装后可以在桌面快捷访问

二级管的基础知识VIP专享VIP免费

二级管的基础知识_第1页
1/6
二级管的基础知识_第2页
2/6
二级管的基础知识_第3页
3/6
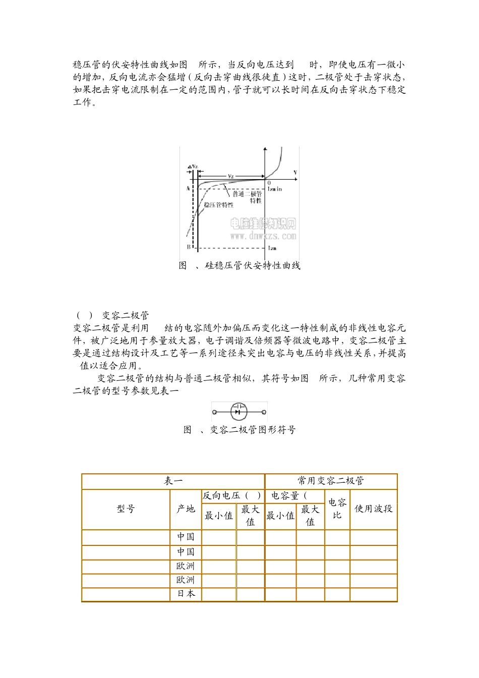
二、极管基础知识 1.二极管的主要参数 正向电流 IF:在额定功率下,允许通过二极管的电流值。 正向电压降 VF:二极管通过额定正向电流时,在两极间所产生的电压降。 最大整流电流(平均值)IOM:在半波整流连续工作的情况下,允许的最大半波电流的平均值。 反向击穿电压VB:二极管反向电流急剧增大到出现击穿现象时的反向电压值。 正向反向峰值电压 VRM:二极管正常工作时所允许的反向电压峰值,通常 VRM为VP的三分之二或略小一些。 反向电流 IR:在规定的反向电压条件下流过二极管的反向电流值。 结电容 C:电容包括电容和扩散电容,在高频场合下使用时,要求结电容小于某一规定数值。 最高工作频率 FM:二极管具有单向导电性的最高交流信号的频率。 2.常用二极管 (1) 整流二极管 将交流电源整流成为直流电流的二极管叫作整流二极管,它是面结合型的功率器件,因结电容大,故工作频率低。 通常,IF在 1安以上的二极管采用金属壳封装,以利于散热;IF在 1安以下的采用全塑料封装(见图二)由于近代工艺技术不断提高,国外出现了不少较大功率的管子,也采用塑封形式。 (a)全密封金属结构 (b)塑料封装 (2)? 检波二极管 检波二极管是用于把迭加在高频载波上的低频信号检出来的器件,它具有较高的检波效率和良好的频率特性。 (3)开关二极管 在脉冲数字电路中,用于接通和关断电路的二极管叫开关二极管,它的特点是反向恢复时间短,能满足高频和超高频应用的需要。 开关二极管有接触型,平面型和扩散台面型几种,一般 IF<500毫安的硅开关二极管,多采用全密封环氧树脂,陶瓷片状封装,如图三所示,引脚较长的一端为正极。 图 3、硅开关二极管全密封环环氧树脂陶瓷片状封装 (4)稳压二极管 稳压二极管是由硅材料制成的面结合型晶体二极管,它是利用 PN结反向击穿时的电压基本上不随电流的变化而变化的特点,来达到稳压的目的,因为它能在电路中起稳压作用,故称为、稳压二极管(简称稳压管)其图形符号见图 4 图 4、稳压二极管的图形符号 稳压管的伏安特性曲线如图5所示,当反向电压达到Vz时,即使电压有一微小的增加,反向电流亦会猛增(反向击穿曲线很徒直)这时,二极管处于击穿状态,如果把击穿电流限制在一定的范围内,管子就可以长时间在反向击穿状态下稳定工作。 图5、硅稳压管伏安特性曲线 (5) 变容二极管 变容二极管是利用 PN结的电容随外加偏压而变化这一特性制成的非线性电容元件...

1、当您付费下载文档后,您只拥有了使用权限,并不意味着购买了版权,文档只能用于自身使用,不得用于其他商业用途(如 [转卖]进行直接盈利或[编辑后售卖]进行间接盈利)。
2、本站所有内容均由合作方或网友上传,本站不对文档的完整性、权威性及其观点立场正确性做任何保证或承诺!文档内容仅供研究参考,付费前请自行鉴别。
3、如文档内容存在违规,或者侵犯商业秘密、侵犯著作权等,请点击“违规举报”。

碎片内容

二级管的基础知识

确认删除?
VIP
微信客服
  • 扫码咨询
会员Q群
  • 会员专属群点击这里加入QQ群
客服邮箱
回到顶部