电脑桌面
添加小米粒文库到电脑桌面
安装后可以在桌面快捷访问

互通立交分部分项划分VIP免费

互通立交分部分项划分_第1页
1/28
互通立交分部分项划分_第2页
2/28
互通立交分部分项划分_第3页
3/28
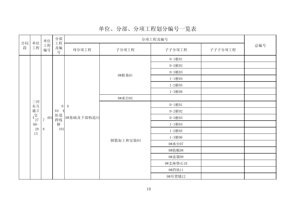
母分项工程子分项工程子子分项工程子子子分项工程0-1桩010-2桩020-3桩031-1桩041-2桩051-3桩060#承台020-1桩010-2桩020-3桩031-1桩041-2桩051-3桩060#承台070#肋板080#盖梁090#支座垫石100#挡块110#耳背墙12单位工程分部工程及编号0#桩基01AK0+664.4匝道跨线桥P101U401单位工程编号单位、分部、分项工程划分编号一览表分项工程及编号总编号0#基础及下部构造S1三河东互通立交K27+700-K28+815LJ 4合同段钢筋加工和安装0310母分项工程子分项工程子子分项工程子子子分项工程单位工程分部工程及编号单位工程编号单位、分部、分项工程划分编号一览表分项工程及编号总编号合同段0#肋板040#盖梁050#支座垫石060#挡块070#台背填土082-1桩012-2桩022-3桩031#系梁022-1桩012-2桩022-3桩031#系梁041#墩柱051#盖梁061#支座垫石071#挡块081#墩柱041#盖梁051#基础及下部构造S2LJ 4三河东互通立交K27+700-K28+815U401AK0+664.4匝道跨线桥P1010#基础及下部构造S1钢筋加工和安装031#桩基0111母分项工程子分项工程子子分项工程子子子分项工程单位工程分部工程及编号单位工程编号单位、分部、分项工程划分编号一览表分项工程及编号总编号合同段1#支座垫石061#挡块073-1桩013-2桩023-3桩032#系梁023-1桩013-2桩023-3桩032#系梁042#墩柱052#盖梁062#支座垫石072#挡块082#墩柱042#盖梁052#支座垫石062#挡块073#桩基014-1桩012#基础及下部构造S3U401AK0+664.4匝道跨线桥P1012#桩基01钢筋加工和安装03LJ 4三河东互通立交K27+700-K28+81512母分项工程子分项工程子子分项工程子子子分项工程单位工程分部工程及编号单位工程编号单位、分部、分项工程划分编号一览表分项工程及编号总编号合同段4-2桩024-3桩033#系梁024-1桩014-2桩024-3桩033#系梁043#墩柱053#盖梁063#支座垫石073#挡块083#墩柱043#盖梁053#支座垫石063#挡块075-1桩015-2桩025-3桩036-1桩04钢筋加工和安装034#桩基014#基础及下部构造S53#基础及下部构造S43#桩基01AK0+664.4匝道跨线桥P101U401三河东互通立交K27+700-K28+815LJ 413母分项工程子分项工程子子分项工程子子子分项工程单位工程分部工程及编号单位工程编号单位、分部、分项工程划分编号一览表分项工程及编号总编号合同段6-2桩056-3桩064#承台025-1桩015-2桩025-3桩036-1桩046-2桩056-3桩064#承台074#肋板084#盖梁094#支座垫石104#挡块114#耳背墙124#肋板044#盖梁054#支座垫石064#挡块07U401LJ 44#桩基01钢筋加工和安装03三河东互通立交K27+700-K28+...

1、当您付费下载文档后,您只拥有了使用权限,并不意味着购买了版权,文档只能用于自身使用,不得用于其他商业用途(如 [转卖]进行直接盈利或[编辑后售卖]进行间接盈利)。
2、本站所有内容均由合作方或网友上传,本站不对文档的完整性、权威性及其观点立场正确性做任何保证或承诺!文档内容仅供研究参考,付费前请自行鉴别。
3、如文档内容存在违规,或者侵犯商业秘密、侵犯著作权等,请点击“违规举报”。

碎片内容

互通立交分部分项划分

您可能关注的文档

确认删除?
VIP
微信客服
  • 扫码咨询
会员Q群
  • 会员专属群点击这里加入QQ群
客服邮箱
回到顶部