电脑桌面
添加小米粒文库到电脑桌面
安装后可以在桌面快捷访问

排架结构工程施工组织方案VIP免费

排架结构工程施工组织方案_第1页
1/17
排架结构工程施工组织方案_第2页
2/17
排架结构工程施工组织方案_第3页
3/17
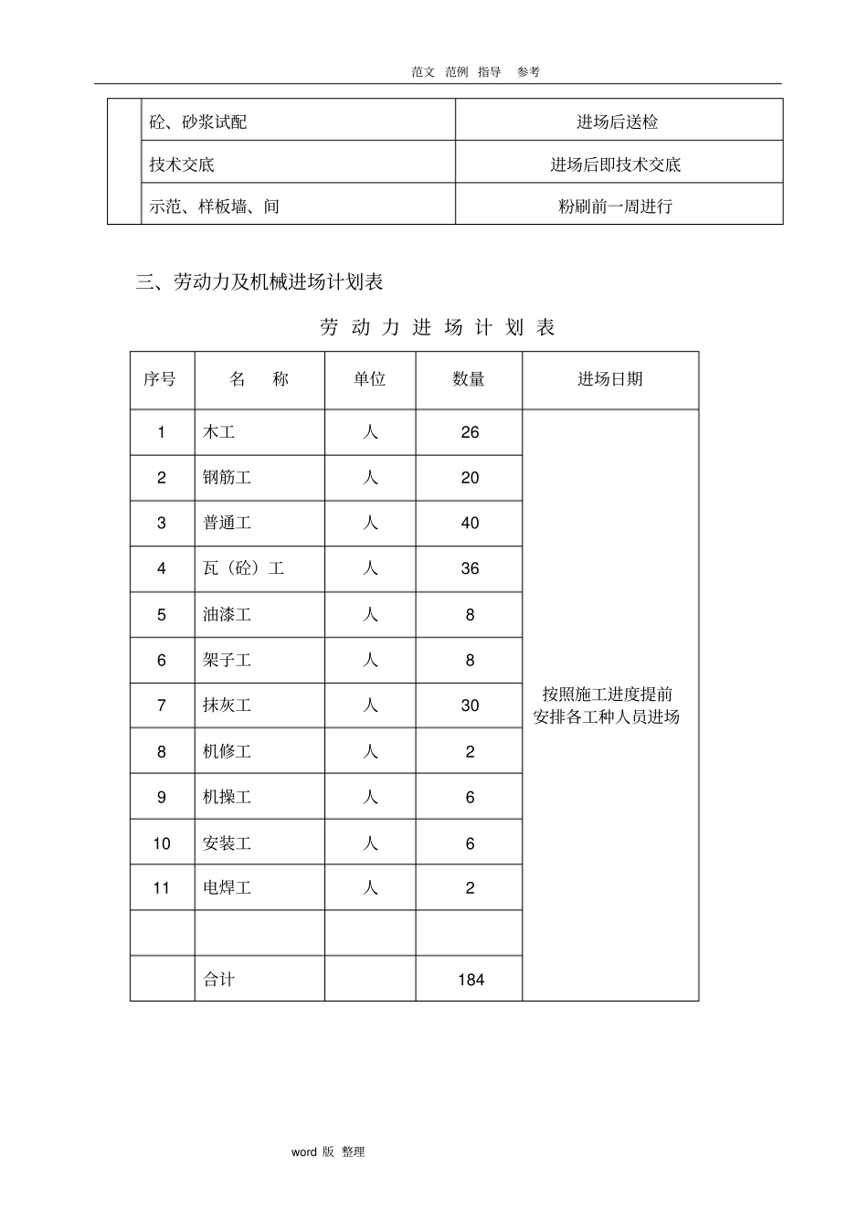
范文范例 指导参考word 版 整理一、编制综合说明1、编制依据 1.1本工程招标文件、设计图纸; 1.2建设基地踏勘后所掌握的情况; 1.3国家现行规范、标准、强制条文及江苏省颁布的有关建设工程的地方性法规; 1.4以前曾施工过类似工程所积累的经验。2、项目为江苏盛泰电力设备有限公司投资兴建,我公司根据招标文件和设计图纸,确定本工程的质量目标:确保《建筑工程施工质量验收统一标准》(GB50300-2001)中的合格标准; 工程工期目标: 确保 120 个日历天交付使用;安全文明目标:创市文明施工工地。二、工程概况和施工准备表工程概况工程名称:二号车间结构层次:排架一层层高:14.1M 沿高: 14.1M 建筑面积: 6048M2 占地面积: 6048M2 基础形式:独立桩承台 +基础梁基础深度: -1.4M 计划工期: 120 日历天施工准备准备内容完成时间拟建临时设施 200 M2 进场后 3 天完成拟建施工道路面积 220 M2 进场后 3 天完成拟建施工场地 240 M2 进场后 4 天完成原材料、检验测试进场后送检范文范例 指导参考word 版 整理砼、砂浆试配进场后送检技术交底进场后即技术交底示范、样板墙、间粉刷前一周进行三、劳动力及机械进场计划表劳 动 力 进 场 计 划 表序号名称单位数量进场日期1 木工人26 按照施工进度提前安排各工种人员进场2 钢筋工人20 3 普通工人40 4 瓦(砼)工人36 5 油漆工人8 6 架子工人8 7 抹灰工人30 8 机修工人2 9 机操工人6 10 安装工人6 11 电焊工人2 合计184 范文范例 指导参考word 版 整理机 械 进 场 计 划 表序号机具名称规格型号单位数量功率进场日期1 砼搅拌机J350 台2 7.5*2 开工前 3 天2 砂浆搅拌机L=200 台2 5.5*2 3 钢筋弯曲机WJ40-1 台1 5.5 4 插入式震捣机SG-26X 台10 2.2*10 5 平板震动机P2-50 台2 2.2 6 木工机械套1 9 7 蛙式打夯机HJ-75 台1 2 8 钢筋切断机QJ-40 台1 7.5 9 电焊机交流台2 21*2 10 闪光对焊机UN-100 台1 100 11 氧割设备套1 12 散装水泥罐25T 只1 13 双轮手推车辆20 14 磅秤组2 15 镝灯盏2 16 井架20M 台2 基础施工完毕17 汽车吊25T 台1 吊装前范文范例 指导参考word 版 整理四、主要材料(含周转材料)进场计划表序号材料名称材料规格单位数量进场时间1 水泥综合T 835 按照施工进度分期分批购进2 砂中T 2045 3 石子综合T 3538 4 标准砖240*115*5...

1、当您付费下载文档后,您只拥有了使用权限,并不意味着购买了版权,文档只能用于自身使用,不得用于其他商业用途(如 [转卖]进行直接盈利或[编辑后售卖]进行间接盈利)。
2、本站所有内容均由合作方或网友上传,本站不对文档的完整性、权威性及其观点立场正确性做任何保证或承诺!文档内容仅供研究参考,付费前请自行鉴别。
3、如文档内容存在违规,或者侵犯商业秘密、侵犯著作权等,请点击“违规举报”。

碎片内容

排架结构工程施工组织方案

您可能关注的文档

确认删除?
VIP
微信客服
  • 扫码咨询
会员Q群
  • 会员专属群点击这里加入QQ群
客服邮箱
回到顶部