电脑桌面
添加小米粒文库到电脑桌面
安装后可以在桌面快捷访问

接地电阻测试报告VIP免费

接地电阻测试报告_第1页
1/2
接地电阻测试报告_第2页
2/2
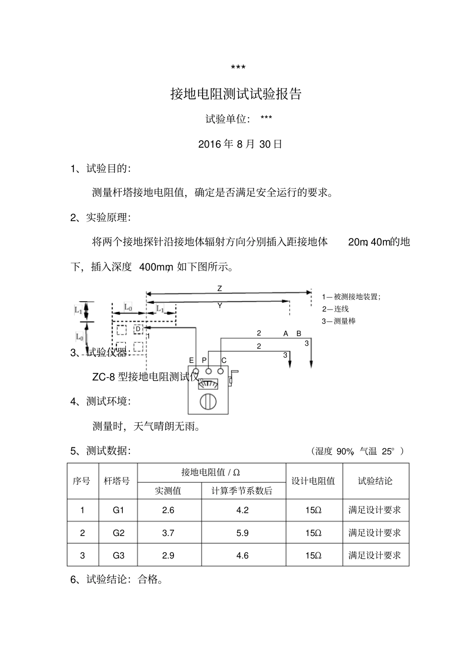
*** 接地电阻测试试验报告试验单位: *** 2016 年 8 月 30 日1、试验目的:测量杆塔接地电阻值,确定是否满足安全运行的要求。2、实验原理:将两个接地探针沿接地体辐射方向分别插入距接地体20m、40m的地下,插入深度 400mm,如下图所示。1—被测接地装置;2—连线3—测量棒A B 3、试验仪器:ZC-8 型接地电阻测试仪。4、测试环境:测量时,天气晴朗无雨。5、测试数据:(湿度 90%,气温 25° )序号杆塔号接地电阻值 / Ω设计电阻值试验结论实测值计算季节系数后1 G1 2.6 4.2 15Ω满足设计要求2 G2 3.7 5.9 15Ω满足设计要求3 G3 2.9 4.6 15Ω满足设计要求6、试验结论:合格。1 D Z Y 2 2 3 3 E P C 试验负责人:试验人:

1、当您付费下载文档后,您只拥有了使用权限,并不意味着购买了版权,文档只能用于自身使用,不得用于其他商业用途(如 [转卖]进行直接盈利或[编辑后售卖]进行间接盈利)。
2、本站所有内容均由合作方或网友上传,本站不对文档的完整性、权威性及其观点立场正确性做任何保证或承诺!文档内容仅供研究参考,付费前请自行鉴别。
3、如文档内容存在违规,或者侵犯商业秘密、侵犯著作权等,请点击“违规举报”。

碎片内容

接地电阻测试报告

确认删除?
VIP
微信客服
  • 扫码咨询
会员Q群
  • 会员专属群点击这里加入QQ群
客服邮箱
回到顶部