电脑桌面
添加小米粒文库到电脑桌面
安装后可以在桌面快捷访问

接触器常见故障、原因及处理方法VIP免费

接触器常见故障、原因及处理方法_第1页
1/3
接触器常见故障、原因及处理方法_第2页
2/3
接触器常见故障、原因及处理方法_第3页
3/3
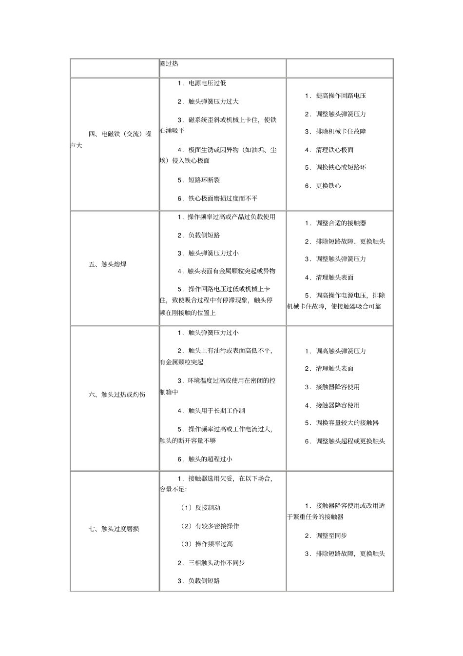
引用 接触器常见故障、原因及处理方法故障现象可能原因处理方法一、吸不上或吸力不足(即触头已闭合而铁心尚未完全吸合)1.电源电压过低或波动太大2.操作回路电源容量不足或发生断线、配线错误及控制触头接触不良3.线圈技术参数与使用条件不符4.产品本身受损(如线圈断线或烧毁、机械可动部分被卡住、转轴生锈或歪斜等)5.触头弹簧压力与超程过大1.调高电源电压2.增加电源容量,更换线路修理控制触头3.更换线圈4.更换线圈、 排除卡住故障,修理受损零件5.要调整触头参数二、不释放或释放缓慢1.触头弹簧压力过小2.触头熔焊3.机械可动部分被卡住,转轴生锈或歪斜4.反力弹簧损坏5.铁心极面有油污或尘埃粘着6.E 形铁心,当寿命终了时,因去磁气隙消失,剩磁增大,使铁心不释放1.调整触头参数2.排除熔焊故障,修理或更换触头3.排除卡住现象,修理受损零件4.更换反力弹簧5.清理铁心极面6.更换铁心三、线圈过热或烧损1.电源电压过高或过低2.线圈技术参数(如额定电压、频率、通电持续率及适用工作制等)与实际使用条件不符3.操作频率(交流)过高4.线圈制造不良或由于机械损伤、绝缘损坏等5.使用环境条件差,如空气潮湿、含有腐蚀性气体或环境温度过高6.运动部分卡住7.交流铁心极面不平或中间气隙过大8.交流接触器派生直流操作的双线圈,因动断联锁触头熔焊不释放,而使线1.调整电源电压2.调换线圈或接触器3.选择其他合适的接触器4.更换线圈,排除引起线圈机械损伤的故障5.采用特殊设计的线圈6.排除卡住现象7.清除铁心极面或更换铁心8.调整联锁触头参数及更换烧坏线圈圈过热四、电磁铁(交流)噪声大1.电源电压过低2.触头弹簧压力过大3.磁系统歪斜或机械上卡住,使铁心涌吸平4.极面生锈或因异物(如油垢、尘埃)侵入铁心极面5.短路环断裂6.铁心极面磨损过度而不平1.提高操作回路电压2.调整触头弹簧压力3.排除机械卡住故障4.清理铁心极面5.调换铁心或短路环6.更换铁心五、触头熔焊1.操作频率过高或产品过负载使用2.负载侧短路3.触头弹簧压力过小4.触头表面有金属颗粒突起或异物5.操作回路电压过低或机械上卡住,致使吸合过程中有停滞现象,触头停顿在刚接触的位置上1.调整合适的接触器2.排除短路故障、更换触头3.调整触头弹簧压力4.清理触头表面5.调高操作电源电压,排除机械卡住故障,使接触器吸合可靠六、触头过热或灼伤1.触头弹簧压力过小2.触头上有油污或表面高低不平,有金属颗粒突...

1、当您付费下载文档后,您只拥有了使用权限,并不意味着购买了版权,文档只能用于自身使用,不得用于其他商业用途(如 [转卖]进行直接盈利或[编辑后售卖]进行间接盈利)。
2、本站所有内容均由合作方或网友上传,本站不对文档的完整性、权威性及其观点立场正确性做任何保证或承诺!文档内容仅供研究参考,付费前请自行鉴别。
3、如文档内容存在违规,或者侵犯商业秘密、侵犯著作权等,请点击“违规举报”。

碎片内容

接触器常见故障、原因及处理方法

您可能关注的文档

文库响当当+ 关注
实名认证
内容提供者

该用户很懒,什么也没介绍

确认删除?
VIP
微信客服
  • 扫码咨询
会员Q群
  • 会员专属群点击这里加入QQ群
客服邮箱
回到顶部