电脑桌面
添加小米粒文库到电脑桌面
安装后可以在桌面快捷访问

控制导线测量报告VIP免费

控制导线测量报告_第1页
1/9
控制导线测量报告_第2页
2/9
控制导线测量报告_第3页
3/9
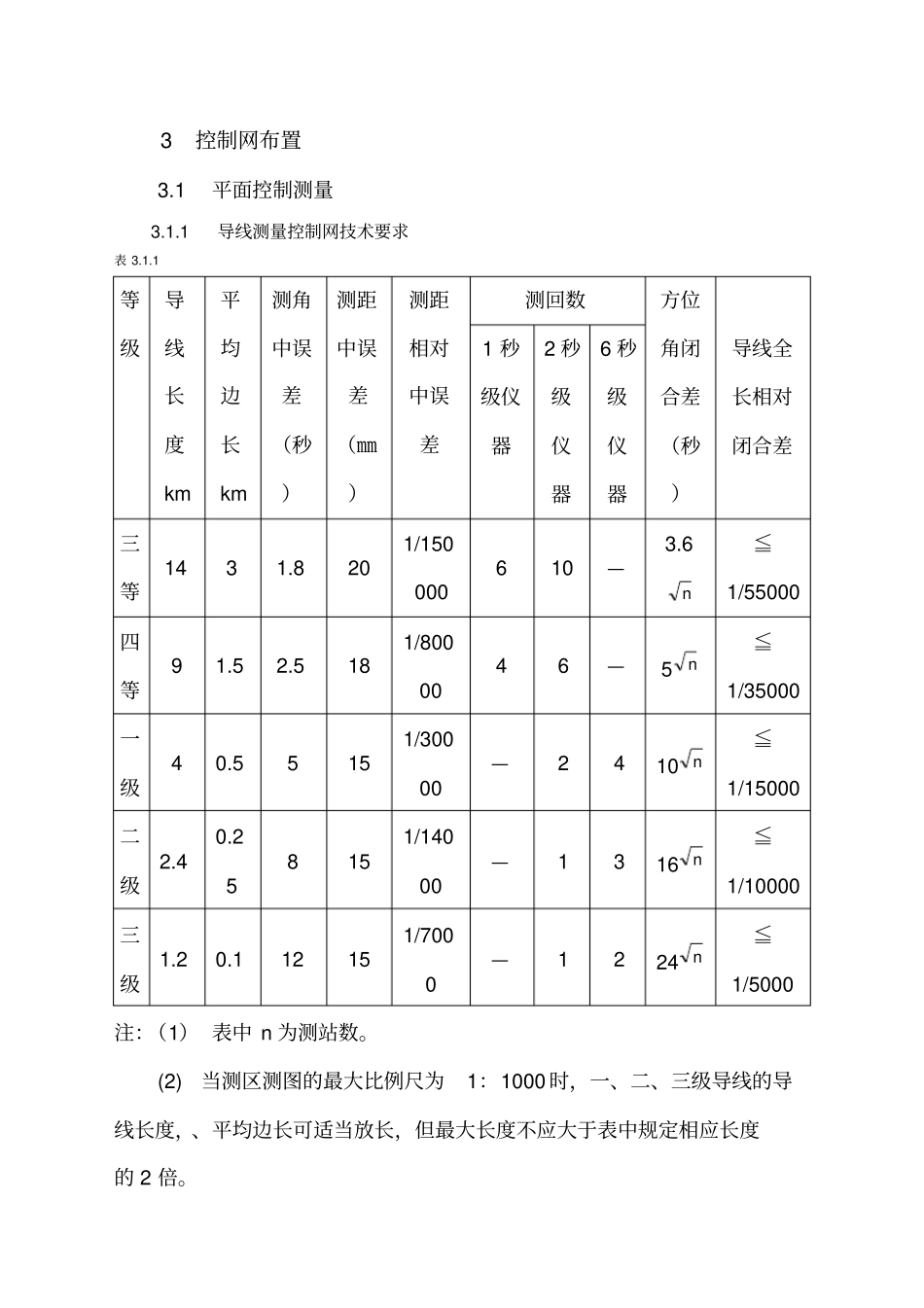
目录1 概述 .............................................................................. 01.1 工程概况 ........................................................................ 0 1.2 控制网布置概况.................................................................. 0 2 作业执行的规范、技术标准及文件..................................................... 03 控制网布置. ........................................................................ 13.1 平面控制测量.................................................................... 1 3.1.1 导线测量控制网技术要求...................................................... 1 3.1.2 导线网的设计、选点与埋埋石.................................................. 2 ................................................................... 错误 ! 未定义书签。3.1.4 数据处理 ..................................................................... 3 3.2 高程测量....................................................................... 4 3.2.1 技术要求 .................................................................... 4 3.2.2 观测 ........................................................................ 4 ................................................................... 错误 ! 未定义书签。3.3 资料整理、上报、归档............................................................ 5 4 控制网复核测量成果表............................................................... 55、全站仪检定证书. .................................................................... 56、人员资质证书. ...................................................................... 07、原始记录手簿. ...................................................................... 18、平差计算表. ........................................................................ 11 概述1.1 工程概况中国葛洲坝集团海口市南渡江引水工程—隧洞出口至永庄水库箱涵段位于海口市秀英区,从隧洞出口开始,横穿工业园区的火炬路、创新路、高速路及G224 国道至永庄水库处结束,里程为K23+78...

1、当您付费下载文档后,您只拥有了使用权限,并不意味着购买了版权,文档只能用于自身使用,不得用于其他商业用途(如 [转卖]进行直接盈利或[编辑后售卖]进行间接盈利)。
2、本站所有内容均由合作方或网友上传,本站不对文档的完整性、权威性及其观点立场正确性做任何保证或承诺!文档内容仅供研究参考,付费前请自行鉴别。
3、如文档内容存在违规,或者侵犯商业秘密、侵犯著作权等,请点击“违规举报”。

碎片内容

控制导线测量报告

确认删除?
VIP
微信客服
  • 扫码咨询
会员Q群
  • 会员专属群点击这里加入QQ群
客服邮箱
回到顶部