电脑桌面
添加小米粒文库到电脑桌面
安装后可以在桌面快捷访问

推荐钢结构焊接工艺评定报告VIP免费

推荐钢结构焊接工艺评定报告_第1页
1/7
推荐钢结构焊接工艺评定报告_第2页
2/7
推荐钢结构焊接工艺评定报告_第3页
3/7
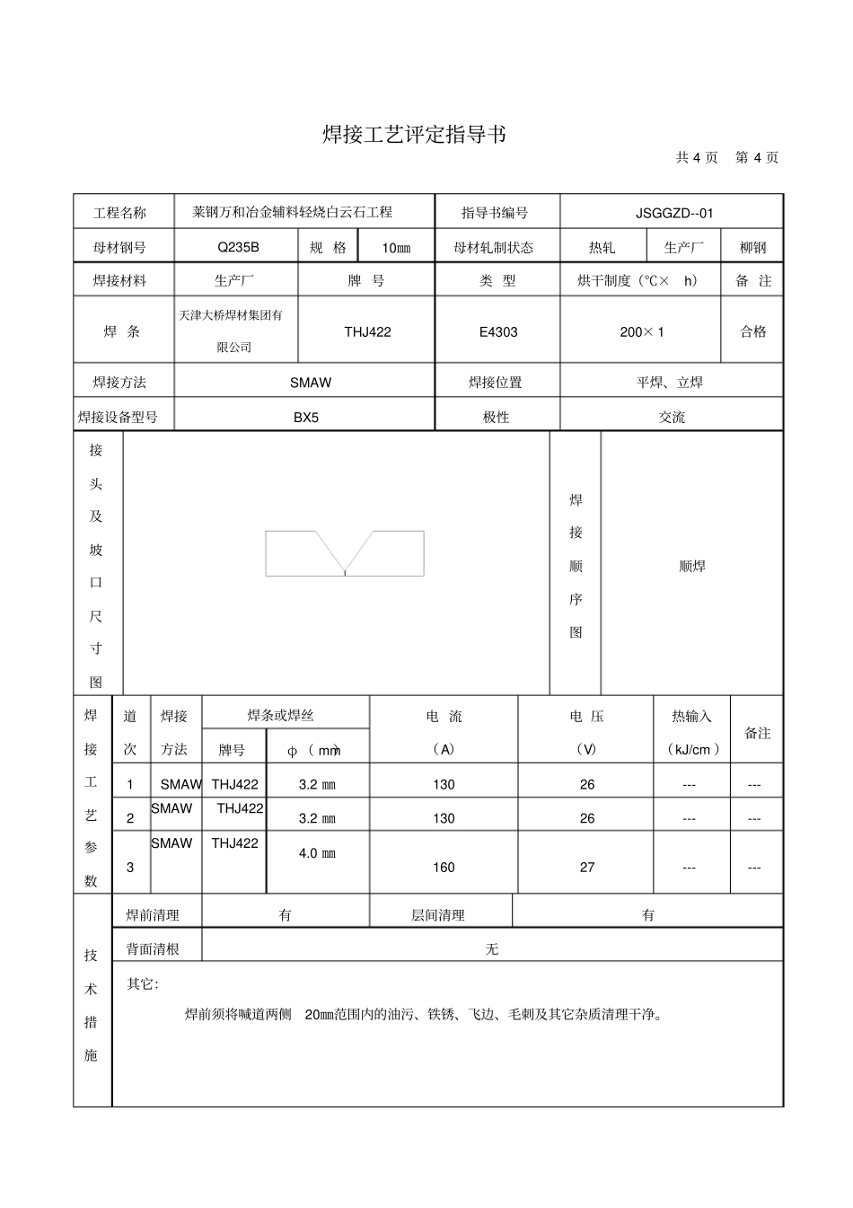
焊接工艺评定报告共 4 页第 3 页工程名称 : 莱钢万和冶金辅料轻烧白云石工程评定报告编号JSQDGP-01工艺指导书编号JSQDGP-01项目质量负责人武习依据标准《建筑钢结构焊接技术规程》JGJ81- 2002试样焊接单位施焊日期2010-5-25焊工资格证书代号TS6JTAI1800母材钢号Q235母材轧制状态热轧生产厂柳钢化学 成 分和 力 学 性 能C(%)Mn(%)Si(%)S(%)P(%)σ a(MPa)σ b(MPa)δ5(%)Akv(J)标准0.140.520240.0200.0262564102635合格证0.120.550.200.0190.01931042532.536焊接材料生产厂牌号类型直径(mm)烘干制度(℃× h)备注焊条天 津 大 桥 焊 材集团有限公司THJ422 E4303 Φ 3.2 200×1 --- 焊接方法SMAW焊接位置平焊、立焊 接头形式角接、对接焊接工艺参数见焊接工艺评定指导书清根工艺层间清理焊接设备型号BX5极性交流评定结论:本评定按《建筑钢结构焊接技术规程》(JGJ18-2002)规定,根据工程情况编制工艺评定指导书、焊接试件、制取并检验试样,测定性能,确认试验纪录正确,评定结果为:合格焊接条件及工艺参数适用范围技术评定指导书规定执行。评定人日期评定单位:(盖章)年月日审核人日期技术负责人日期焊接工艺评定指导书共 4 页第 4 页工程名称莱钢万和冶金辅料轻烧白云石工程指导书编号JSGGZD--01母材钢号Q235B规 格10㎜母材轧制状态热轧生产厂柳钢焊接材料生产厂牌 号类 型烘干制度(℃×h)备 注焊 条天津大桥焊材集团有限公司THJ422 E4303 200× 1 合格焊接方法SMAW焊接位置平焊、立焊焊接设备型号BX5极性交流接头及坡口尺寸图焊接顺序图顺焊焊接工艺参数道次焊接方法焊条或焊丝电 流(A)电 压(V)热输入(kJ/cm )备注牌号φ ( mm)1SMAW THJ4223.2 ㎜13026--- --- 2SMAWTHJ4223.2 ㎜13026--- --- 3 SMAWTHJ4224.0 ㎜16027--- --- 技术措施焊前清理有层间清理有背面清根无其它:焊前须将喊道两侧20㎜范围内的油污、铁锈、飞边、毛刺及其它杂质清理干净。编制人日 期审核人日 期焊接工艺评定记录表共 4 页第 1 页工程名称莱钢万和冶金辅料轻烧白云石工程指导书编号JSGGZD--01焊接方法SMAW焊接位置--- 设备型号Bx5 极性交流母材钢号Q235B生 产 厂柳钢母材规格10㎜母材轧制状态热轧接头尺寸及施焊道次顺序见焊接工艺评定指导书焊接材料焊条牌 号THJ422 类 型E4303 生产厂天津大桥焊材集团有限公司烘干温度(℃)150-200 ℃时间( min)60 焊丝牌 号H08M...

1、当您付费下载文档后,您只拥有了使用权限,并不意味着购买了版权,文档只能用于自身使用,不得用于其他商业用途(如 [转卖]进行直接盈利或[编辑后售卖]进行间接盈利)。
2、本站所有内容均由合作方或网友上传,本站不对文档的完整性、权威性及其观点立场正确性做任何保证或承诺!文档内容仅供研究参考,付费前请自行鉴别。
3、如文档内容存在违规,或者侵犯商业秘密、侵犯著作权等,请点击“违规举报”。

碎片内容

推荐钢结构焊接工艺评定报告

确认删除?
VIP
微信客服
  • 扫码咨询
会员Q群
  • 会员专属群点击这里加入QQ群
客服邮箱
回到顶部